EasyManua.ls Logo

JVC KD-S890

JVC KD-S890
44 pages
To Next Page IconTo Next Page
To Next Page IconTo Next Page
To Previous Page IconTo Previous Page
To Previous Page IconTo Previous Page
Loading...
KD-S890
1-34 (No.49799)
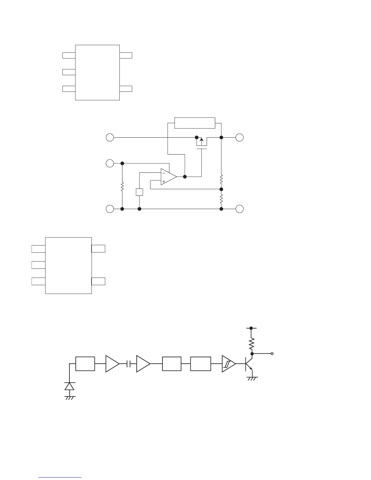
4.7 NJU7241F25-X (IC461) : Regulator
Pin layout
Block diagram
4.8 NJU7241F33-X (IC471) : Voltage regulator
4.9 RPM7138-V4 (IC602) : Remote control receiver
GND 1
VIN 2
VOUT 3
5 STB
4 NC
Short protect
3 VOU
T
1 GND
Vref
VIN 2
STB 5
GND 1
1
2
3
5
4
PIN FUNCTION
1. GND
2. V
IN
3. VOUT
4. +NC
5. STB
VCC
22K
R
OUT
Comparator
LimiterAMP
I/V
Detection
crimp
BPF

Other manuals for JVC KD-S890

Related product manuals