EasyManua.ls Logo

JVC L-A31 - Page 13

JVC L-A31
16 pages
Print Icon
To Next Page IconTo Next Page
To Next Page IconTo Next Page
To Previous Page IconTo Previous Page
To Previous Page IconTo Previous Page
Loading...
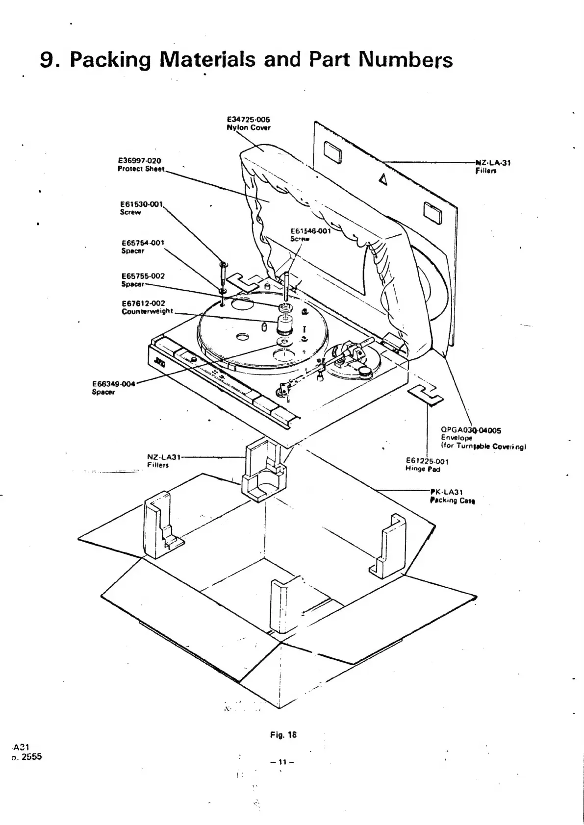
9.
Packing
Materials
and
Part
Numbers
€34725-006
Nylon
Cover
E36997-020
2
NZ-LA-31
Protect
Sheet
.
~~
Fillers
E65754-001
Spacer
E65755-002
Spacer
E67612-002
Counterweight
QPGA039-04005
Envelope
(for
Turntable
Covering)
NZ-LA31
£61225-001
__
Fillers
Hinge
Pad
PK-LA31
Packing
Case
Fig.
18
AZ
o.
2555
qe

Related product manuals