EasyManua.ls Logo

JVC L-A31 - Controls and Functions; Pitch Control and Speed Adjustment

JVC L-A31
16 pages
Print Icon
To Next Page IconTo Next Page
To Next Page IconTo Next Page
To Previous Page IconTo Previous Page
To Previous Page IconTo Previous Page
Loading...
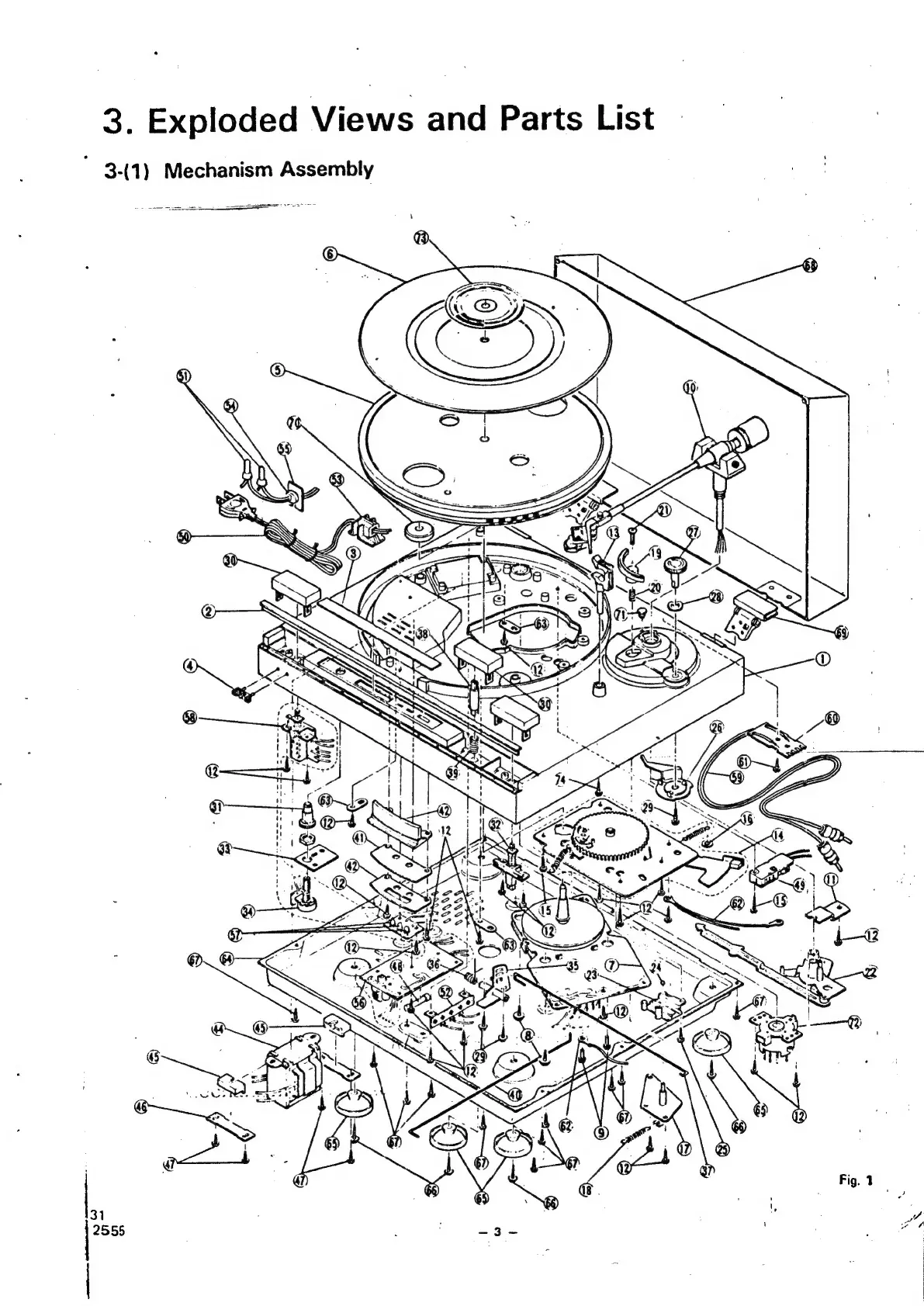
3.
Exploded
Views
and
Parts
List
"
3.11)
Mechanism
Assembly
\
nb

Related product manuals