EasyManua.ls Logo

JVC LT-19D200 - Wiring Diagram [Tv Cable]

JVC LT-19D200
74 pages
Print Icon
To Next Page IconTo Next Page
To Next Page IconTo Next Page
To Previous Page IconTo Previous Page
To Previous Page IconTo Previous Page
Loading...
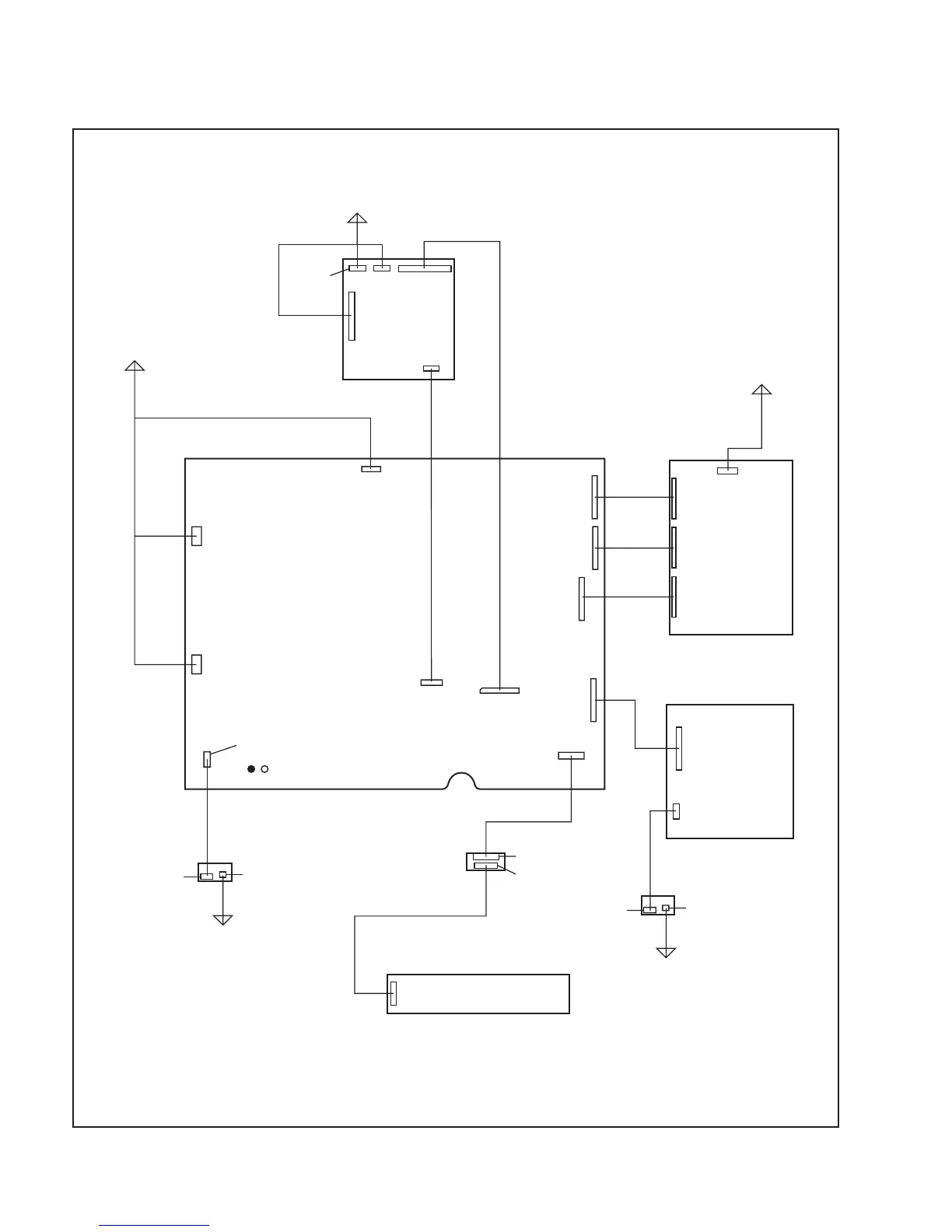
MAIN PWB
JACK PWB
JUNCTION-C PWB
JUNCTION-A PWBJUNCTION-B PWB
FUNCTION PWB
CN201
CN1001
CN1002
CN3902
CN4001
CN3702
CN3701
DIGITAL MAIN
PWB UNIT
CN102
CN101
CN101A
CN702
AC CORD
CN302
CN303
CN701
CN861A
CN861B
CL861
CN902
CN901
CN862A
CN301
CN101B
DVD MAIN
PWB UNIT
CN601
CN301
CN201
CN801
CN401
To DVD MECHANISM
To
LCD PANEL UNIT
To Speaker
To Speaker
CN862B
CL862
To LCD PANEL
UNIT
WIRING DIAGRAM [TV CABLE]
2-4(No.YA711<Rev.001>)

Other manuals for JVC LT-19D200

Related product manuals