EasyManua.ls Logo

JVC MX-G880V - Page 54

JVC MX-G880V
171 pages
Print Icon
To Next Page IconTo Next Page
To Next Page IconTo Next Page
To Previous Page IconTo Previous Page
To Previous Page IconTo Previous Page
Loading...
1-54
MX-G950V/MX-G880V
MX-G850V/MX-G750V
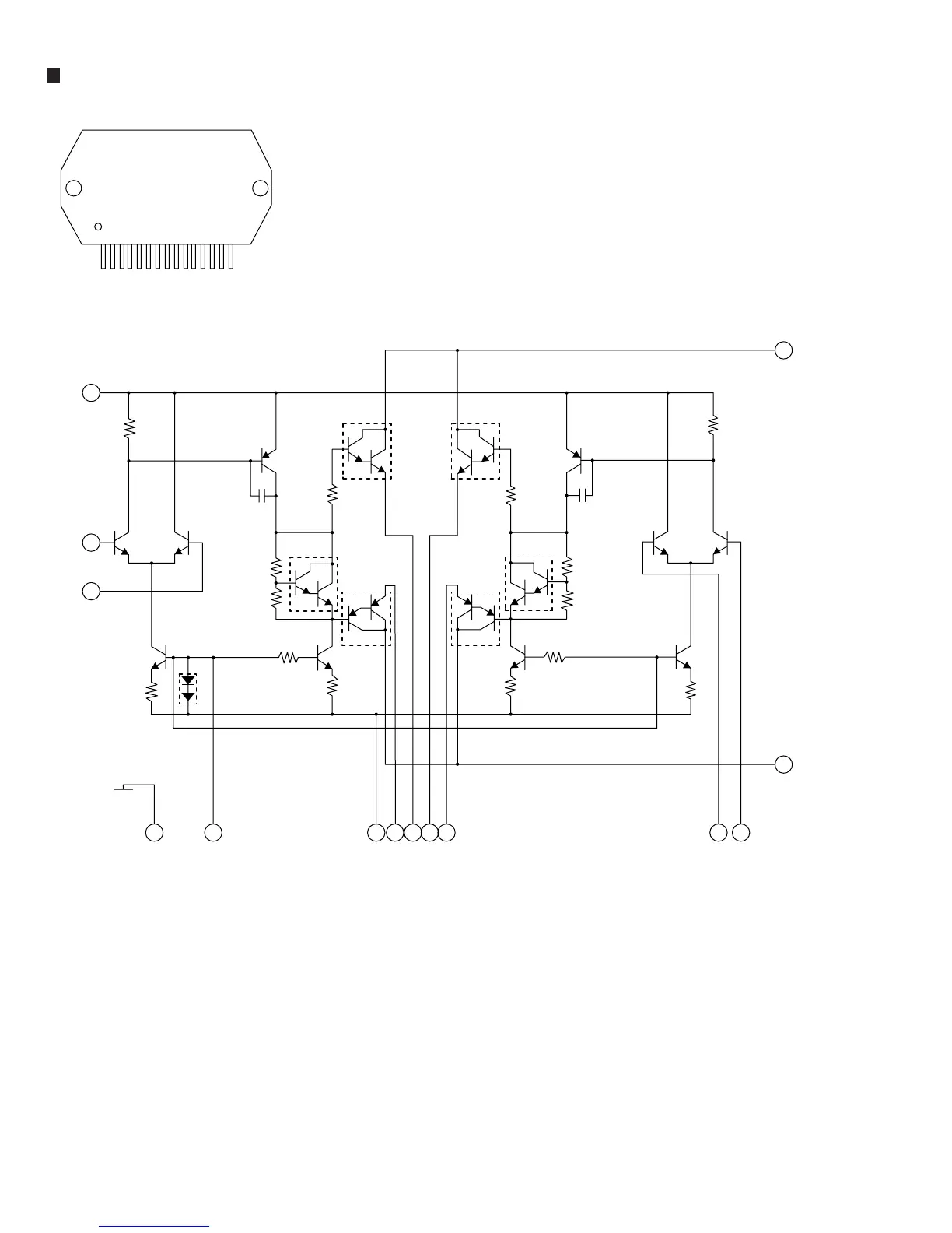
2.Block diagram
1.
Pin
layout
STK402-050 (IC602) : 2ch AF power amp.
R13
R15R14
TR1E
C2
R8
R11
R12
TR12
TR10
R10
TR13
R9
TR9
TR7
R6
TR4
C1
TR8
TR5
R3
R4
R5
TR6
R7
D1
TR3
R2
TR2TR1
R1
TR16
R14
SUB
8
9
151411106712513
4
1
2
1 ~ 15

Table of Contents

Related product manuals