EasyManua.ls Logo

JVC MX-G880V - Page 55

JVC MX-G880V
171 pages
Print Icon
To Next Page IconTo Next Page
To Next Page IconTo Next Page
To Previous Page IconTo Previous Page
To Previous Page IconTo Previous Page
Loading...
1-55
MX-G950V/MX-G880V
MX-G850V/MX-G750V
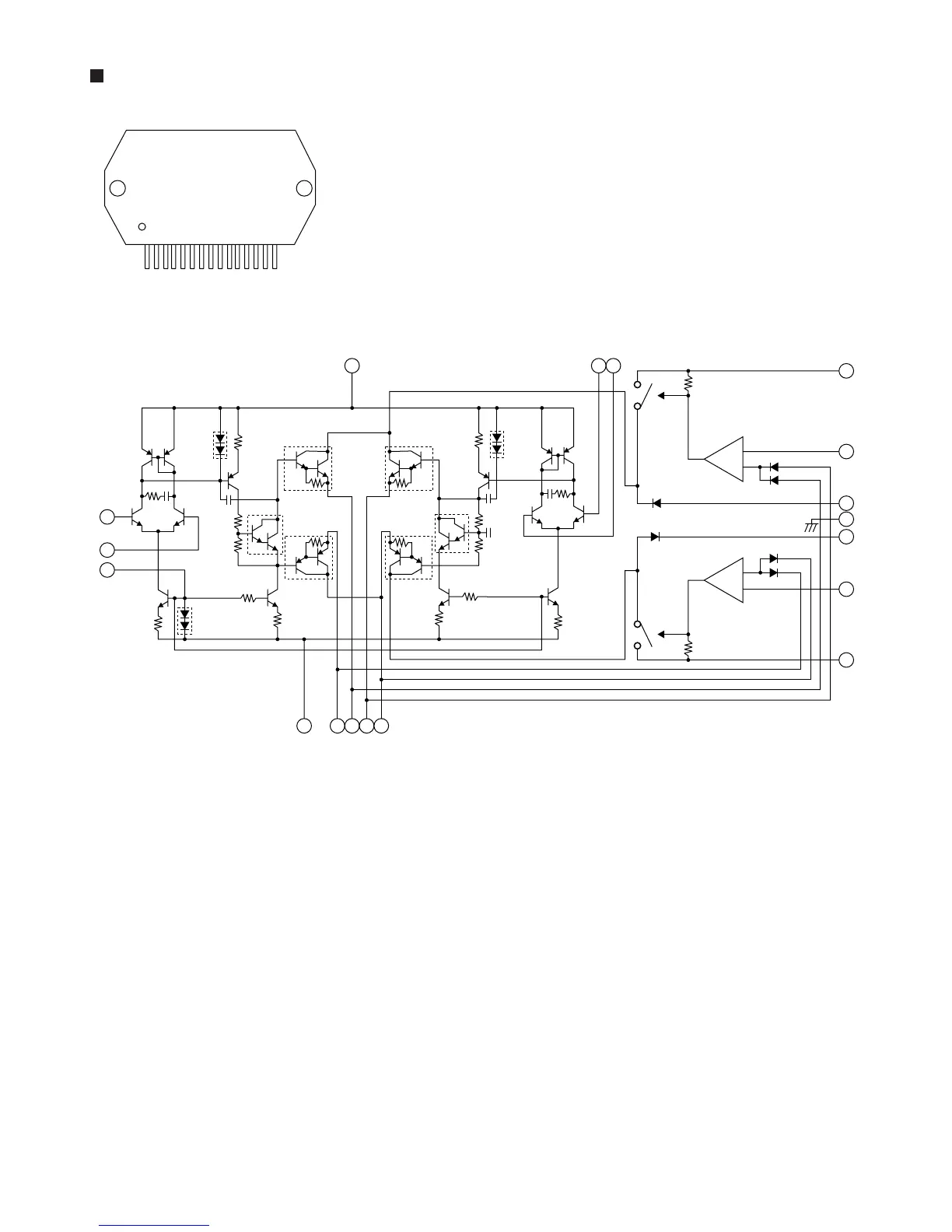
2.Block diagram
1.
Pin
layout
STK412-010 (IC701) : 2ch AF power amp.
1 ~ 18
1
1813
14
16
15
17
12 9 8 11 10
7
3
2
5
4
6
D42
D41
D51
TR41
TR11TR12
C11
TR14 TR13
R11
R41
D53
D52
R51
TR51
R12
TR17
R17
Comparator
Comparator
D43
SUB
TR15
R15
R15
R14
R13
TR16
TR18
TR20
TR19
TR9
TR6
TR8
R6
C2
C1R1
R4
TR4TR3
TR1 TR2
TR5
R2
R3
D2
R5
R7
TR7
TR10
C12
D12
D1

Table of Contents

Related product manuals