EasyManua.ls Logo

JVC MX-G880V

JVC MX-G880V
171 pages
To Next Page IconTo Next Page
To Next Page IconTo Next Page
To Previous Page IconTo Previous Page
To Previous Page IconTo Previous Page
Loading...
A B C D E F G
1
2
3
4
5
2-9
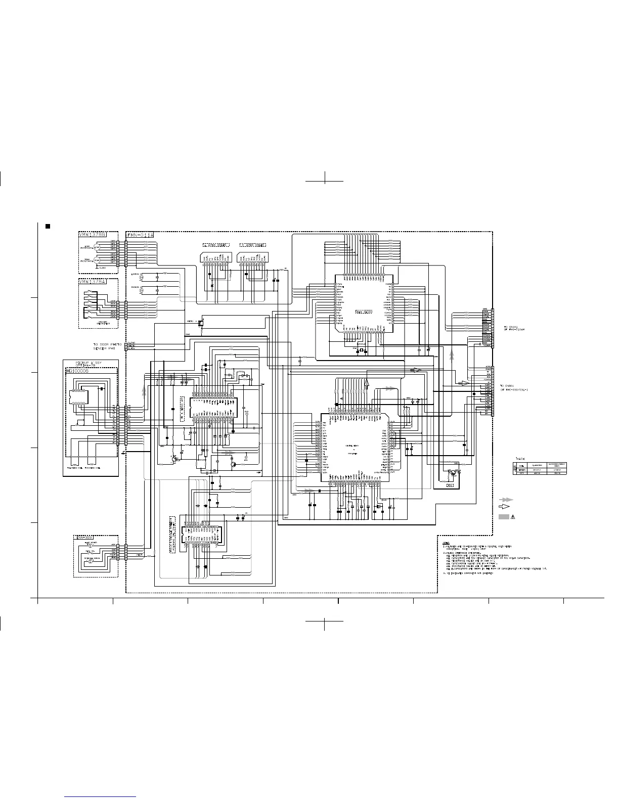
MX-G950V/MX-G880V
MX-G850V/MX-G750V
CD SIGNAL
DIGTAL DATA SIGNAL
Parts are safety assurance parts.
When replacing those parts make
sure to use the specified one.
R852
R802
R809
R808
C821 C822
R806
R805
R804
R803
C617
R851
C611
C619
C624
IC251
R631
C631
Q631
R666
R632
R635
R634
C632
R853
CN601
C633
R807
C606
C603
C604
IC852IC851
R602
R601
C602C601
R636
R854
W601
CN801
R262
R831
R832
R251
IC651
R661
R667
R263
C661
C651
X651
C652
R609
CN151
C653
C676
R682
R691
R692
C693
C694
Q632
C618
CN651
R615
R261
R252
C622
R293
R641
Q291
R292
R291
C291
R642
R253
R257
R255
R873
C641
C642
R254
C859
C860
C253
R670
R813
R812
R876
R875
R874
R872
R871
C816
R617
C815
R606
R677
R679
X251
C252
R888
R294
C251
R678
R614
C608
R889
R890
R891
R256
R892
R856
R893
L851
R607
R855
R894
R895
C852
TP2
Q842
R842
C855
TP1
C659
R660
C254
CN855
R887
R886
R885
R884
R883
R882
R881
R880
R610
R608
C620
M851
L853
M852
L854
CN854
R861
R862
R863
R866
R865
R864
CN851
P001
VR001
C001
P011
SW1
SW2
SW3
SW6
SW5
SW4
CN804
CN805
C658
IC801
C812
C814
R801
C801
C811
C813
C802
R624
C621
C677
C853
C614
C615
C612
C623
R687
R688
C610
R621
R604
R686
C854
C605
R603
D851
R616
R651
C657
C655
R652
R653
R654
R665
C656
R662
R663
R664
C663
C664
C665
C680
C679
R620
R619
R618
C673
R683
C669
R656
R657
R658
R258
R685
R659
R259
R811
C668
IC601
R669
R625
R623
C607
C667
C613
R613
R611
R622
R633
R647
R264
R684
R648
R649
R650
R668
C666
C672
R672
C671
R646
C616
1K
3.9K
1.2K
27K
1 220/10
24K
13K
220K
2.2K
330P
1K
NI
NI
100/6.3
MN101C30AEE
2.2
10/16
2SA1037AK/RS/-X
220
10
120
12
1
1K
QGF1016F3-15
0.022
1.2K
39p
0.022
0.022
LB1641LB1641
270K
220K
0.0010.001
10
1K
QGA2001C1-06
100
150
10K
NI
MN662748RPMFA
39k
4.7
100
470P
12P
QAX0413-001Z
12P
3.3k
QGF1016F3-15
0.1/25
0.1/25
1K
NI
NI
NI
NI
NI
NI
QGF1016F3-19
NI
100
1K
0.047
1K
150k
2SA952/LK/-T
10K
1.2K
47/10
390k
1K
1K
100
22K
0.022
2200p
100
1
1
0.1/25
100
NI
1.5K
22K
22K
22K
22K
22K
NI
NI
2.2/50
62k
100
100
QAX0283-001Z
33P
22K
1K
33P
100
22k
820p
22K
22K
22K
100
22K
0
22K
10
0
NI
22K
22K
10/16
NI
4.7K
0.1/25
1000P
10K
47/10
QGB2012K2-10
1K
1K
1K
1K
1K
1K
1K
1K
NI
0
47p
MSN-5D257A
10
MSN-5D257A
10
QGB2016K1-07
1K
1K
1K
1K
1K
1K
NI
HQMV7102-015
2KB
1
QGA2001F1-06
E406783-001
E406784+001
ESB110-005
0.1/25
LA6541-X
390P
390P
2.7K
0.0068
390P
390P
0.012
0
1
0.1/25
0.01
0.027
0.0047
1/50
1
NI
NI
0.027
560K
390k
NI
0.01
150P
120k
DZ5.6BSB-T2
NI
1K
220/10
0.1/25
1K
0.22
100
270
0.1/25
68K
120K
330
0.022
0.022
0.15
0.1/25
100/6.3
560K
15k
15k
1M
220/10
1K
1K
1K
1K
68k
1K
1K
22K
0.047
AN22000A-W
5.6K
0
8.2k
HDU-100
NI
1
0.1
3.3k
22K
8.2k
NI
1K
NI
560k
1K
1K
1K
1.5M
NI
0.33U
2.7K
NI
0
0.01
SQCK
SUBQ
/RFDET
OFT
RFENV
BDO
TRD
LDON
B+D
FE
GCTRL
FBAL
TBAL
A+C
B+D
F
E
F+
T+
T-
F-
FM-
SM+
SM-
FM+
/P.ON
KICK
TVD
TRV
P.ON
ECM
ECS
FOD
P.ON
TE
TRV
TVD
ECM
ECS
KICK
TRD
FOD
RFENV
FE
TBAL
FBAL
OFT
/RFDET
BDO
LDON
ARF
DABCK
/P.ON
TE
ARF
WVEL
VDET
A+C
F
E
VDET
WVEL
DALRCK
DADAT
CAM0
CAM1
CAM2
CAM3
CAM4
CAM5
CAM6
CAM7
LM-
LM+
RM-
RM+
1SSW
2SSW
3SSW
3MSW
2MSW
1MSW
T+
SM- T-
SM+
FM+
FM-
F+
F-
MLD
MDATA
1SSW
2SSW
3SSW
3MSW
2MSW
1MSW
MCLK
SQCK
BLKCK
/TLOCK
/FLOCK
SENSE
LMUP
XCLK
/LSIRST
CDBCK
CDLRCK
CDDATA
RMUP
LMDOWN
RMDOWN
LM-
LM+
RM-
RM+
STAT
SUBQ
CD servo and CD system control section
!

Table of Contents

Related product manuals