EasyManua.ls Logo

JVC MX-G880V

JVC MX-G880V
171 pages
To Next Page IconTo Next Page
To Next Page IconTo Next Page
To Previous Page IconTo Previous Page
To Previous Page IconTo Previous Page
Loading...
A B C D E F G
1
2
3
4
5
2-10
MX-G950V/MX-G880V
MX-G850V/MX-G750V
MX-G950V/MX-G880V
MX-G850V/MX-G750V
TAPE PLAY SIGNAL
TAPE REC SIGNAL
Parts are safety assurance parts.
When replacing those parts make
sure to use the specified one.
IC302
Q3312
R3376
Q3323
FW301
C3103
Q3314
Q3316
IC301
R3368
R3359
C3346
Q3302
D3307
C3101
R3105
D3308
L3202
CN306
CN305
Q3317
R3362
C3327
Q3313
Q3315
R3319
R3370
C3335
C3336
R3351
R3354
R3350
R3353
CN301
CN302
VR301
R3220
R3378
R3327
R3344
C3203
R3309
C3201
R3379
R3345
CN333
CN303
Q3324
R3367
R3383
D3309
R3330
R3331
C3501 C3601
C3502
C3602
L3301
C3102
C3202
Q3305
IC303
C3308
C3314 C3315
C3313
R3314
L3303
TP3301
VR101
VR201
R3335
R3203
R3103
C3316
R3355
C3301
C3220
C3120
Q3205
R3205 R3208
R3220
R3219
C3219
C3205
C3206
C3303
C3302
R3302
R3206
R3207
C3106
R3106
R3107
R3119
R3111
R3120
Q3105
R3117
C3306
C3119
C3113
R3108
C3341
R3315
R3301
R3336
C3345
R3348
R3347
C3204
C3339
R3121
R3221
C3340
D302
IC332
D311
IC331
R3366
R3361
C3555
R3311
R3214
C3216
C3215
R3218
R3217
R3212
R3213
C3213
C3207
C3211
C3212
C3214
R3374
R3211
C3305
C3114
C3112
C3111
C3107
R3118
R3304
C3116
C3115
C3105
R3105
R3113
R3112
C3344
R3114
C3304
C3342
C3104
SW316
SW305
SW304
SW303
SW306
R3369
SW302
AN7345K
2SB562( C)
10
KRC104M-T
QUM154-10Z4Z4
820P
2SB562( C)
KTA1267/YG/-T
BA3126N
22K
10K
560P
2SC2001( K)
MTZJ5.1B-T2
10P
47
MTZJ5.1B-T2
QQR0621-001Z
QGF1205F1-09
QGF1205F1-10
KRC107M-T
24K
47/16
KTC3199/GL/-T
KTC3199/GL/-T
47
10K
0.01
0.01
150
150
4.7K
4.7K
QGF1205F1-06
QGF1205F1-06
QVP0008-103Z
47
47
470K
220K
820P
1.5K
10P
20K
47K
QGB2011L1-10
QGB2011M1-10
KRA102M-T
10K
470
MTZJ5.1B-T2
10K
10K
820p 820p
270p
270p
MSI-5U2LWA
QQR1118-001
330P
330P
2SC2001( K)
BU4094BCF
0.0015
VGH0424-037
1.5
0.022
100/10
100
VGH0425-544
VQP0033-100Z
QVPA603-503AZ
QVPA603-503AZ
2.2K
18K
18K
0.01
3.3K
100/10
33P
33P
2SC3576-JVC-T
22 240
1K
20K
0.056
100/10
0.033
22/16
100/10
100
3.9K
2.2K
0.033
3.9K
2.2K
20K
5.6K
1K
2SC3576-JVC-T
3.3K
220/6.3
0.056
0.0033
240
100/10
15K
220
3.9K
330P
2.2k
3.9K
220P
100/10
1.2K
1.2K
0.01
1SR139-400-T2
SG-105F3-BB,C
1SR139-400-T2
SG-105F3-BB,C
27K
39K
1000p
4.7
390
0.0082
0.015
1.5K
3.3K
1.2K
270
0.0033
4.7/25
0.1/50
10/16
4.7/25
2.2
5.6K
0.039
4.7/25
10/16
0.1/50
4.7/25
1.5K
39K
0.0082
0.015
100/10
22
270
1.2K
4700P
390
4.7/25
4.7/25
220P
QSW0859-001
VGP2401-00A
QSW0859-001
VGP2401-00A
100
QSW0832-001
A/B
RECH
A/B
TKEY1
TKEY2TKEY2
PHA
RECB
RECB
TKEY1
TKEY2
PHB
PHA
RMUTE
PHB
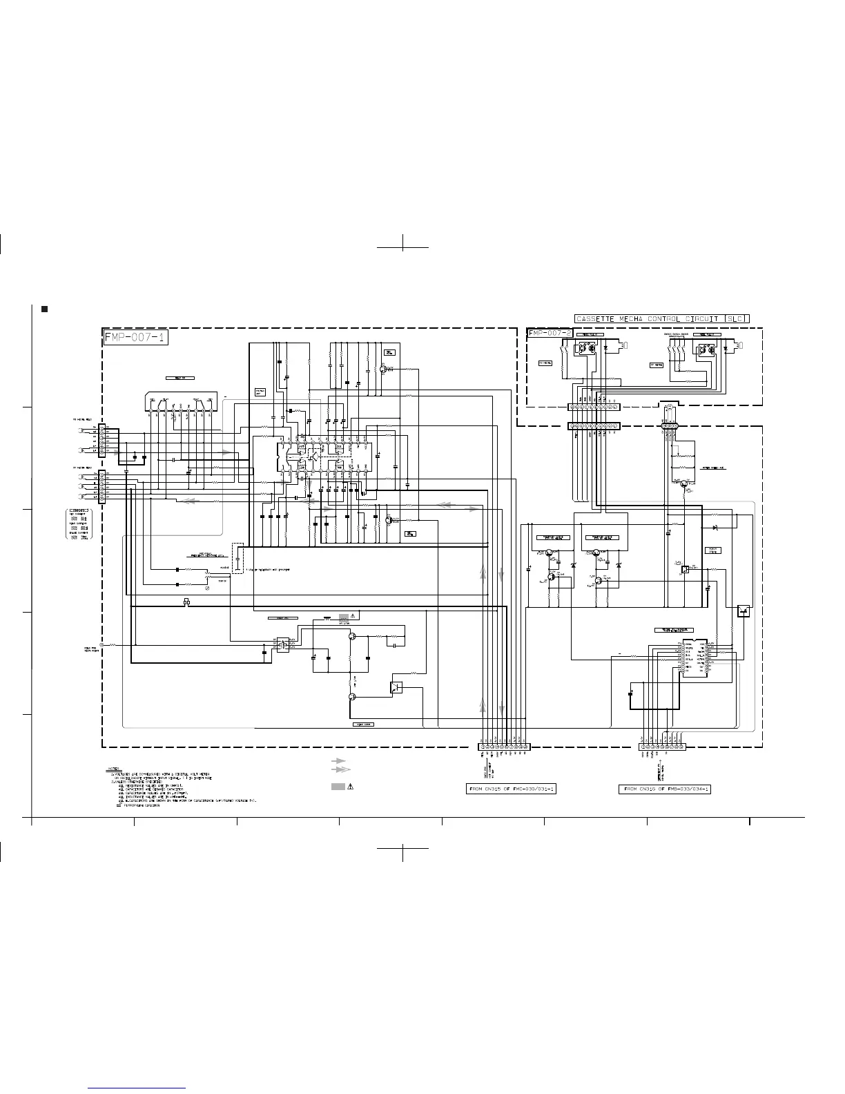
Tape deck mechanism control section

Table of Contents

Related product manuals