EasyManua.ls Logo

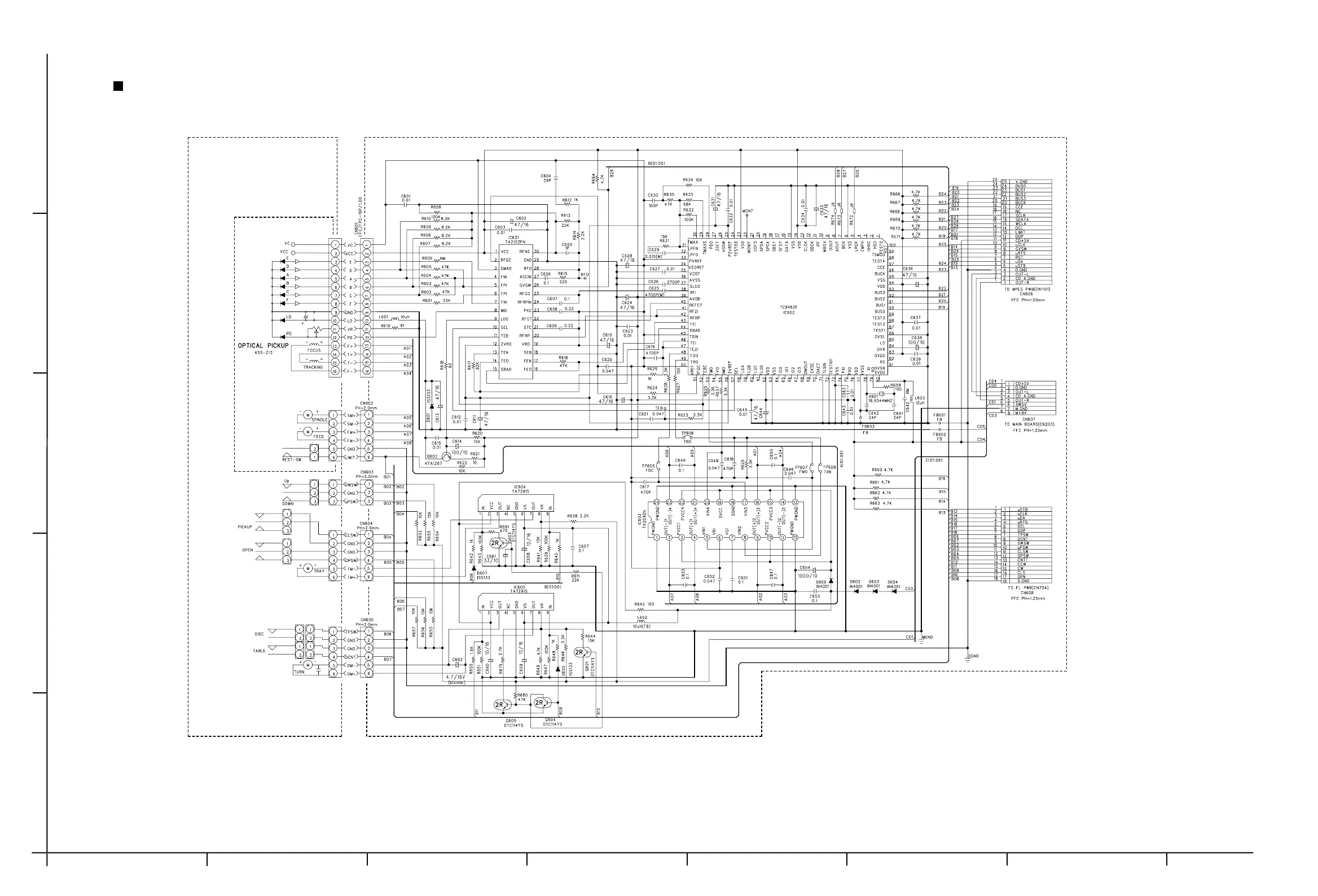
JVC MX-GA3V - Standard Schematic Diagrams; CD Servo Control Circuit

JVC MX-GA3V
65 pages
Print Icon
To Next Page IconTo Next Page
To Next Page IconTo Next Page
To Previous Page IconTo Previous Page
To Previous Page IconTo Previous Page
Loading...
MX-GA3V
2-2
MX-GA3V
Standard schematic diagrams
A
B
C
D
E
G
1
2
3
4
5
CD Servo control section

Related product manuals