EasyManua.ls Logo

JVC MX-GB6

JVC MX-GB6
85 pages
To Next Page IconTo Next Page
To Next Page IconTo Next Page
To Previous Page IconTo Previous Page
To Previous Page IconTo Previous Page
Loading...
2-9
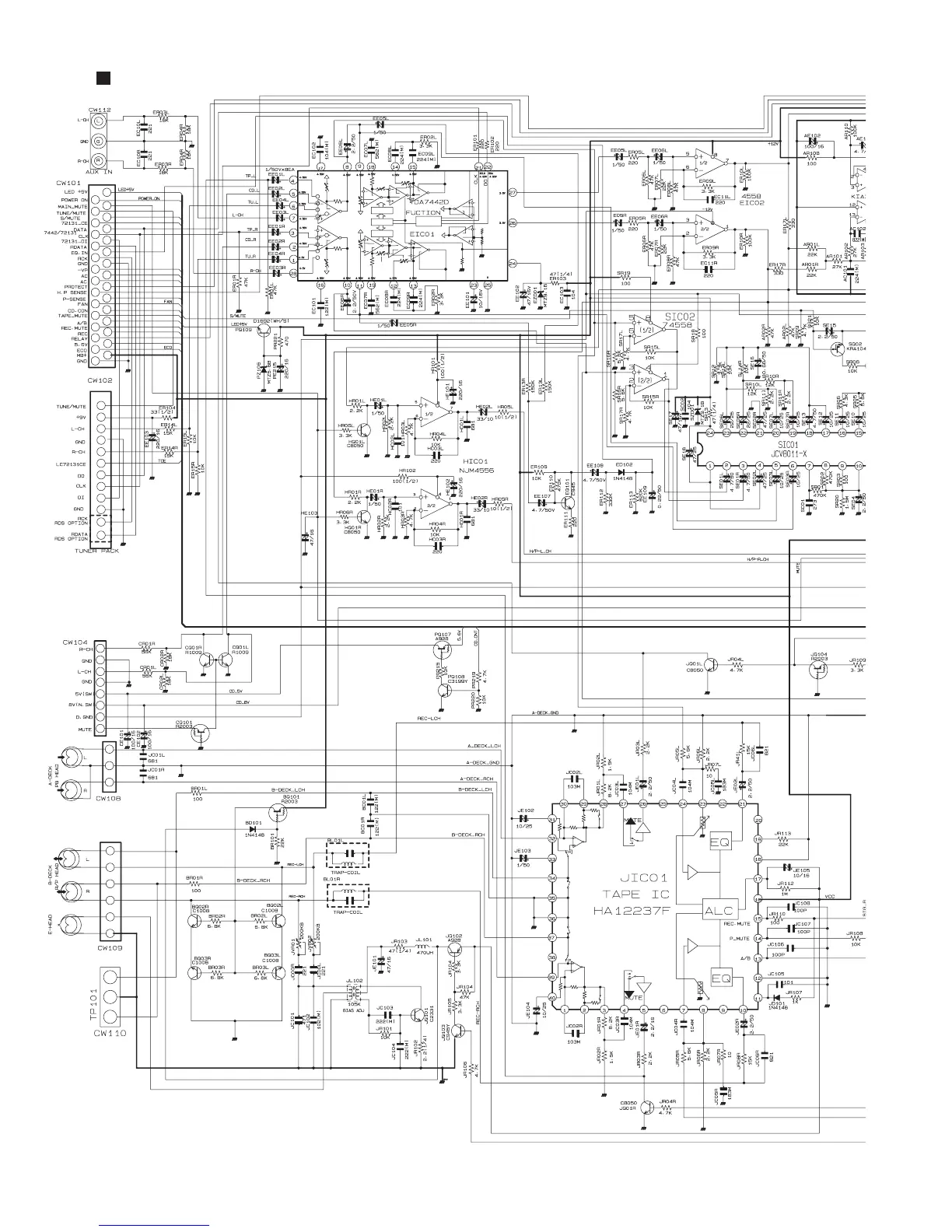
Main section (MX-GB5)

Other manuals for JVC MX-GB6

Related product manuals