EasyManua.ls Logo

JVC MX-J270V - Page 42

JVC MX-J270V
61 pages
Print Icon
To Next Page IconTo Next Page
To Next Page IconTo Next Page
To Previous Page IconTo Previous Page
To Previous Page IconTo Previous Page
Loading...
MX-J270V
1-42
Symbol
Lch OUT
VCO
LPF2
LPF1
MPX IN
AM OUT
FM OUT
FM QUAD
AM IF IN
Vst
AM MIX OUT
FM IF IN
Symbol
AM RF
AM S.SENS
FM S.SENS
AM OSC
AM OSC OUT
VCC
AGC
GND
IF OUT
TU IND
ST IND
Rch OUT
Pin
No.
1
2
3
4
5
6
7
8
9
10
11
12
Pin
No.
13
14
15
16
17
18
19
20
21
22
23
24
I/O
I
-
O
-
I
-
O
O
O
O
I/O
O
O
O
O
I
O
O
I
I
-
O
I
AMRF signal input
AM local oscillation circuit
AM local oscillation signal output
Power supply
AGC voltage input terminal
Connect to GND
IF REQ signal output to IC2
Indicator drive output when tuning
Stereo indicator output
"H"mono . "L"stereo
Output Rch
Output Lch
Voltage controlled terminal
When voltage of terminal is MONO
at "H" and ST at "L"
When voltage of terminal is AM at
"H" and FM at "L"
Multi plex signal input
AM detection signal output
FM detection signal output
Bypass to FMIF
Input of AMIF signal
Fixed voltage output terminal
Output terminal for AM mixer
Input of FMIF signal
Function Function
2.Pin Function
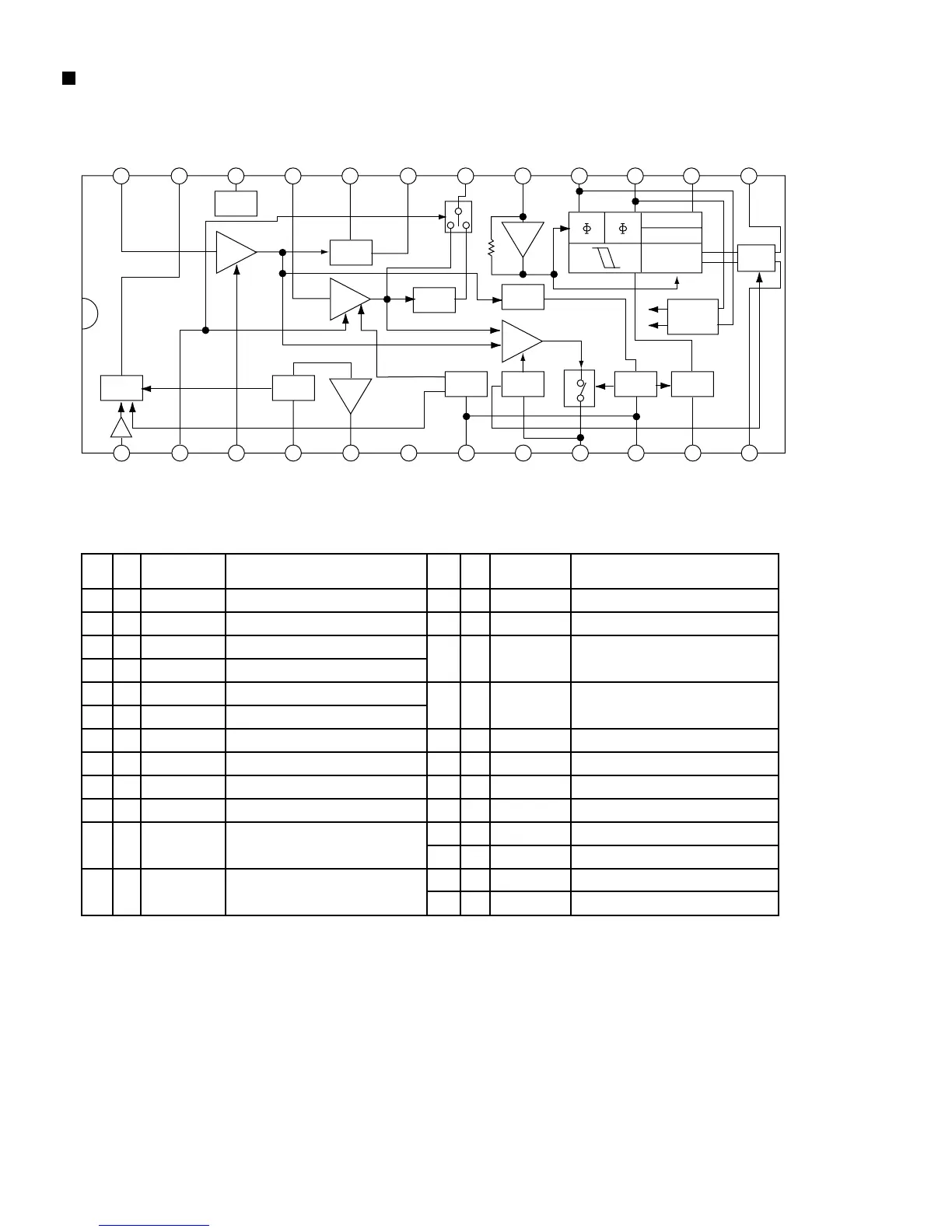
1.Block Diagrams
24 23 22 21 20 19 18 17 16 15 14 13
123456789 1110 12
FM
IF IN
AM
RF IN
AM
OSC
AM
OSC
OUT
Vcc AGC GND IF OUT
/REQ
TUN
LED
ST
LED
R OUTAM
S.SENS
FM
S.SENS
AM
IF IN
AM
MIX
OUT Vstb QUAD FM OUT AM OUT MPX IN LPF 1 LPF 2 VCO L OUT
REG
AGC
MUTE
VCO
DIVIDE
DECODE
FM
DET
FM
IF
AM
IF
IF
BUFF
BUFF
AM
MIX
AM
OSC
AM
DET
LEVEL
SW
AM/FM
MONO
SW
TUN
LED
ST
LED
IF REQ
SW
AM
TA2057N (IC1) : FM/AM IF AMP & Detector

Other manuals for JVC MX-J270V

Related product manuals