EasyManua.ls Logo

JVC MX-J270V - Page 44

JVC MX-J270V
61 pages
Print Icon
To Next Page IconTo Next Page
To Next Page IconTo Next Page
To Previous Page IconTo Previous Page
To Previous Page IconTo Previous Page
Loading...
MX-J270V
1-44
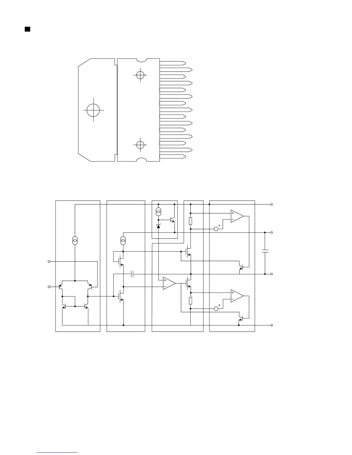
15
14
13
12
11
10
9
8
7
6
5
4
3
2
1
-Vp (POWER)
OUT
+Vp (POWER)
N.C.
N.C.
MUTE
STAND-BY
-Vs (SIGNAL)
+Vs (SAIGNAL)
BOOTSTRAP
N.C.
SUR
NON INVERTING INPUT
INVERTING INPUT
STAND-BY GND
BOOTSTRAP
IN+
IN-
BIPOLAR
TRANSCONDUCTANCE
INPUT STAGE
MOS GAIN &
LEVEL SHIFTING
STAGE
MOS OUTPUT STAGE
SHORT CIRCUIT
PROTECTION
-Vs
OUTPUT
BOOTSTRAP
+Vs
TDA7295 (IC101, IC201) : Audio AMP
1. Pin arrangement chart
2. Block diagram

Other manuals for JVC MX-J270V

Related product manuals