EasyManua.ls Logo

JVC MX-J270V - Page 54

JVC MX-J270V
61 pages
To Next Page IconTo Next Page
To Next Page IconTo Next Page
To Previous Page IconTo Previous Page
To Previous Page IconTo Previous Page
Loading...
ABCD E F G
1
2
3
4
5
2-9
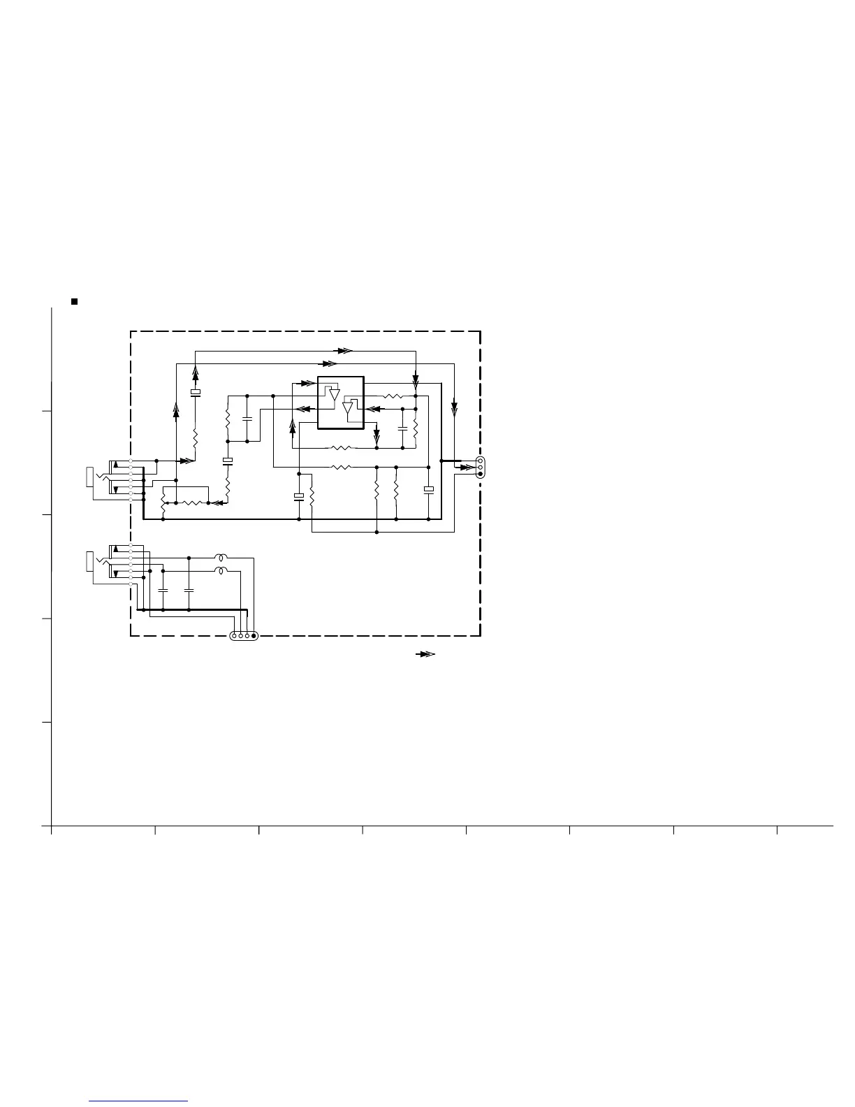
MX-J270V
MIC signal
SHEET 8/8
SHEET 2/8
SHEET 2/8
MIC / headphone section
J851
GNS007-002
J850
VMJ4026-001
1
2
3
FW852
1
2
3
G
4
5
6
7
VCC
8
+
-
+
-
IC852 BA15218F
C853 100P
+
C851 50V2.2
+
C854
50V2.2
+
C855 10V100
+
C856
10V220
R852 4.7K
R856 47K
R855 10K
R853 150K
R859 220
R860 12K
R854 3.9K
R861 10K
C852
100P
R858 2.2K
1
2
3
4
FW851
FW-4P-L300
VR851
50K-A
R851 4.7K
L852 47uH
L851 47uH
ROUT
SW
LOUT
GND
+B 9V
MIC
AG
C857
1000P
C858
1000P
R857
100

Other manuals for JVC MX-J270V

Related product manuals