EasyManua.ls Logo

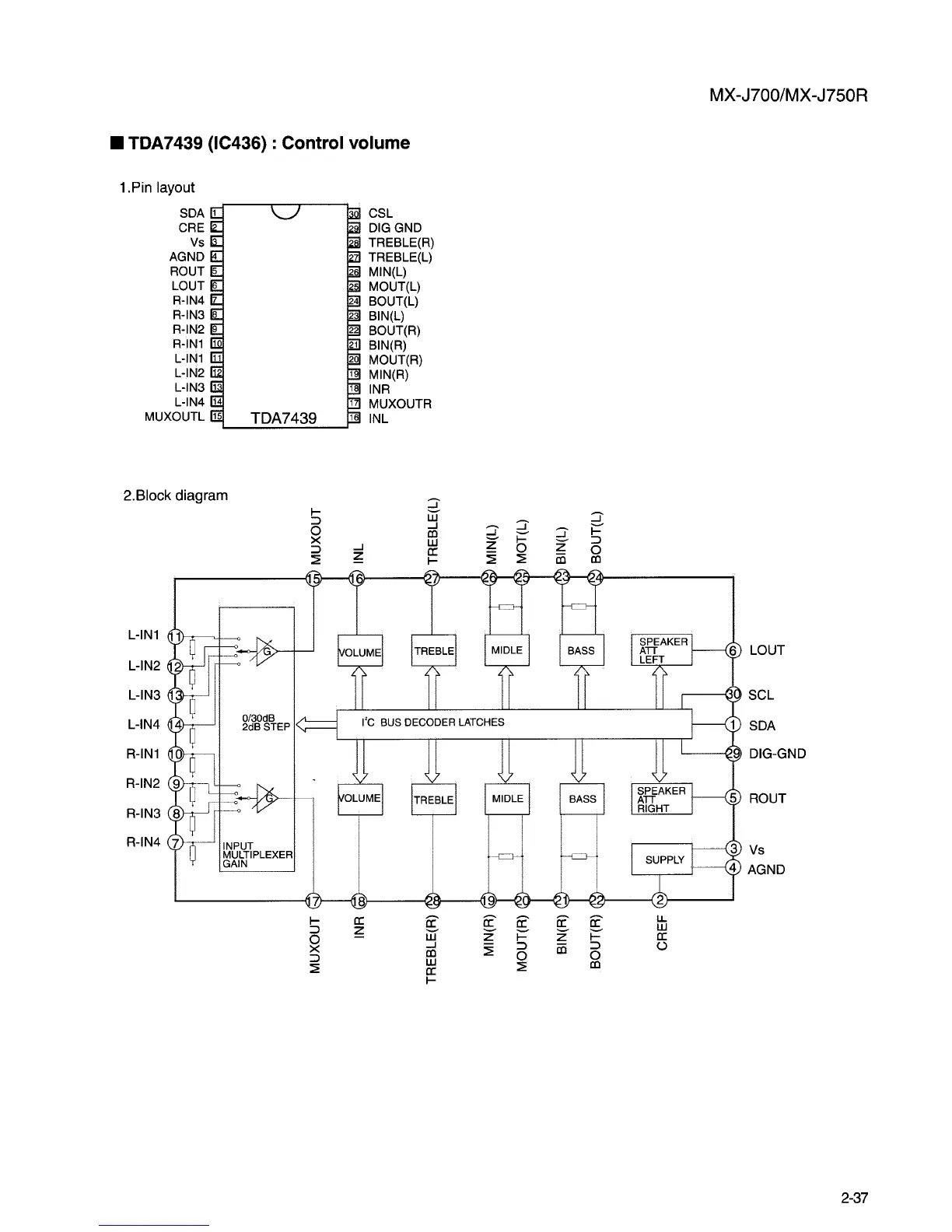
JVC MX-J750R - IC Descriptions; IC TDA7439 Description

JVC MX-J750R
132 pages
Print Icon
To Next Page IconTo Next Page
To Next Page IconTo Next Page
To Previous Page IconTo Previous Page
To Previous Page IconTo Previous Page
Loading...

Table of Contents

Related product manuals