EasyManua.ls Logo

JVC MX-K50 - Page 40

JVC MX-K50
44 pages
Print Icon
To Next Page IconTo Next Page
To Next Page IconTo Next Page
To Previous Page IconTo Previous Page
To Previous Page IconTo Previous Page
Loading...
MX-K50
1-40
KA9258D (IC301
(on the CD board)
) : 4-ch Motor driver
28 27 26 25 24 23 22 21 20 19 18 17 16 15
1 2 3 4 5 6 7 8 9 10 11 12 13 14
GND
GND
10K
REGULATOR
10K
10K
VCC VCC
10K
10K
T • S • D
10K
10K
10K
50K
MUTE
+-
LEVEL SHIFT
-+
LEVEL SHIFT
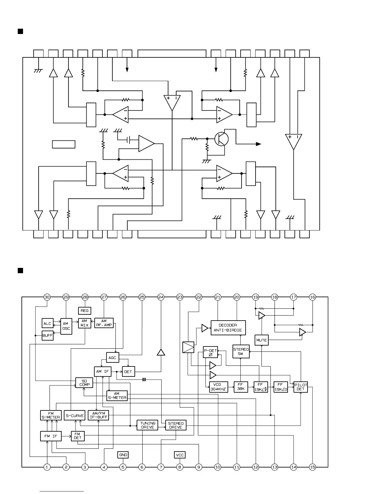
LA1837 (IC01) : FM IF/DET AM RF/IF/DET
1.Block diagram
1.Block diagram

Related product manuals