EasyManua.ls Logo

JVC MX-S6MD - Flow of Functional Operation until TOC Read (CD Section)

JVC MX-S6MD
70 pages
Print Icon
To Next Page IconTo Next Page
To Next Page IconTo Next Page
To Previous Page IconTo Previous Page
To Previous Page IconTo Previous Page
Loading...
MX-S6MD
1-39
REST switch to ON
by slider
TE offset auto adjust
Laser ON
Disc detection
Auto measure FOS
curve amplitude
FO offset auto adjust
Disc rotated
Focus servo ON
(tracking servo ON)
Auto measure
TE balance
Auto measure
TE amplitude
FO balance auto adjust
Disc to be
braked to stop
TE servo
ON start
TE servo OFF
start
Disc status
to rotate
TOC reading
finishes
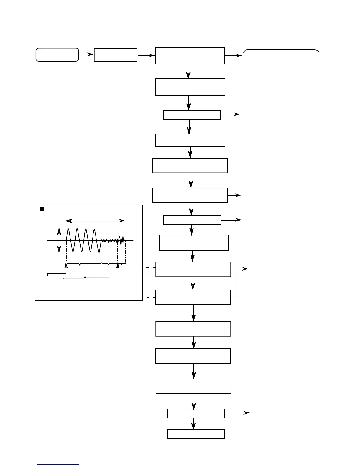
Automatic measurement
at TE amplitude and
TE balance
500mv/div
2ms/div
Approx.3sec
IC601
25pin(TE)
Approx
1.8V
VREF
Tracking error waveform at TOC reading
Power ON
Disc play Key
Confirm that the Focus error
S-curve signal at the pin28 of
IC603 is approx.2Vp-p
Confirm that the signal form
pin24 of IC603 is 0V as a
accelerated pulse during
approx.400ms.
Confirm the waveform of the
tracking error signal at the
pin25 of IC601.
(about 1.8Vpp)
FO gain auto adjust
TE gain auto adjust
TOC read
Play
Confirm the eye-pattern
at the lead of TP602.
Check Point
Check the voltage at the pin40
of IC603 + side is +5V?
Check that the voltage at
the pin33 of IC701 or pin3
of CN694 is 0V(a moment)?
Flow of functional operation until TOC read (CD section)

Related product manuals