EasyManua.ls Logo

JVC MX-S6MD - Page 68

JVC MX-S6MD
70 pages
Print Icon
To Next Page IconTo Next Page
To Next Page IconTo Next Page
To Previous Page IconTo Previous Page
To Previous Page IconTo Previous Page
Loading...
MX-S6MD
1-68
on / off control 1
Np (Vref) 3
GND 2
6 Vin
4 Vout
VOUT
Thermal Sensor
Cnp
Bandgap Reference
GND
VIN
Rin=550k
on / off Ccont.
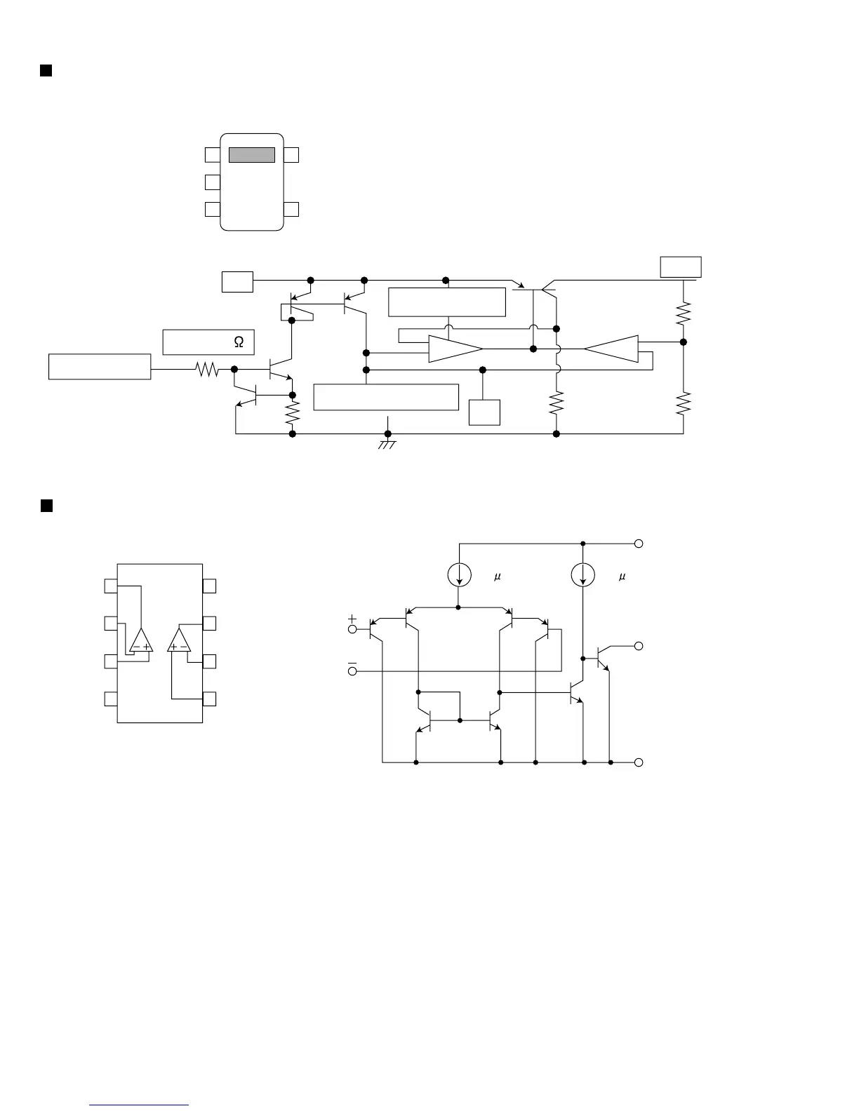
TK11140SC-W (IC485) :
1.Pin layout
2.Block diagram
OUT1 1
Ii1 2
IN1 3
V- 4
8 V+
7 OUT2
6 Ii2
5 IN2
12
IN
Ii
Q1
Q2
Q5
Q6
Q3
Q4
Q7
Q8
V+
OUT
V-
100 A 100 A
UPC393G2-W (IC602) :
1.Pin layout 2.Block diagram

Related product manuals