EasyManua.ls Logo

JVC RC-XC3BK - 12. Standard Schematic Diagram

JVC RC-XC3BK
90 pages
Print Icon
To Next Page IconTo Next Page
To Next Page IconTo Next Page
To Previous Page IconTo Previous Page
To Previous Page IconTo Previous Page
Loading...
RC
XC3BK
B/E/EN/G/GI
1
2 3
4
5
6
7
8 9
10
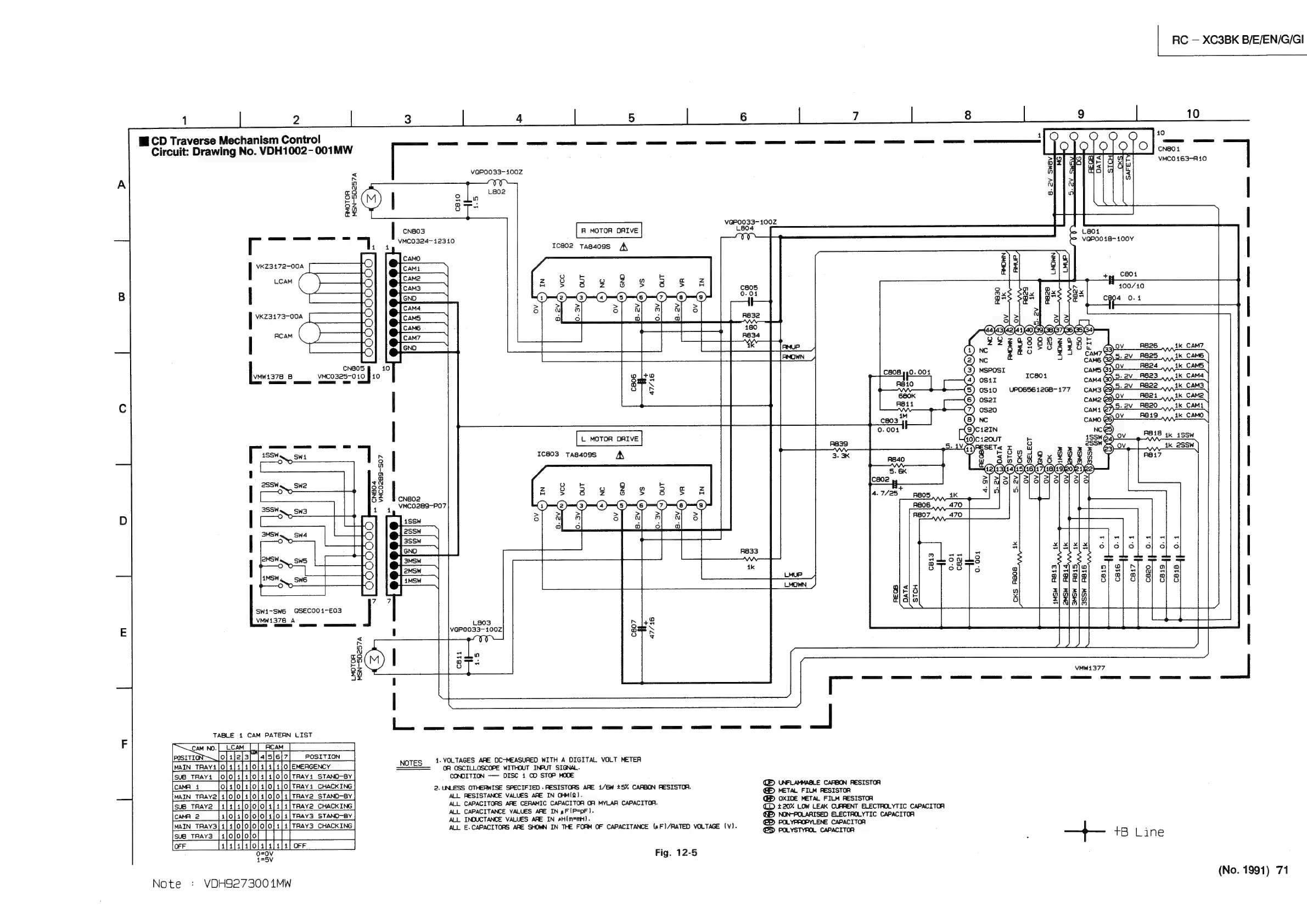
Circuit:
Drawing
No.
VDH1002-
001MW
OlOTOTO
Sa
>
VMCO
163-A10
VGP0033-100Z
&
e
RMOTOR
MSN-50257A
eal
VGP0033-100Z
CN803
R
MOTOR
DALVE
L804
Es TE
ee
Ly
VMC0324-
12310
T
“l
4
Ics02
tTas409s
A
CAMO
|
VKZ3172-00A
LCAM
!
VKZ3173-00A
iii
|
ACAM
CN805
10
VMW1378
B
VMCO325-010
§
10
wo
Oo
41SSw
7
L
MOTOR
OARIVE
IC803
TAs409S
A
VMCO289-S07
»
CN804
4
4 1
4
0
0
ie) [e)
{¢)
s
2
=
>
a
as
@
8}
o|
o|
S|
S|
8
;
g
SW1-SW6
GSECO01-E03
VMW1378
A
at
eS
L803
VQGP0033-100Z
G3}0v__AB26_,,,
1k
CAM7
|
.2V_
R825...
1k
CAME
Sov
AB24
1k
CAMS
|
B55:
2V_
A823
vik
CAMA
cams
@opS-2¥
neze
1k
CAM3
ae
Sxov
B24,
1k
CAM
|
a
241...
1k
CAM2
eins
G45.
ev
AB20_,,
1K
CAMs
|
av
azo
ik
CAML
ane
Ga
Ov
RBIS,
3K
CAMO
|
4
4k
CAMO
=
S
ov
AB18
1k
1SsW
Ove
Tay
tk
25H
go
RAB17
|
S
|
wo
~~“
[+]
Ge
|
=
uv)
wo
;
|
VMW1377
|
||
Pea
haere
TABLE
1
CAM
PATERN
LIST
Ee
a
o[sf2[afla[sle]7[Posrtz0n
_|
warn
tRavalola[s[slols|s[s[olemencency
—_|
[sue
tray1
[ofo[s|s{o|1[s/olo]taays
STAND-BY
|
4
NOTES
1.
VOLTAGES
ARE
OC-MEASURED
WITH
A
DIGITAL
VOLT
METER
==
——___—OR_
OSCILLOSCOPE
WITHOUT
INPUT
SIGNAL.
CONDITION
——
DISC
1
CD
STOP
MODE
[cama
1
folafo[sfo[sfo[sfo[trava
crack
rns
2.
UNLESS
OTHERWISE
SPECIFIED.
RESISTORS
ARE
1/6W
+5%
CARBON
RESISTOR.
CD
FLAMMABLE
CARBON
RESISTOR
[MAIN
TRAY2|1[olo|1/o[4[olo]4|tRav2
STANO-BY
ALL
RESISTANCE
VALUES
ARE
IN
OHM(Q).
©
METAL
FILM
PESISTOR
sua
trav2
[1]1[1[ololol1]1[1]tRav2
CHACKING
|
ALL
CAPACITORS
ARE
CERAMIC
CAPACITOR
OR
MYLAR
CAPACITOR.
2)
hetranteeaniaet
RESISTOR
[cama
2
_|alolsfofolol1lol1[tRava
STANo-By
|
ALL
CAPACITANCE
VALUES
ARE
IN
gF(P=pF).
LOW
LEAK
CURRENT
ELECTROLYTIC
CAPACITOR
MwaIn
Taava|
[410]
AoeeR
ers
ALL
INOUCTANCE
VALUES
ARE
IN
«H(m=mH).
NON-POLARISED
ELECTROLYTIC
CAPACITOR
MAIN
TRAYS
lofofofols|1[tRay3
CHACKING
ALL
E.
CAPACITORS
ARE
SHOWN
IN
THE
FORM
OF
CAPACITANCE
(sF)/RATED
VOLTAGE
(Vv).
aii
lng
pent
[1
]o}o]o}
elie
akon
ota
a
©
POLYSTYROL
CAPACITOR
fa
ra
i]
3
ine
Only,
Fig.
12-5
Note
+
VDHS9273004MW
(No.
1991)
71

Related product manuals