EasyManua.ls Logo

JVC RX-807VTN

JVC RX-807VTN
83 pages
To Next Page IconTo Next Page
To Next Page IconTo Next Page
To Previous Page IconTo Previous Page
To Previous Page IconTo Previous Page
Loading...
i
RX-807VTN
WM
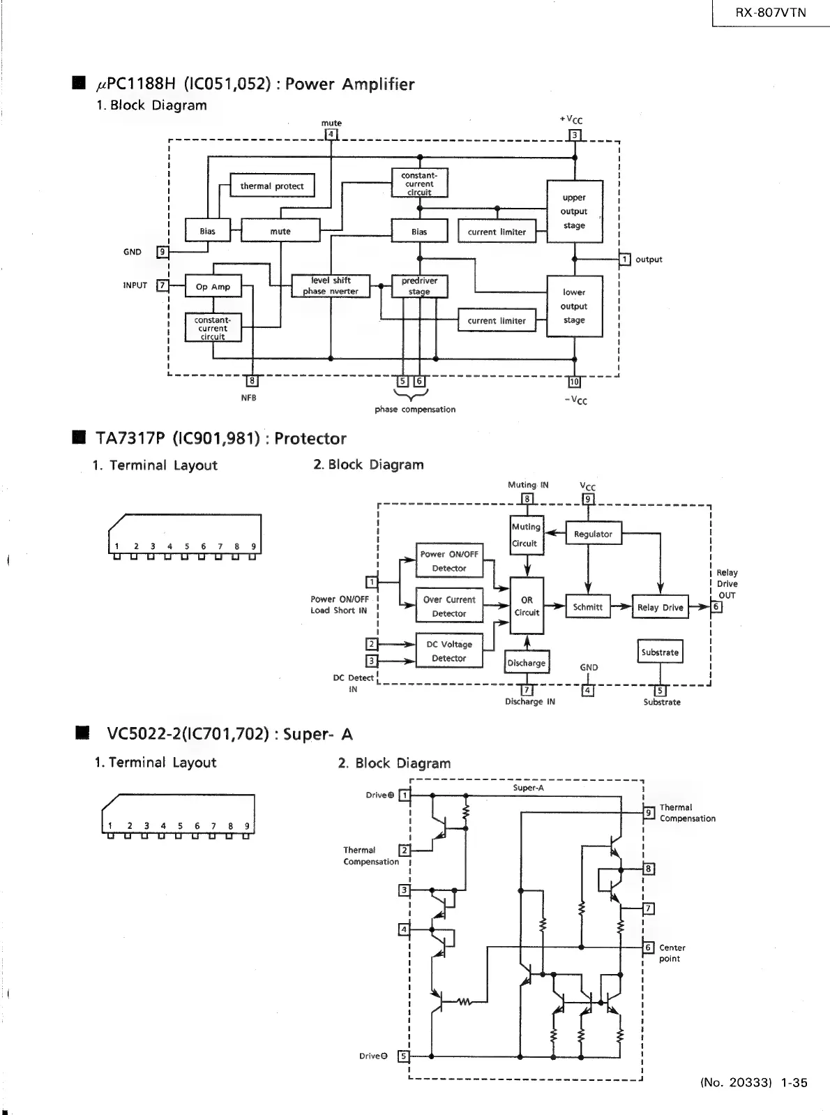
«PC1188H
(1C051,052)
:
Power
Amplifier
1.
Block
Diagram
output
a
|
stage
current
limiter
mute
;
*Vec
3
pitepi
We
ask
Se
Oe
ee
es
Ne
Be
El
ere
'
!
1
1
i !
i
constant-
!
current
H
thermal
protect
circuit
\
I
upper
I
! !
I |
I |
I
[
I
|
11]
output
level
shift
predriver
PI
sia:
phase
nverter
i]
ee
H
constant-
H
current
I
circuit
|
1
|
Ce
eeletieiemelieetencieiesteedttetett
Eee
soc
en
ee
oe
ee
aml
lower
output
stage
current
limiter
NFB
4
-Vec
phase
compensation
HM
1TA7317P
(1C901,981)
:
Protector
1.
Terminal
Layout
2.
Block
Diagram
Muting.
IN
Vec
1
Relay
'
Drive
OUT
Power
ON/OFF
|!
Load
Short
IN
H
i}
f
awed
Discharge
IN
Substrate
M
=
VC5022-2(1C701,702)
:
Super-
A
1.
Terminal
Layout
2.
Block
Diagram
Thermal
Compensation
(No.
20333)
1-35

Related product manuals