EasyManua.ls Logo

JVC RX-807VTN

JVC RX-807VTN
83 pages
To Next Page IconTo Next Page
To Next Page IconTo Next Page
To Previous Page IconTo Previous Page
To Previous Page IconTo Previous Page
Loading...
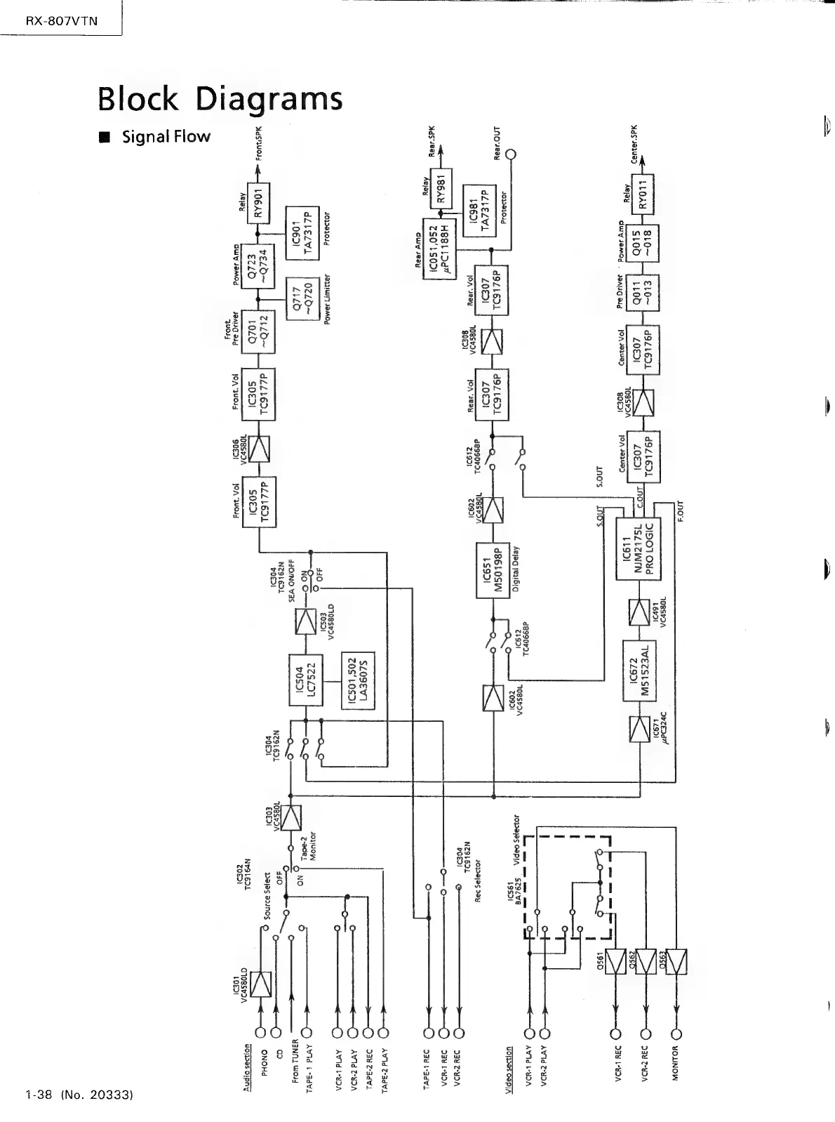
1-38
(No.
20333)
NO"
YOLINOW
con
i}
8L0~
ELO~
dOLL6DL
L—
dOZLEDL
Dd1ID01
OWd
year
Le
iste
|
|
Lt00
Zoe
PKL
zoe
PROS]
Sectewen
EGE
33Y
ZUDA
Rea
WBSPIA
19>
_—
22991
_—
duyJeMOd
=
aaaugalg
JOA
JanveaD
@0E31
JOA
saqua>
!
Day
EHDA
no's
INOS
AW
1d
[HDA
O
d8990P2L
|
eee
AWId
L8DA
Aejag
yeubig
z193!
bes
Jopajas
capi
=
SZ79LV8
;
JODeIOlE
O
od
19891
TORS
OSEIA
4nosesy
d9ZL6DL
d9ZtL6DL
d86L0SW
a
al
dLZbELVL
LOE!
LOEDI
LS9DI
>
1863!
:
WORSPIA
:
2a990ro1
Jo2D9|95
23y
Ton
ae8y
ly
JOA
388
Z1991
NZ9L69L
POED
GY
ay
UDA
Het
1D”
Om
Oe
dds
seay
7S0't
SOI
duu
sesu
°
)
oa
b-advL
i
REC
a
Te
|
SL09EV1
D3Y
Z-AdVL
70S’
L0S))
AW1d
2°UDA
d0198101d
Jaq]
JaMOd
AIBSPIA
AW1d
LUDA
=
sio
£0891
5
dLLELv
i.
0ZL0~
oF6.
o—kK
|
z7SL41
OO
eae
$e)
AVI
|
ev
L063!
L140
vOsdl
—=
4
xo
6
40)
44O/NO
V3S
O_O
O
Oe
YIN
WHOL
hae
S
5
“poe
NZSLEDL
TOREEDA
430
yg
eg
a2
veLo~
71LO~
dLZL63L
L——
dLZ169L
1
Daas
921N0S
©
dasiwuosg
LOBAY
2
ONOHd
©)
106A
EZLD
L0Z0
S0€D1
KI
coe
Raise
2
$f
L—o
1)
©
18
duly
Jamod
JaAIG
asd
JOA
3U01g
aeeeon
cere
ae
gsr
Donbas
oipny
a.
oe
“Wwosd
2
oy
=
we
a
oO
2
Diced
rn
aa)
a
2
kK
>
KR
oO
00
x<
cc

Related product manuals