EasyManua.ls Logo

JVC RX-807VTN

JVC RX-807VTN
83 pages
To Next Page IconTo Next Page
To Next Page IconTo Next Page
To Previous Page IconTo Previous Page
To Previous Page IconTo Previous Page
Loading...
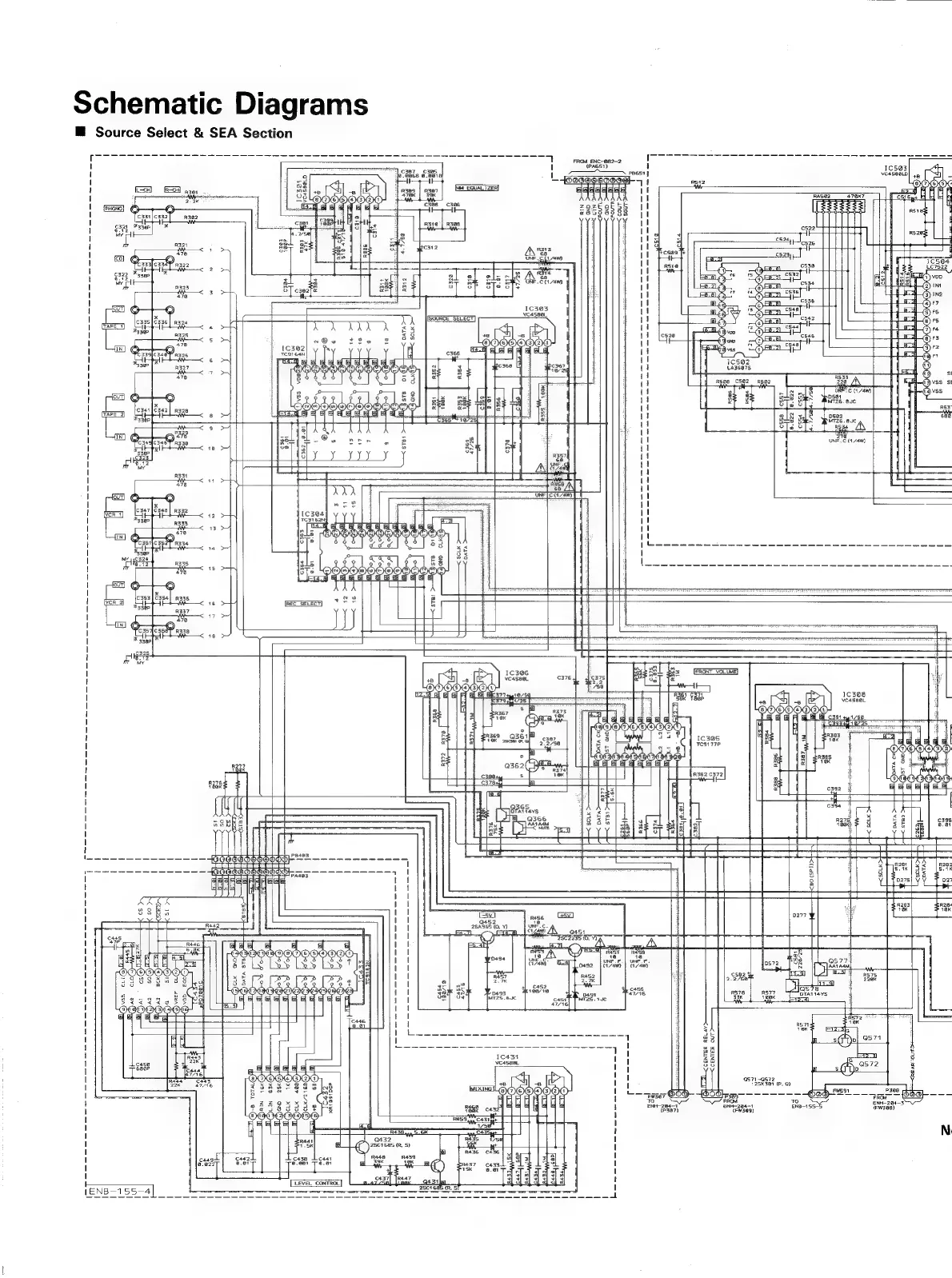
Schematic
Diagrams
M@
Source
Select
&
SEA
Section
-----------------------------------4
FROM
ENC-082~2
!
|
(ngs)
i
1¢53
i
°
<a8ee
0.001
VCABGOLD|
45
-
!
53
Rese
BAKEKSK
3
far
EQUAL
ZEA)
!
35
|.
3.
ages
|
ager
|
SEESRLIEEA
it
zs
!
L8L@QHOOO@AECK
11
RAGO?
47087
cared
I
e388
306
il
Rs18:
(
=
e
1!
1
czy
$
S88BHA
EHH,
R31e
|
A398
tl
1
wm
US)
ee
11
e522
“5
we
im
és
ol
el
+t
q
R520:
|
mal
my
o
tls
5
6524,
got
5x.
OF
2
nS
14
|
ec
1
Bey
BF
is
2.
~
C512
{
+t
4
H
or]
ety
sed
18
+
|
Freses
523
|
ss
de
|
1
{tt
th
Toso4
t
(
R510
530
Leer
i
i
i
3.
eae
Las
t
$
¢
s
gl
e,
gis
Vt
¢
©
praca
a
33]
dla
ve
H
FS
S
Fd
ST
SP
STs
it
Seat
4
i.
2)
Int
ST
cgo2
e
&
i
yO
ese
ine
|
é
aa
el
|
|
1
é
oem
;
07
1C3@3
cry
C540
|
Sa
SCTE
vesseot
¢
ST
es
2"
|
cass
|ezz6]
raza
Yi
=
it
4
é
ERA
t
6)
5
|
aaa
Sf
es
ae
eae
pe
ee
eee
P
11
eae
See
I
R325
<0
+8 +a
11
jcsze
in
C546,
o
48
Ong
«
$20
¢
DOOOOOOd
Me
«8s
¢2
eo
OEE
tt
2
,
bam
1C302
!
ste
it
vas
a
faa
3
339[c340
ex26
Tesi
64N
Y
6
Or
|
xi
6
>
si
a
.
i!
1502
2
{
R327
3]
es
et
z
368
C381.
it
Laze07S
%
yee
:
m
‘q
‘SE
|
470
8
54
rs ra
14
\
g
od
{
t
Rs@a
CS@2
RS5o2
G3VSS
SE
vw
¥
7
=
\
2
o—
‘ag
§
i
ale
le
ale
eS)
vss
oui]
ra
aed
ey
ie
ES
=
ss &:
8
md
&
t
S
ao
ass
ins
Lads
|e
it
“ep
Fi
S
ut
S
x
Kaye
S
oO
@
2
ine
aca
s
:
ree
[eae
|Ese2]
razo
POPOL
OLS
oe
|
@f~
ert
[ope
te
Fa
t
=
hed
a
E
ci
o|%
ye
D502
680
;
3350p
seetriars
&
!
:
BLY
Foes
petee.
auc
H
rae
;
He
STs
oly
Read
Rao
5
“hi
Lin
fe
acl
4a
=
i
'
dea
nas0
H(t
S
ue
eon
4B
gt
el
i
WF.
7a
!
X50
[*
aad
aan:
yy
yyy
y
y
Sgt
3
i
!
eee
8
rf
R357
1
8
[gel
re
11
sav
we
(
tl
R331
=
:
a
5
eA
it
|
on
TRE[Ecizam9
i
.
|
Eales
Gea
It
'
yeaa
ASF
(C3@4
|
z
42
>-h
]
i
sop
Aaae
To9162N)
VW
\
MM
|
el
a.
!
Tw
ra
DOOOE
¥
CasiCas2h
rasa
qe
aa
an
a
a
ee
ee
se
ee
'
%
14>
‘oo
oO}
30°
H
wy
yc324
POT
g2|
36
\
Atte:
R335
3
5
a
ee
Es
ee
t
Pe
15
>
fy
Ho
(+
Kia
(eo
Kr
(@
Kor)
a,
I
four)
H
7
A
;
:
ot
nem
-
———
j
c3s3[C3s4]
R336
wee
2
vcr
3]
16
>
REC
SELECT)
75
&
!
“site
8337
Y
1
17
H
2%
1
Ca5qCa5ey
R338
4
—$———_—
~
f]
&
sap]
aL
aoa
sy
sree
-
sen
!
C325,
E
mes
|
!
wl
[ew
;
1
P
10306
se
eel
sos
ERONT
VOLUN]
ally
'
4p
a
veaseel,
c3764]
[375
es
Sol
te
ate
2.2
Ag
0
Ky
;
PLA
GN
eS
Bes
7ayie/
GR
SEE
1c308
L
|
BTS
725
ee
+8
«4
veasaet
g
|
3
i
aoe
eaee
BXTKEKE
ONE
$
R367
‘Yen
:
:
4
4
seen
7
AM
32
sat
!
°
a
te
4
g
(8
£XS
a
4
"
7
lithe
!
i
Ton
307
a
1C305
nm
z
H
a
paca
272,
g,
ao
709477P
=
7
%
I
g
7
yO
Ex
2
3
R388
g
3
fax
|
8272
&
a362(
PE
a &
!
1ooK
Rava
R362
C372,
¢
s
ToK
i
o.
3
\
5ae
C78
ce
=
&
Fae
ety
@
6392
|
Prd
#
f
ne
4
|
ef
4
i
Py
0394
|
BAS
Favs
Ade
a
ia
|
ba
a
Q366
3<F
3
rom
¢
A
pa
6395
ss
2
2.
DAIASM
S$
Oo
3.
oJ
g
ae
ae
3
Pd
wire
ae]
3
q
3
"ae
GE
|
ae
|
Stet
1
ne
ae]
=
Zin
(e
a
!
I
A a
aa
Cee
oes
ea
eS
=
A
Raa
R2e2
ee
ie
ete
ae
ee
8
ol
eee
i
:
SPE
ae
[8782
3
'
|
a
y
i
|
it
I
e
It
R203
ony
'
SEES
&
1d
yj
=a
rs
aK
!
Y
tol
452
te
me
!
R4a2
1 1
25A365
(0,
Y)
ean,
/\
re
+4
451
!
cass
rt
-
BO,
I
idee
Rae
1
ee
aN
x
ona
5
|
eS
PYOYCBODOOOOO@OC
It
aoT
|
RaSB
ae
¢.
PS
S
It
0434
3
{
PP
UNE.F.|
UNELE.
Fe
9577:
1]
e
a&
LS
'
tt
pasa
|iiyam
|
Gam
os72,
"8
ARI
ARM|
ay
|
DOCKIOOOG
E
re
!
oe
ue
ye
sy
sip
it
wey
peer
2
Soe
is
eae
i
338854088
hol
28
PR[AL
TAP
a
°
2.7K
2.7K
22¢h
|
aa
a
a
2
a9
+
tot
zo)
ne
cas2
Fleer
as
a
Be
&
1
|
ot
.
Cx
694
2
iol
aoe
$5
pes,
Tene
pest
a6
ms78
|
A877
TAI
14S
|
san
2
rzs.
NTZE
4
aK
red
l})
[22208
Bee
1
get
hi
we
|
.
MEMOOAOE
1
Poo
:
t
C446
I
T
oe
bd
Asn
$
H
Tok
zh
sth
:
|
i
#3
eo
ee
ao
7
Gi
1
Rass
1¢434
; !
Be
1
case
fe
L
vcasep.,
|
I
es
1
63g0P
44.4
|
i}
ual
BAIXEKS,
ZAZA
!
I
Q571-G572
Rata
—caas
I
7
pn
ZEEE
YEE
se
|
2
28
\
23K304
(©.
@)
|
R23
8:- 3-2
©
jog
REEL
ADOOOOOG
US
ans
a
aa
fon
|
:
Be
§
Gs
1
ro”
ROM
10
Ene294-3—
|
et
ees
Sho
Pe
ENH-204—1
ENH—204—1
ENB-155-6
sas)
j
Ps
5addge
PE
F582
'
ay
(aoa)
ceisee)
3)
G1
14
2 3
SSH)
Ait
I
ERNE
}
“si
|
ATE
ws
!
Ne
RAAT
Q432
Rass
Is
I
!
1.
5K
2801685
{R,
S)
I
I
raze case
|
J
a,
=
\
Reso
Rane
I
cag. [482
Licase
Loans
ads
a
a
|
3a
ewe
Se?
a
ae
ay
cies
3
be
1
!
|
4
TSK
a.
Ja
as
I
|
+
ca37]
)Reaz
Jada
sz
i
LEVEL
CONTROL
31
2sct
eas
RS!
I
ar
LENB-155—4
| {
i
{
(
(
(
{
| | (
I
|
|
|
|
!
|
|
|
|
! |
!
L

Related product manuals