EasyManua.ls Logo

JVC RX-807VTN

JVC RX-807VTN
83 pages
To Next Page IconTo Next Page
To Next Page IconTo Next Page
To Previous Page IconTo Previous Page
To Previous Page IconTo Previous Page
Loading...
HM
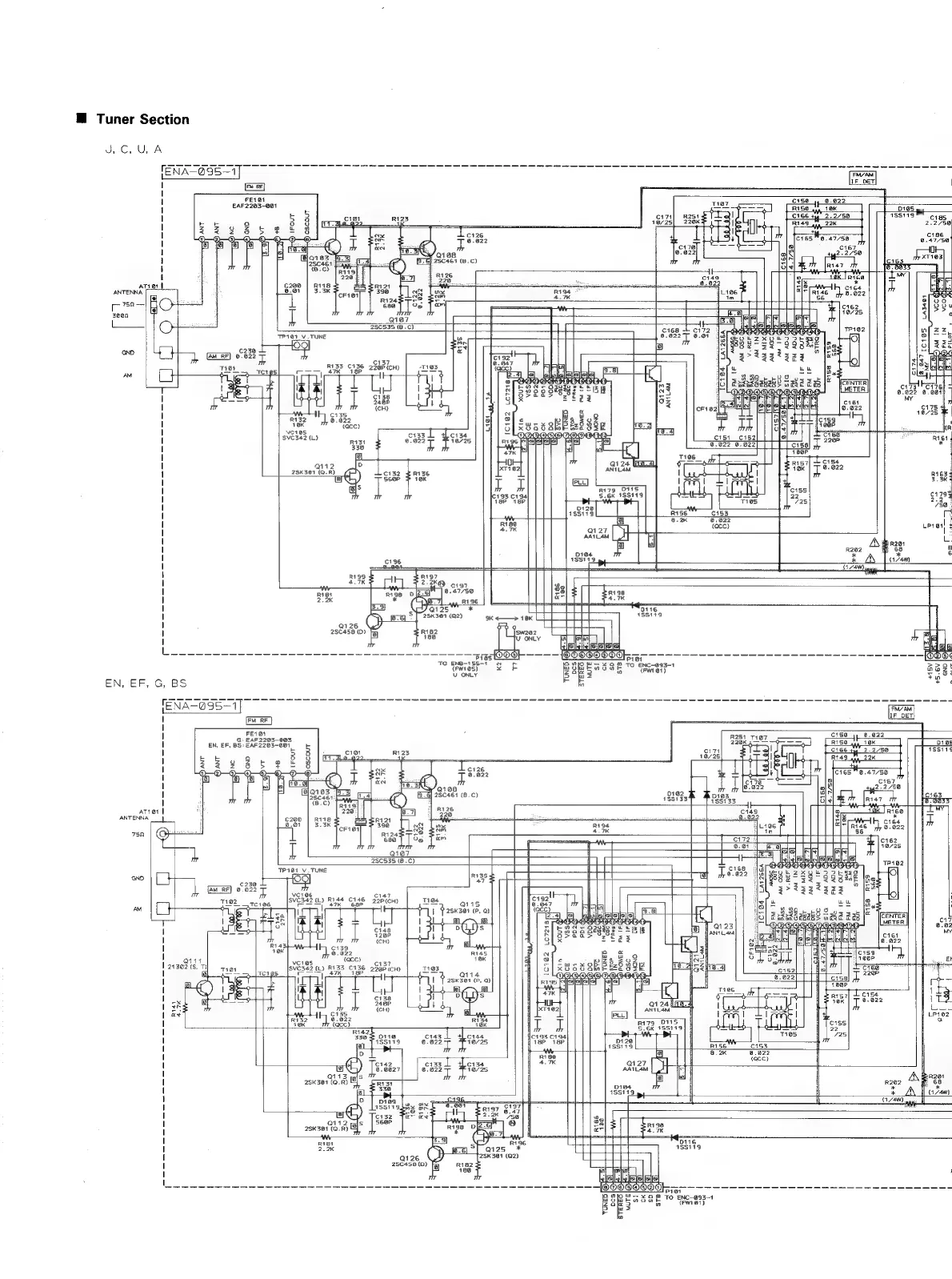
Tuner
Section
JC,
U,
A
M_AF,
FE1Q1
C450
4,
0.022
!
|
1
1
EAF2203-201
R150
wy
18k
D105
yy
:
PSS119""
Cres
2.2789]
Toa
4
C1
C186
:
61285
C165
"0.47/58
0.47/5@
Ae
3|
C167
1
pre
wl
42-2750
a2
Le
25C461
(B.C)
|
4
R147
R126
.
f
220.
@o
Riga
\]
atid
oad
SM
c164
ANTENNA
wx
RI94
ar)
R146
G.022
Oo
Cu
4.7K
1m
r—|O
}
#
|
9353
3e0n
za
{I
O
256535
(8.0)
cea
toi
te
TP102
in
TP1@1_V.
TUNE
4
0-022
18-01
eS
O
=
|
7
{8
9.
3
GND
1
14
in
fe
|
pan
R133
6136
2SQBccH)
a
8)
Ritts
~
|
Oo
ppeeet
e
.
ag
|
Be
7
10)
CENTER|
1
iO
CVEUKS
T
|
q
METER
0.022
0
|
E
“il
c161
BY.
!
Ie
0.022
C175
4
ate
th
sas,
pis
!
1K
Teac)
1
vo1as
H
$VC342
(L)
R131
I
330
7
I
Bi)
(
Q112
7
0.022
{
1
28K301
@.R)
ANI
LAM:
AS
R163
a
560P
>
10K
3.3K
;
:
A
:
R179
D115
C155
:
5.6K
1$S119
oa
91794
725
Aa
.
I
Leva!
H
13
!
Lk.
R
|
R2a2
|
B8
é
|
e196
&
ZN
Pousam
a
eZ
|
R199
R197
=
;
K
40)
e131,
47/50
R181
Riga
02-6
|
3
R190
|
f]
2.2K
*
\o-7]
R196
tks
1
|
B-3
C7125
*
i
©
ware,
©
|
28K307
ca2)
|
aize
VY
1
2scasao)
YG
R182
18
I
hr
EN, EF,
G,
BS
FE101
G:
EAF
2203-003
EN,
EF,
BS:
BAF
2203-001
———-10009099@04G7---
rr
To
ENB-155-1
a
a
Se
oe
(FW1
25)
Pa
SIRES
SBE
TO
ENG
ges
U
ONLY
iS
ied
Mn
I
|
|
!
|
b
TS5119
|
£8
BP ig
1B
2228528
@
¢
!
;
J
oy
Wk
!
li} fo}
OE-8
|
!
atiatl
ANTENNA
C200
2.04
iol
i
s.
ie
bik
28C535
(6.C}
j
qe
TP101
Vv.
TUNE
im
a
4
bE
R:
i
¥
GND
}
{Oo
e
;
i
T
if
3
3
83
C230
i
i
=
Fat
JAM
RF]
@.022
i t
jal
2
a
SVESSS
wy
RI44
css
SNE
T1984
C192
i
ai
T102_
_re106
ee
ark
ese
220)
oS
ais
19.847
S22
ee
|ihy:
q
}
k
=
|
T
TT
T
1h
7.
28k301
(P,
a)
=
bok
2
Pata
el
bisa)
Td
cm
|
Fadedoaaes
Geke
223
T
j
an]
Il
|
=
j
a
a
=LéE
k
~
c148
a
Qi23
"
:
a
120?
4
g
ANL4M
i
(CH)
2]
Ri
a3
Fy
e139
a
!
10K
@.822
a
N
!
qi
ve
=
ql
ve1@s
137
=
I
24302
ts,
TY
ISVE342
(L)
R133
C436
27¢PicH)
ro)
S|
|
Tc1gs
ee
aS
g
!
(LT
1
R195
ce
#
|
lala
|
{
4am
+4
=
ol
1
Q124
|
XxT182
AN1L4M
1
o135
POL.
|
RZ
or
lace:
i
Ri7g9
0115
{
I
5.6K
155119]
#
10193
C194)
|
4
18P
18P
esd
!
ct
G
{
R180
.
Q127
|
2)
AAILAM
=]
!
Q113
a
i}
2SK301
(Q.R)
4
(
1883
my
i
Pt
+a
i
+
I
|
2
rey
Q112
a8
\
28K301
(0.2)
a
BR
AN
=
hey
hq
a
I
DIG
R181
s
136
Tq
183119
|
2.2K
S\_
Q125
I
a126
28K
301
(82)
|
28C458
(0)
[Ry
R182
|
1288
r
s
|
Soe eae
oF
Aft
Ail
hes:
Be
ey
Se
Fo
Oe
ae
Ne an
0
ne
AN
oP
nt
Aen
ee
ENC—993-1
(FW1
84)

Related product manuals