EasyManua.ls Logo

JVC SR-DVM700EU - Page 71

JVC SR-DVM700EU
119 pages
Print Icon
To Next Page IconTo Next Page
To Next Page IconTo Next Page
To Previous Page IconTo Previous Page
To Previous Page IconTo Previous Page
Loading...
A
1
2
3
4
5
BCD EFG
p30130001a_rev0
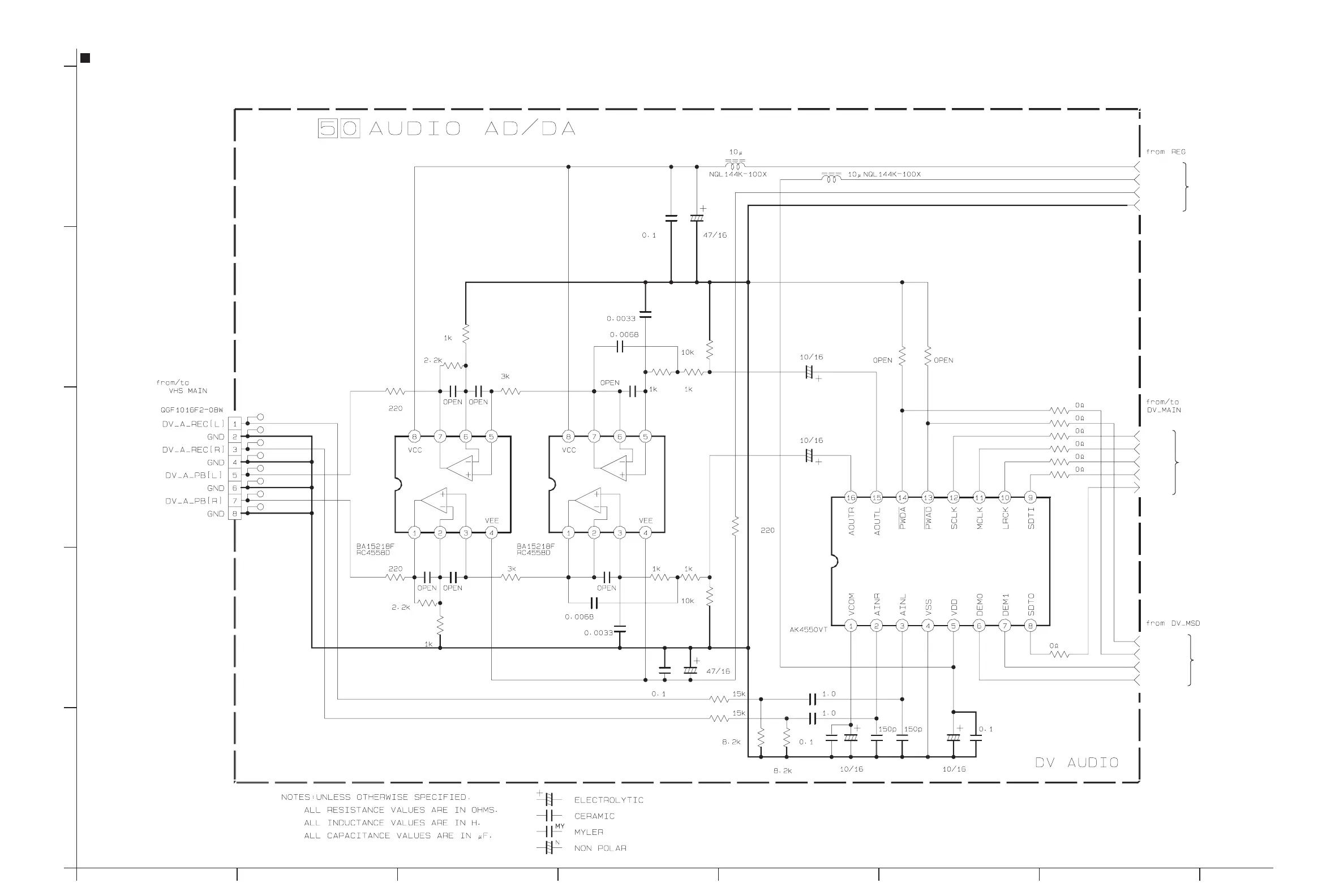
SHEET 21
Audio AD/DA section
C3717
ADC_DEM1
AODAT
C3701
C3714
AIDAT
C3723
C3713
C3722
ADC_PWD0
R3706
R3707
R3702
R3701
C3702
C3705 C3708
AIMCK
AILRCK
AIBCK
ADC_DEM0
R3710
R3728
R3708
C3724
R3720
A_REG_3V
R3717
R3711
C3736C3737
C3735
R3725
R3724
R3723
R3726
ZP371-1
ZP371-2
C3718
R3715
R3714
ZP371-3
ZP371-4
R3716
ZP371-5
ZP371-6
R3721
R3712
R3709
SW_5V
C3729
C3725
C3733
L3702
C3730
C3734
C3726
R3718
R3719
R3727
R3722
ZP371-7
ZP371-8
R3713
C3712
R3703
R3704
SW_5V[-]
C3728
IC3701
R3705
C3703
L3701
C3731
GND
IC3703 IC3702
CN3701
ADC_PWD1
TO CN2601
SHEET 12
TO SHEET 16
TO SHEET 18
TO SHEET 17
2-45 2-46

Related product manuals