EasyManua.ls Logo

JVC THM42

JVC THM42
105 pages
To Next Page IconTo Next Page
To Next Page IconTo Next Page
To Previous Page IconTo Previous Page
To Previous Page IconTo Previous Page
Loading...
2-4
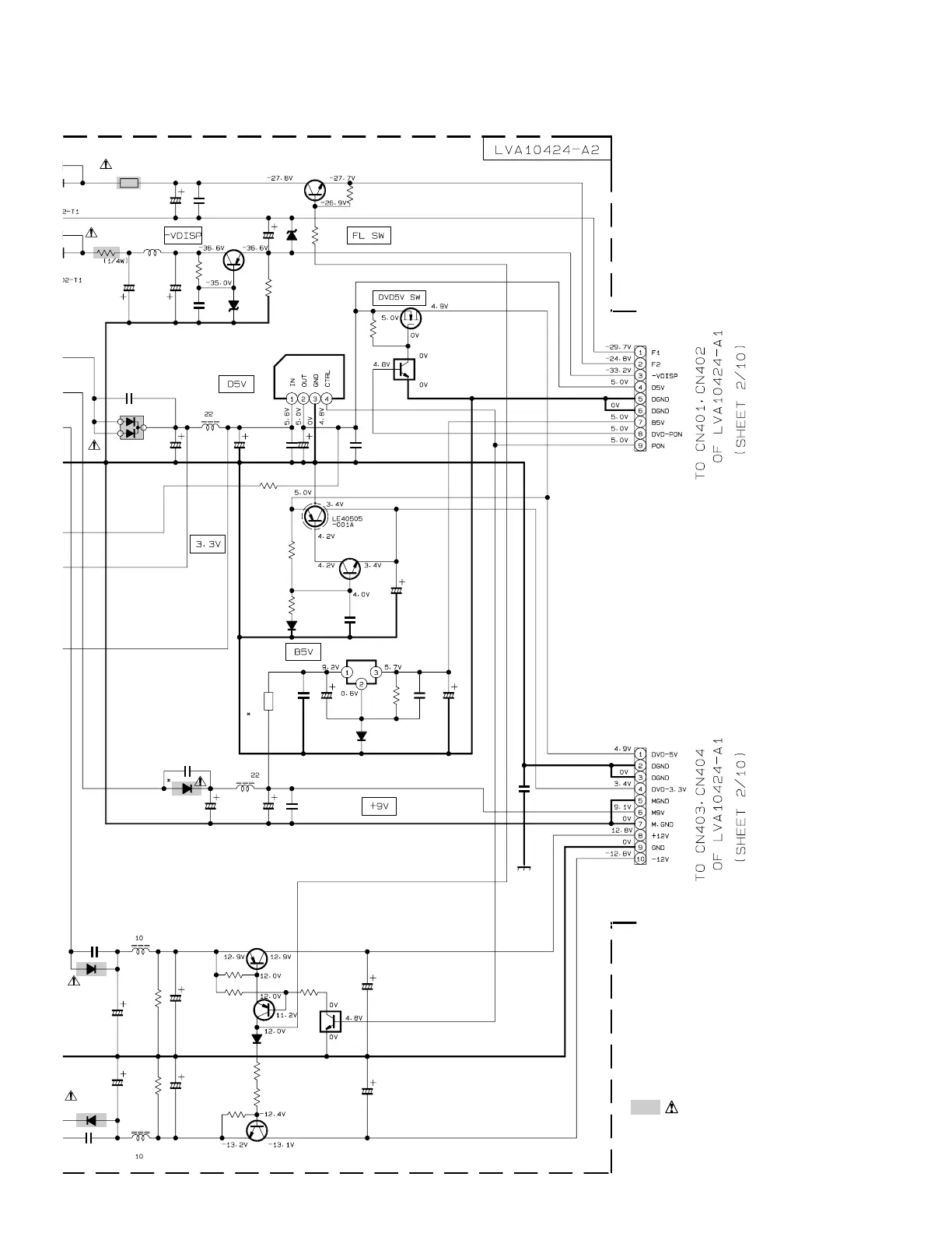
Parts are safety assurance parts.
When replacing those parts make
sure to use the specified one.
Q953
R954
D953
Q955
5
1
5
2
C953
D954
EP951
C954
C960 C961
Q951
R952
R953
L951
R983
IC951
C965
L952
Q961
HS964
Q960
CP951
IC953
C979
C997
L955
C981
Q954
C982
D956
C956
L957
R984
L959
R985
C987
D957
C957
D970
R966
Q958
R988
Q964
Q965
Q959
FW901FW902
CP952
C941
D960
C962
R980
C964
R955
D958 D950
C963
C966
C967
C968
C969
R972
C973
R971
R987
C984
C970
R986
C985
C986
C989
C976
C994
C977
R990R989
R981
C978
D975
C980
R977
KTA1267/YG/-T10
FMB-24
KRC103S-X
04-T1
100p/50
8
-04-T1
1
00p/1000
100p/50
QEZ0136-001Z
100p/50
82/10 1.5/25
2SC3576-JVC-T
10k
22k
0.22
1SS133-T2
1K
PQ05RD21
1000/10
KTC3203/OY/-T
KTA1504/YG/-X
ICP-N10-T
KIA7805API
820/16
220/16 1.5/25
SI2305DS-X
560/25
EU2YX-LFH6K
100p/50
1K
1K
180/25
E
U2YX-LFH6K
100p/50
1SS133-T2
1SS133-T2
220
KTA1271/OY/-T
2.2K
KTA1046/Y/
KTC3875/YG/-X
KRC103S-X
ICP-N5-T
NI
MTZJ3.6B-T2
22/50
2.7K
22/50
22k
MTZJ36C-T2
39/50
470/10
0.1/16
0.1/16
220/10
1.2k
100/10
4.7k
1K
220/16
0.1/16
1K
100/25
100/25
100/16
0.1/50
0.022/50
0.1/50
33K
33K
22k
100/10
10/50
1K
!
!
!
!
!
!

Table of Contents

Other manuals for JVC THM42

Related product manuals