EasyManua.ls Logo

JVC THM42 - Page 51

JVC THM42
105 pages
To Next Page IconTo Next Page
To Next Page IconTo Next Page
To Previous Page IconTo Previous Page
To Previous Page IconTo Previous Page
Loading...
2-8
J4411
J4411
IC601
IC601
C4121
C4111
C4101
02
2
02
R6103
R6203
J4402
J4402
J4402
J4403
R4411
R4421
R4431
R4441
R4451
R4422
R4452
R4432
R4442
R4401
C4451
C4441
C4431
C4421
C4401
C4411
Q4484
J4401
C4422
Q4482
C6103
C6203
R6206
R6106
C4393
C4476
Q4481
R4383
R4384
R4385
R4381
R4382
J4403
C4311
C4321
C4331
C4341
C4351
J4401
R6107
R6207
J6001
S4401
R4472
R4471
J4401
R4474
R4473
R4485
J4402
J4402
R4486
Q4483
C4424
IC431
C4453
C4433
C4443
R6301
R4481
C4301
C4394
C4395
C4475
K6002
W6001
J4403
B6001
B6002
C4491
R4111
R4121
R4101
C4391
C4392
R6105
R4484
R4483
C4471
R6205
C6104C6204
C4474C4473
C4452
C4442C4432
C4402
C4412
C4423
C4472
R4475R4476
R4478R4477
C4122
C4112
C4102
C6001
C6003
C6002
QNN0570-001
HA17558AF-X
HA17558AF-X
1/6.3
0.01/16
1/6.3
18P
18P
150K
150K
QNN0386-001
QNZ0516-001
75
75
75
75
75
75
75
75
75
75
470/6.3
470/6.3
470/6.3
470/6.3
470/6.3
0.01/16
KRC102S-X
QNN0557-001
470/6.3
KRC102S-X
47/25
47/25
33
33
470/10
4.7/25
KRC102S-X
0
10K
10K
10K
10K
0.01/16
1/6.3
1/6.3
1/6.3
1/6.3
QNN0557-001
39
39
QNS0218-002
QSW0454-001
150
150
QNN0557-001
470
470
100
10KKRA102S-X
47P
LA73054-X
47P
47P
47P
1K
1k
47/10
0.1/16
0.1/16
4.7/25
NQR0007-002X
0
0
0.01
75
0
75
75
470/10
0.1/16
47K
12K
820
330P
47K
0.010.01
330P330P
47P
47P47P
47P
47P
47P
330P
180K 180K
180K180K
47P
47P
47P
0.01
0.01
0.01
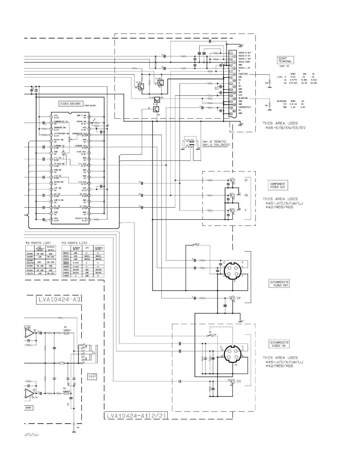
VCR-S/C
BLANK-CTL
VIDEO-LPF
VIDEO-MUTE2
VIDEO-RGB
VIDEO-YCMIX
VIDEO-MUTE1
NTSEL

Table of Contents

Other manuals for JVC THM42

Related product manuals