EasyManua.ls Logo

KAESER TF 171E - Page 12

KAESER TF 171E
20 pages
Print Icon
To Next Page IconTo Next Page
To Next Page IconTo Next Page
To Previous Page IconTo Previous Page
To Previous Page IconTo Previous Page
Loading...
12
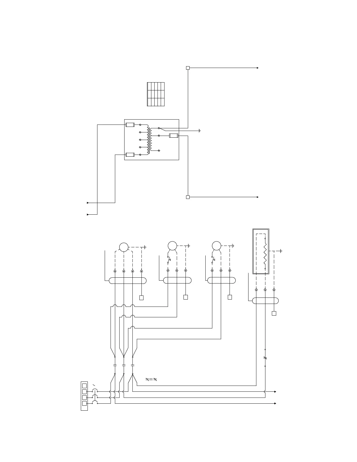
WIRING DIAGRAM
Model TF 210E - 460 VAC
Sheet 1 of 2
H4
H3
H2
H1
FU2
FU3
B100-3683-5
MICRON
L1L3
H5208V
230V H5
400V H5
460V H5
FACTORY SET TO 460V
FU1
24/120 VAC SECONDARY
100VA
208/230/400/460 VAC PRIMARY
H5
COM
H3
230V
H4
208V
H2
400V
X3
X2
X1
H1
120V
24V
460V
COMPRESSOR
TO LINE 22
21
20
18
19
17
16
15
14
13
L1
L3
L2
PE
HEATER HARNESS
1L2
L3
TB2
TB2
PE
T3
T2
H1
HEATER 1
FAN 2 HARNESS
FPS 2
FAN 2
REF SHEET 02 LINE 11
REF SHEET 02 LINE 10
REF SHEET 01 LINE 20
03
10
11
12
09
08
07
06
05
04
L3
L3
L3
L2
L2
02
01
00
PE
L1
L1
L1
L2
L3
TB1 L1 L3L2
CONT 1
DISCONNECT SWITCH
PE
TB2
T1
T2
T3
T3
T2
T3
TB2
PE
T2
T3
T2
FAN 1 HARNESS
FPS 1
FAN 1
T1
T1
T1
COMPRESSOR HARNESS
43
42
40
41
39
38
37
36
35
25
32
33
34
31
30
29
28
27
26
FROM LINE 21
L3
24
23
L1
22
L3
L1
TO SHEET 02
X
TO SHEET 02
N
(4 Terminal Blocks)
TB2
X
X
(4 Terminal Blocks)
TB2
N
N
L3
L1
ELECTRICAL SUPPLY
480VAC/3PH/60HZ/GND
CONT 1
-1NC -2NC
H2
MTR3
L3
L2
T3
T2
L1 T1
MTR2
MTR1

Related product manuals