EasyManua.ls Logo

Keltech KRAD M Series - Air Flow Diagrams (KRAD 100 M - KRAD 150 M)

Default Icon
62 pages
Print Icon
To Next Page IconTo Next Page
To Next Page IconTo Next Page
To Previous Page IconTo Previous Page
To Previous Page IconTo Previous Page
Loading...
Page 20
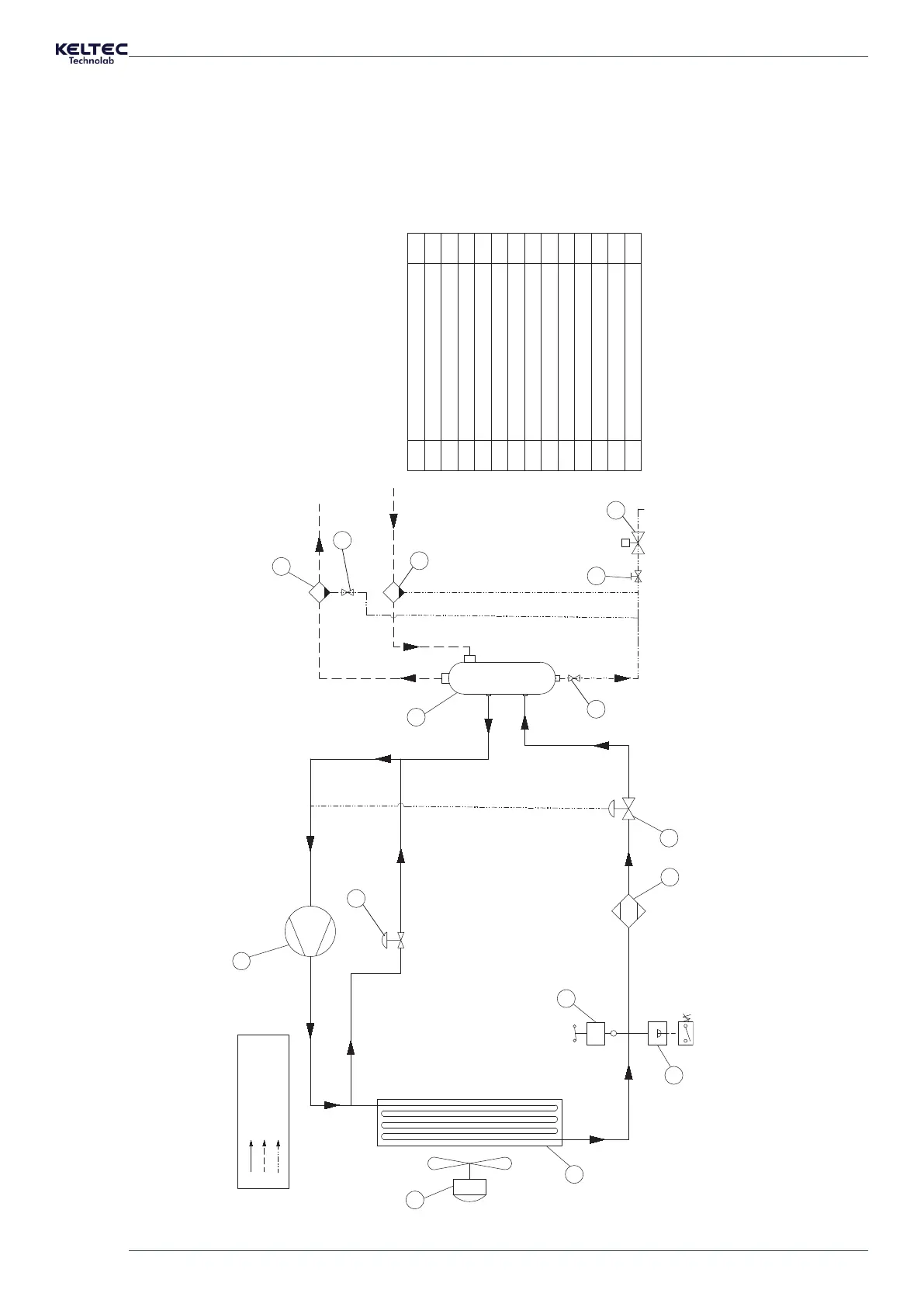
6.1 AIR FLOW DIAGRAMS
KRAD 100M to KRAD 150M
DESCRIPTION
POS.
QTY
1
2
3
4
5
6
7
8
9
10
11
COMPRESSOR 1
1
1
1
FAN MOTOR
FAN SWITCH
HIGH PRESSURE SWITCH
FILTER
FILTER DRIER
1
1
1
1
2
1
2
1
EXPANSION VALVE
HEAT EXCHANGER
12
CHECK VALVE
SOLENOID VALVE
CONDENSER
FILTERED DRAIN
13
1BY-PASS VALVE
REFRIGERANT GAS FLOW
COMPRESSED AIR FLOW
DRAIN FLOW
1
M
2
3
4
5
6
7
9
AIR INLET
AIR OUTLET
S
10
11
13
8
12
12
10