EasyManua.ls Logo

Kesla 2014 - Customer Feedback Form

Default Icon
86 pages
Print Icon
To Next Page IconTo Next Page
To Next Page IconTo Next Page
To Previous Page IconTo Previous Page
To Previous Page IconTo Previous Page
Loading...
APPENDIXES
73
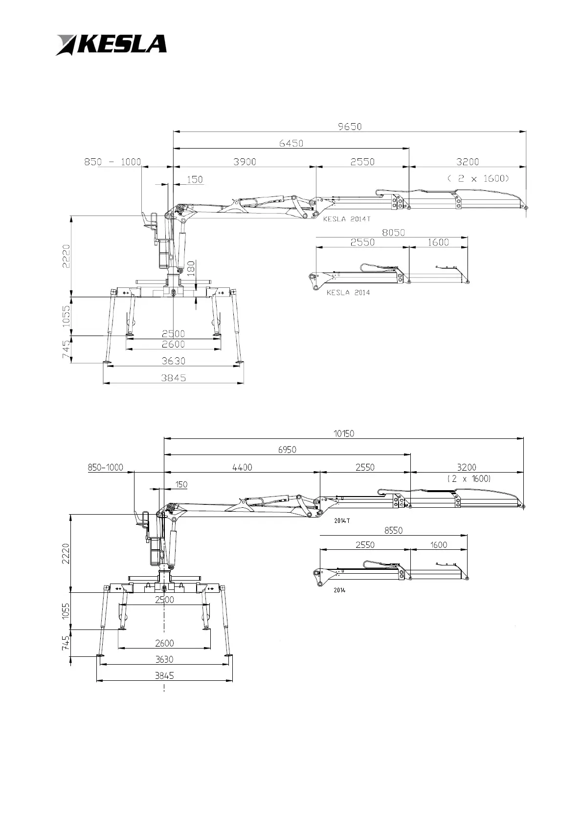
11.2 DIMENSION DRAWING

Table of Contents

Related product manuals