EasyManua.ls Logo

Keysight N9030A - Page 17

Keysight N9030A
42 pages
To Next Page IconTo Next Page
To Next Page IconTo Next Page
To Previous Page IconTo Previous Page
To Previous Page IconTo Previous Page
Loading...
Installation Note N9030-90045 17
Option BBA, Analog Baseband I/Q Inputs Retrofit Kit
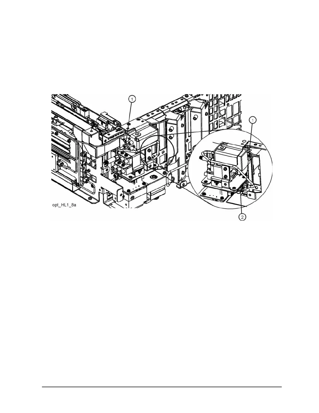
5. Refer to Figure 11. Remove cable W8 at (2) by unscrewing cable and pulling cable free of
connector.
6. Remove cable W52 (1) between top switch port 4 and Low Band Switch Assembly connector that
is closest to the inner chassis.
Figure 11 W52 Cable Removal

Other manuals for Keysight N9030A

Related product manuals