EasyManua.ls Logo

Keysight N9030A - SCPI Language Basics

Keysight N9030A
42 pages
To Next Page IconTo Next Page
To Next Page IconTo Next Page
To Previous Page IconTo Previous Page
To Previous Page IconTo Previous Page
Loading...
16 Installation Note N9030-90045
Option BBA, Analog Baseband I/Q Inputs Retrofit Kit
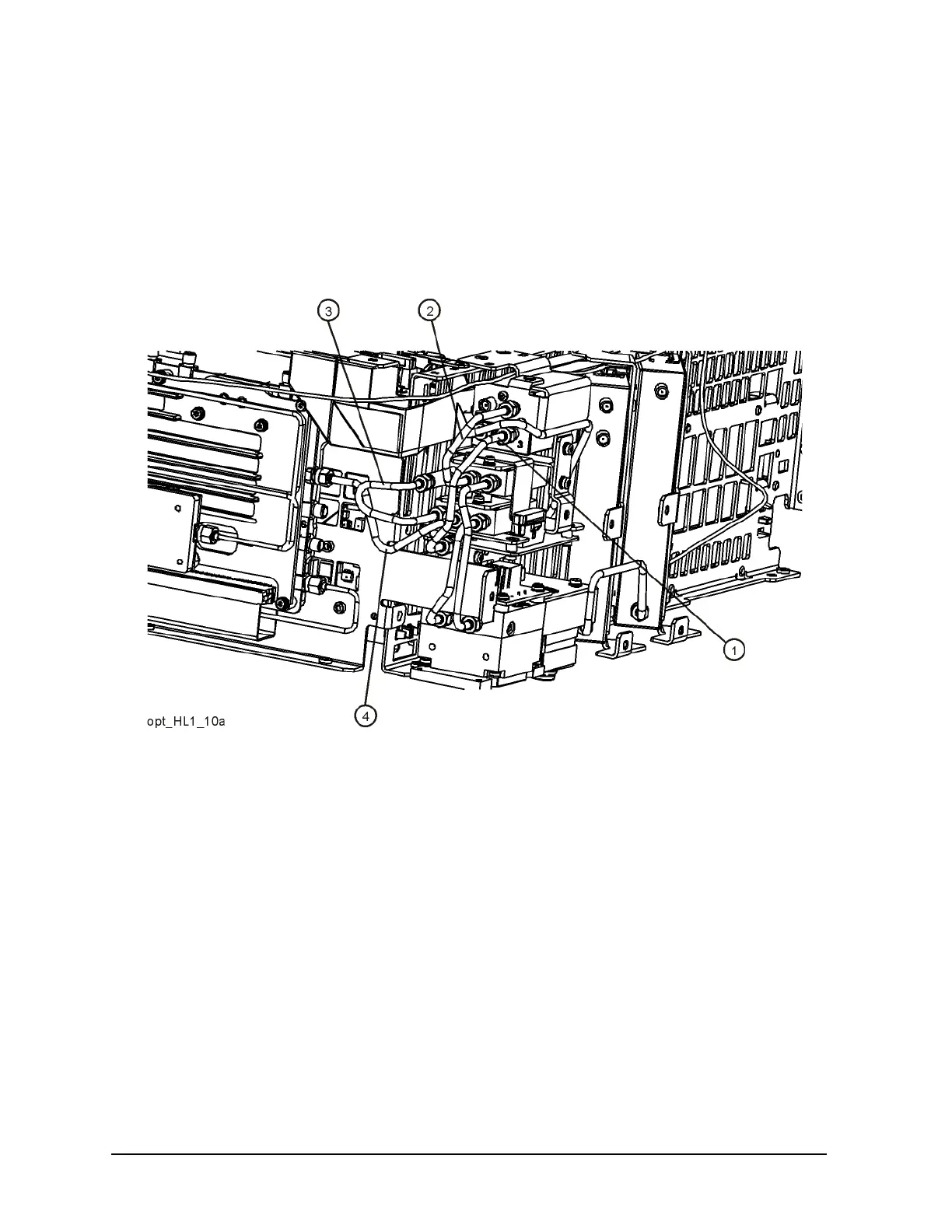
2. Refer to Figure 10. Remove cable W54 (1) from top switch port 3.
3. Remove cable W53 (2) from top switch port 2.
4. Look at the part number printed on the cable W13 (3). If it is N9020-20210 the cable does not
need to be replaced. If the part number is E4410-20178, replace the cable with the N9020-20210
cable in the kit.You may need to remove cable W15 (4)
Figure 10 W13, W53, and W54 Cable Removal

Other manuals for Keysight N9030A

Related product manuals