EasyManua.ls Logo

Keysight N9030A - SCPI Programming Fundamentals

Keysight N9030A
42 pages
To Next Page IconTo Next Page
To Next Page IconTo Next Page
To Previous Page IconTo Previous Page
To Previous Page IconTo Previous Page
Loading...
Installation Note N9030-90045 15
Option BBA, Analog Baseband I/Q Inputs Retrofit Kit
Look for Optional Switches
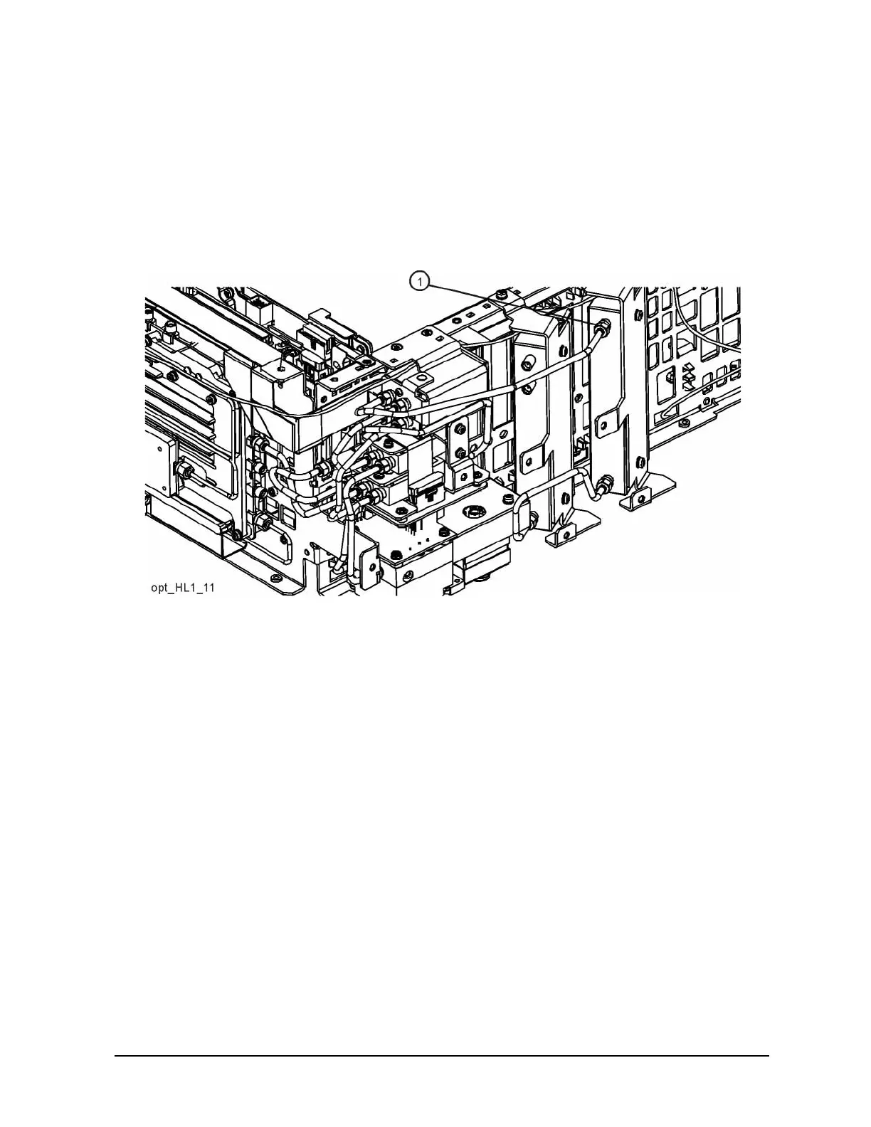
See Figure 9. If your instrument does not have the switches shown, skip to “Installation of the Flex
Ribbon Cable” on page 19. If the instrument does have the switches shown, continue with the
following procedure.
1. Refer to Figure 9. Remove rigid cable W51 (1) from top switch port 1 to Attenuator B output.
Figure 9 W51 Cable Removal

Other manuals for Keysight N9030A

Related product manuals