EasyManua.ls Logo

Keysight N9030A - Page 21

Keysight N9030A
42 pages
To Next Page IconTo Next Page
To Next Page IconTo Next Page
To Previous Page IconTo Previous Page
To Previous Page IconTo Previous Page
Loading...
Installation Note N9030-90045 21
Option BBA, Analog Baseband I/Q Inputs Retrofit Kit
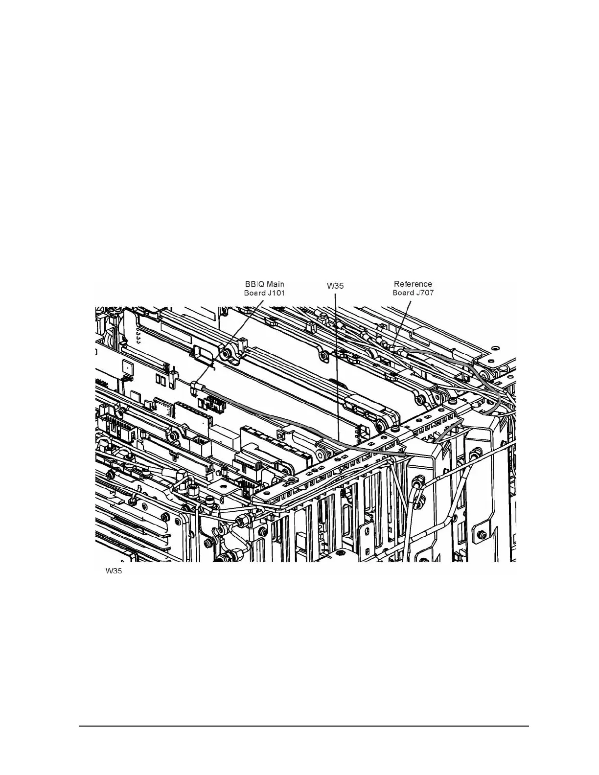
Install the BBIQ Coax Cable
1. Locate coax cable 8121-1401 and cable labels in the kit.
2. Label one end of the cable with marker 707 and the other end with 101.
3. Remove the wire cable holder from the side frame.
4. Refer to Figure 15 for cable routing diagram.
5. Install the “707” end of the 8121-1401 cable to J707 on the Reference board.
6. Route the cable as shown under the attenuator brackets.
7. Install the “101” end of the 8121-1401 cable to J101 on the BBIQ Main board.
8. Replace the wire cable holder. Assure the cables are routed to avoid pinching when the top brace is
re-installed.
Figure 15 W35 - BBIQ Coax Cable Location

Other manuals for Keysight N9030A

Related product manuals