EasyManua.ls Logo

Keystone KS - Page 34

Keystone KS
60 pages
Print Icon
To Next Page IconTo Next Page
To Next Page IconTo Next Page
To Previous Page IconTo Previous Page
To Previous Page IconTo Previous Page
Loading...
Page 34
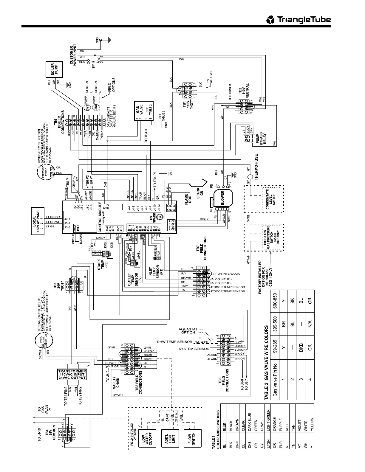
Figure 28. Wiring Diagram (all sizes).
H2337300C

Table of Contents