EasyManua.ls Logo

KIRLOSKAR DV10 - ENGINE SYSTEMS OVERVIEW; Lubrication and Fuel Systems

KIRLOSKAR DV10
101 pages
Print Icon
To Next Page IconTo Next Page
To Next Page IconTo Next Page
To Previous Page IconTo Previous Page
To Previous Page IconTo Previous Page
Loading...
20
TURBOCHARGER
OIL STRAINER
V
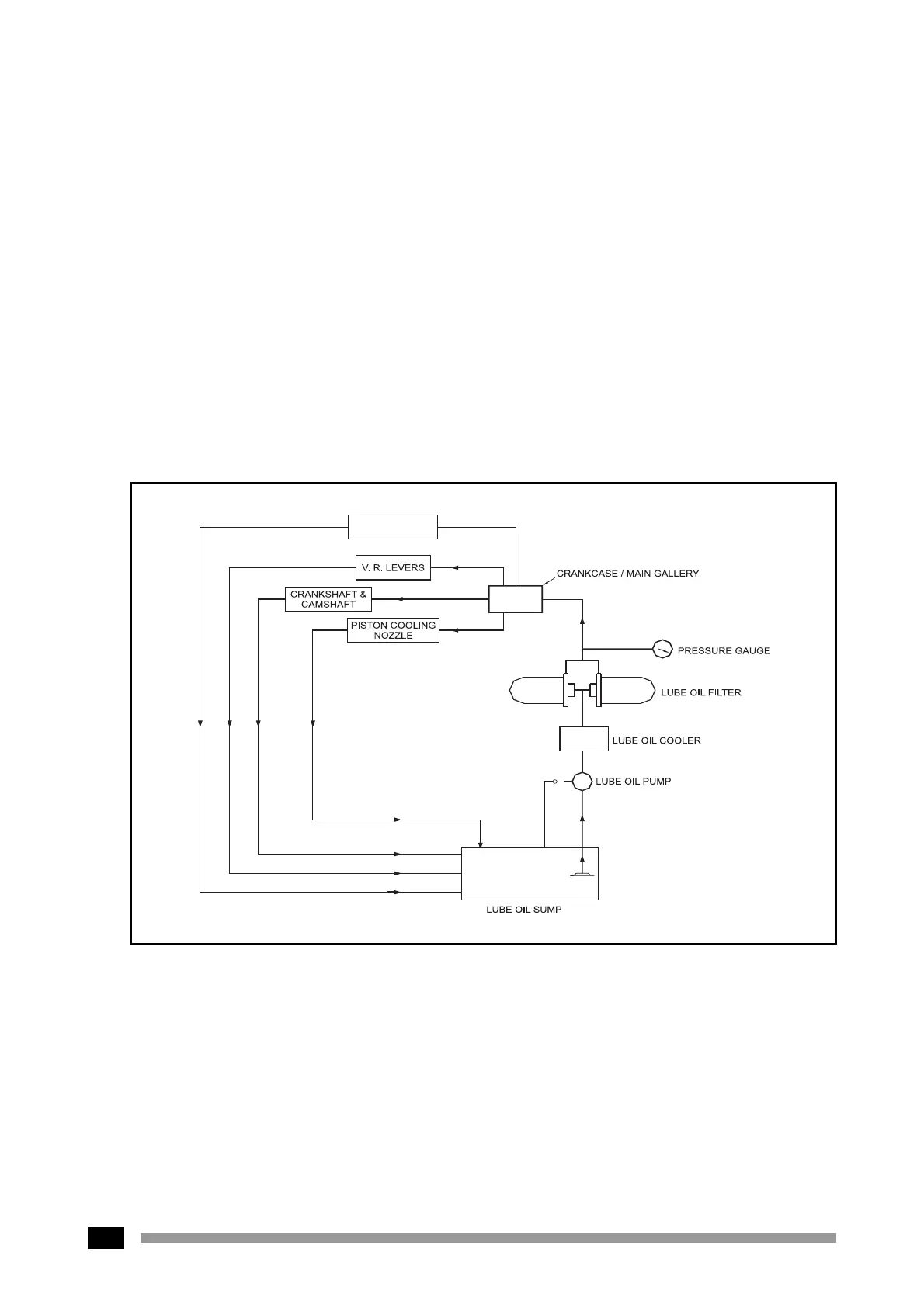
Lube Oil System Schematic
4.7 Lubrication system
The engine is provided with force-feed lubrication by Gear type pump.
The pressure is produced by a gear pump whose drive gear is in mesh with the crankshaft gear at the
flywheel end of engine.
The oil pump draws the oil from the oil sump and delivers it through the oil cooler and oil filter to the main
distributor gallery and from there to the main bearings, big-end bearings and camshaft bearings as well as
to the small-end bearings and the rocker arms.
The injection pump and the turbocharger are also connected to the engine lubricating system.
The cylinder walls and timing gears are splash-lubricated. Each cylinder has an oil jet provided for cooling
the underside of the pistons.
The system includes adequate lube oil filtering by replacable ‘Spin - on’ filter cartridge. Two separate lube
oil filter cartridges are provided for each side. Centrifuge lube oil filter is also provided for greater oil life.
The water cooled lube oil cooler is provided to maintain the lube oil temperature within limits.The relief valve
controls the engine lube oil pressure. Relief valve is provided on delivery side of the lube oil pump. A
secondary pressure relief valve is also provided in the engine crankcase.

Table of Contents

Related product manuals