EasyManua.ls Logo

KIRLOSKAR KC3 - Page 39

KIRLOSKAR KC3
58 pages
Print Icon
To Next Page IconTo Next Page
To Next Page IconTo Next Page
To Previous Page IconTo Previous Page
To Previous Page IconTo Previous Page
Loading...
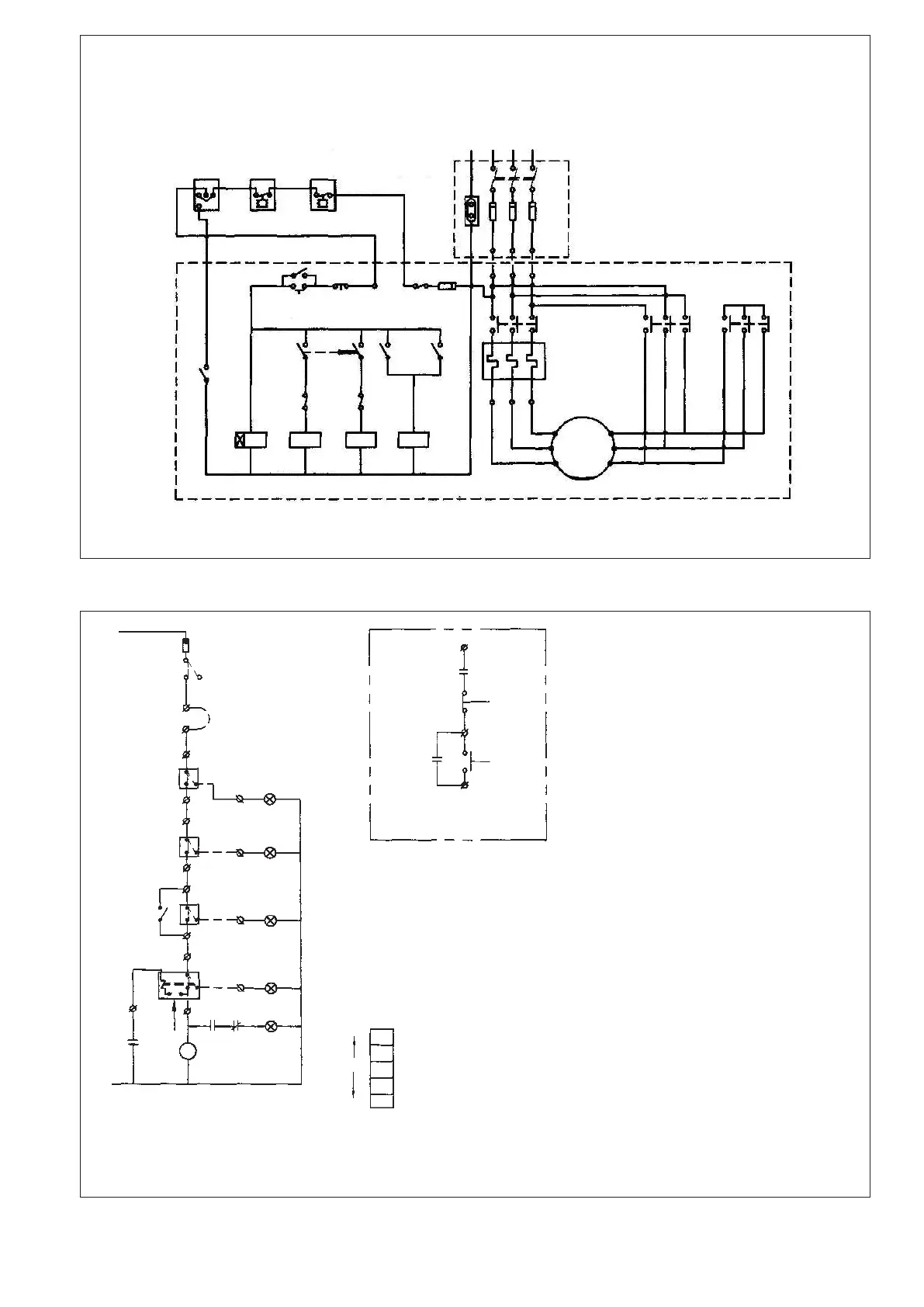
Figure 26A: Schematic wiring diagram for
Star Delta starter for squirrel cage induction motor
LOW
DIFFERENTIAL
OIL PRESSURE
CUTOUT
HIGH
DELIVERY OIL
PRESSURE
CUTOUT
LOW
SUCTION
PRESSURE
CUTOUT
(ALL MAKE SHOWN)
3 Ø 50 hZ. 415 V Supply
K1: Main contactor with aux. contact (3 Nos.)
K2: Star contactor with 1 NO + 1 NC aux. contacts
K3: Delta contactor with 1 NC contacts
T: Timer with 1 No. instantaneous + 1 No.
delayed aux. contact
MP55 MP5 MP1
SUPER DELTA
STARTER
FUSE
FUSE
STOP
PB
STOP
PB
O/L
T T
K1 K2
K1
K1K3
K1K3K2
M
W1 W2
V1 V2
U1 U2
K1 M
OVERLOAD
RELAY
K3 M K2 M
NUTRAL
3Ø SQUIRREL CAGE INDUCTION MOTOR
Figure 27: Wiring Diagram for Pressostats
(for electric motor drive)
T16
C1
STOP Pb
T17
START Pb
T18
STARTING
STARTER
HOLD
CONTACT
F
O/L RELAY
(FUTURE INTERLOCK)
(WATER FLOW SWITCH)
T4 L1
T7 L2
T10 L3
T13 L4
T14
L5
C1
START
OFF
CONTACT
START
ON
CONTACT
C1
T15
OP
T12
T11
LP
T9
T8
HP
T1
T2
T3
T5
0220
L
S
M
0110
T12
T13
T14
T15
OR
T15
O/L = OVER LAY DELAY
L1 = INDICATING LAMP - CONDENSOR WATER FLOW (LOW-TRIP)
L2 = INDICATING LAMP - DISCHARGE PRESSURE (HIGH TRIP)
L3 = INDICATING LAMP - SUCTION PRESSURE (LOW-TRIP)
L4 = INDICATING LAMP - OIL PRESSURE (LOW-TRIP)
L5 = INDICATING LAMP - READY TO START
TS = TOGGLE SWITCH (L.P. BY PASS)
Pb = PUSH BUTTON
C1 = AUXILIARY CONTACTOR
HP = PRESSOSTAT - H.P. DELIVERY - MP-5 (HIGH)
LP = PRESSOSTAT - L.P. SUCTION - MP-1 (LOW)
OP = PRESSOSTAT - O.P. OIL PRESSURE- MP-55
F = FUSE
27

Related product manuals