EasyManua.ls Logo

KitchenAid 750-0781 - Cabinet Cutout Dimensions

KitchenAid 750-0781
96 pages
Print Icon
To Next Page IconTo Next Page
To Next Page IconTo Next Page
To Previous Page IconTo Previous Page
To Previous Page IconTo Previous Page
Loading...
7
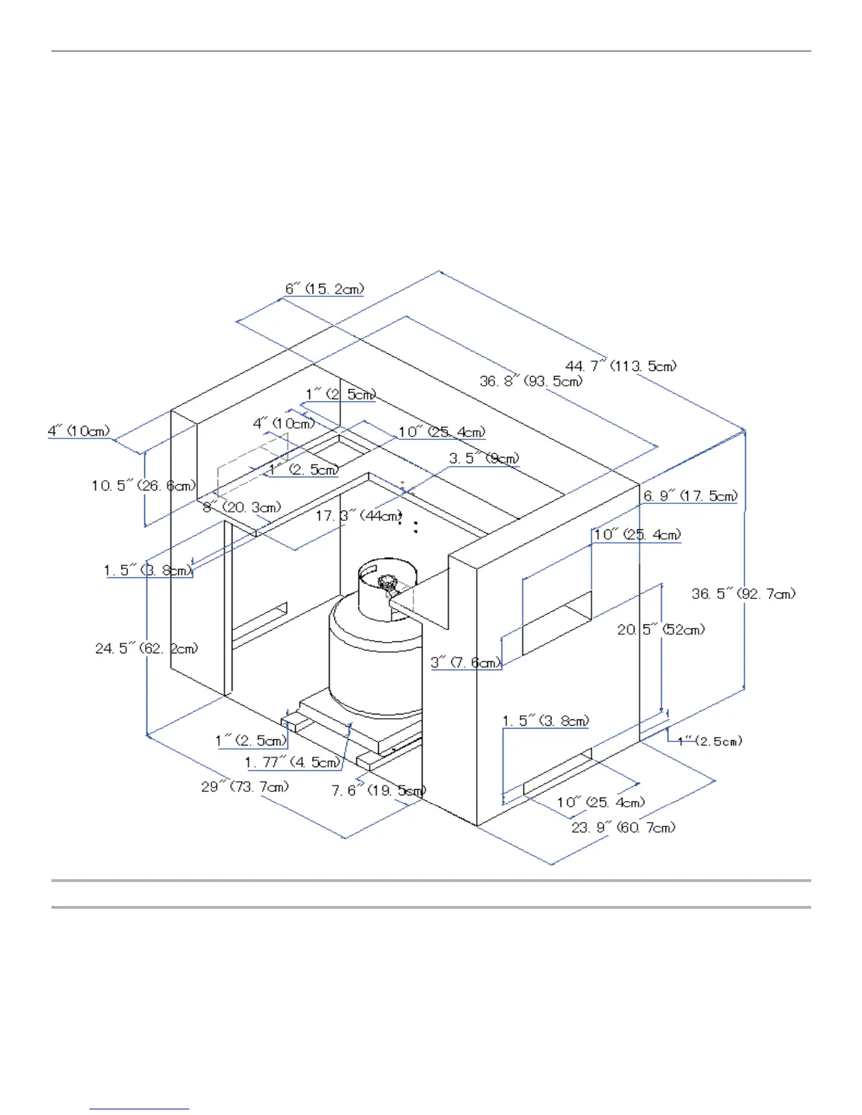
Cabinet Cutout Dimensions
The illustration below includes cutout dimensions and minimum spacing requirements. The illustration is for reference. The design of your cabinet
layout can be personalized, but the dimensions for the cutouts and minimum spacing must be followed.
Center or support surfaces must be level.
The installation of this grill must conform with local codes or, in the absence of local codes, with either the National Fuel Gas Code, ANSI Z223.1/
NPFA 54, Natural Gas and Propane Installation Code, CSA B149.1, or Propane Storage and Handling Code, B149.2.
Copies of the standards listed may be obtained from:
CSA International
8501 East Pleasant Valley Rd.
Cleveland, Ohio 44131-5575
NOTE: The grill drops into the opening and is supported by its side flanges. Do not use a bottom support.
Built-in Outdoor Grill Enclosure Ventilation Requirements
Any enclosure is to be ventilated by openings at both the top and lower
levels of the enclosure. The following information is the minimum for
proper ventilation of your island construction.
There should be a minimum of 1 7/8"
(4.4 cm) of clearance from the
island for proper
ventilation.
NOTE: There should be no solid surface underneath the firebox
portion of the grill.
A minimum of 3" (7.6 cm) is required between the back of the grill
and any noncombustible materials. A minimum of
24" (61.0 cm) is required between the back of the grill and any
combustible material.
The island must be vented in one of the 2 following ways:
A 90° or a 180° ventilation in the island to ensure that air flows
through the island at either 90° or 180°.
Any enclosure for built-in installation is to have at least one
ventilation opening on an exposed exterior side located within
2½" (6.0 cm) of the top and is to be a minimum of 20 in.
2
(129.0
cm
2
). One ventilation opening within 1½" (3.0 cm) of the bottom of
the enclosure, and the bottom opening is to be a minimum of 10 in.
2
(64.5 cm
2
). All vent openings are to be unobstructed. Every opening
is to be a minimum of 1/8" (0.32 cm)
wide.
bottom of the main burner bowl assembly and the
front wall of the

Table of Contents

Related product manuals