EasyManua.ls Logo

KitchenAid KDRP407HSS13 - Wiring Diagrams

KitchenAid KDRP407HSS13
24 pages
Print Icon
To Next Page IconTo Next Page
To Next Page IconTo Next Page
To Previous Page IconTo Previous Page
To Previous Page IconTo Previous Page
Loading...
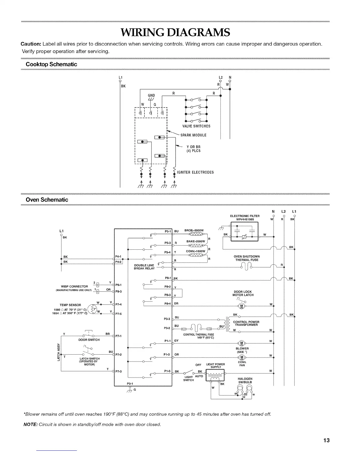
WIRING DIAGRAMS
Caution: Label all wires prior to disconnection when servicing controls. Wiring errors can cause improper and dangerous operation.
Verify proper operation after servicing.
Cooktop Schematic
L1 L2 N
BK W
W GND R R
I I I
i VALVESWITCHES
I
I_""'_ SPA R K MODULE
_ _ ---IF _-_ YORBR
L j I,/pLCS
_ IGNITER ELECTRODES
P
Oven Schematic
L1
BK
RK
WISP CONNECTOR
(MANUFACTURING USE ONLY)
TEMP SENSOR
1080 _ AT 70 ° F (21 ° C) _ _'_W V
1654 £) AT 350 ° F (177 ° C)'_
T
t DOOR SWITCH
LATCH SWITCH
T
(OPERATED SY
MOTOR)
T
P4-1
P9=1
P9-3
P7-4
P7=5
P7-1
P7-2
P7=3
P5-1
P5-3
P5=4
DOUBLE LINE
BREAK RELAY
P8-1
P8-2
P8=3
P8=4
P3-3
P3=2
P1-1
P1-3
P1=5
P3-1
BU BROIL=3OOOW
R BAKE-2OOOW
3 R
ELECTRONIC FILTER
WP#4451985
OVEN SHUTDOWN
THERMAL FUSE
V
(_ DOOR LOCK
MOTOR LATCH
,B
W
W
w
W
RK
BU O O"TROLPOWER
TRANSFORMER
CONTROL THERMAL FUSE
149°F (65°0)
GM @
BLOWER
(SEE *)
CONY.
OFF LIGHT POWER FAN
SUPPLY
LIGHT AUTO
AUTO
SWITCH HALOGEN
BK 5W/BULB
W
N L2 L1
R( B_
o
*Blower remains off until oven reaches 190°F (88 C) and may continue running up to 45 minutes after oven has turned off.
NOTE: Circuit is shown in standby/off mode with oven door closed.
13

Related product manuals