EasyManua.ls Logo

KitchenAid KDRP407HSS13 - Page 24

KitchenAid KDRP407HSS13
24 pages
Print Icon
To Previous Page IconTo Previous Page
To Previous Page IconTo Previous Page
Loading...
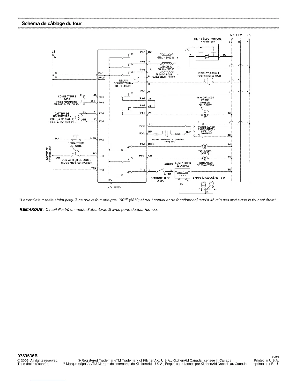
Schema de c&blage du four
L1
N
N
CONNECTEURS
WISP
NTILIRATIONEN
(POUR
FABRICATION$EULEMENT)
L'J "
CAPTEUR DE f_
TEMPERATURE- ( _>to_
1080S_A 21° C (70° F) _.<_BL V
1654C;A 177o C (35O° F)
uJ
TAN MAR
CONTACTEUR
DE PORTE
TAN
CONTACTEUR DE LOQUET
(COMMANDE PAR MOTEUR)
TAN
P4-1
P9=1
P9-3
P7=4
P7-5
P7-1
P7=2
P7=3
P5=1
P5-3
P5=4
RELAIS _0_
DISJONCTEUR _---0_
DEUX LIGNES
P8=1
P8-2
P8=3
P8=4
P3=3
P3-2
P1 =1
P1 =3
P1-5
P3-1
/_ TERRE
BU
CUISSOR AU R
JA FOUR - 2000 W
ELEMENT FOUR R
>R
FUSIBLE T.HERMIQUE
POUR ARRET DU FOUR
NEU L2 L1
FILTR E ELECTRONIQUE ( N °
WP#4451985 B[ R
VERROUILLAGE
JA PORTE
JA_ MOTEURDU LOOUET
)R _ BI
N f
FUSIBLETHERMIQUEDECOMMAND[
(149°F) 65_C
GRIS @ BI
VENTIL_EUR
(VOIR*)
OR _ BI
ARRET ALJMENTATiON VENTIL_EUR
ECLAIRAGE DE CONVECTmON
AUTO
CORTACTEU.DE _ LAMPEA.ALOGENE-_V
BL
LAMPE IBLIN
BL
*Le ventilateur reste _teint jusqu'b ce que le four atteigne 190°F (88°C) et peut continuer de fonctionner jusqu'b 45 minutes apres que le four est _teint.
REMARQUE : Circuit illustr_ en mode d'attente/arr_t avec porte du four ferm_e.
9759536B 6/O8
© 2008. All rights reserved. ® Registered Trademark/TM Trademark of KitchenAid, U.S.A., KitchenAid Canada licensee in Canada Printed in U..S.A.
Tous droits reserves. ® Marque deposee/TM Marque de commerce de KitchenAid, U.S.A., Emploi sous licence par KitchenAid Canada au Canada Imprime aux E.-U.

Related product manuals