EasyManua.ls Logo

KitchenAid KDRP407HSS4 - Page 9

KitchenAid KDRP407HSS4
20 pages
Print Icon
To Next Page IconTo Next Page
To Next Page IconTo Next Page
To Previous Page IconTo Previous Page
To Previous Page IconTo Previous Page
Loading...
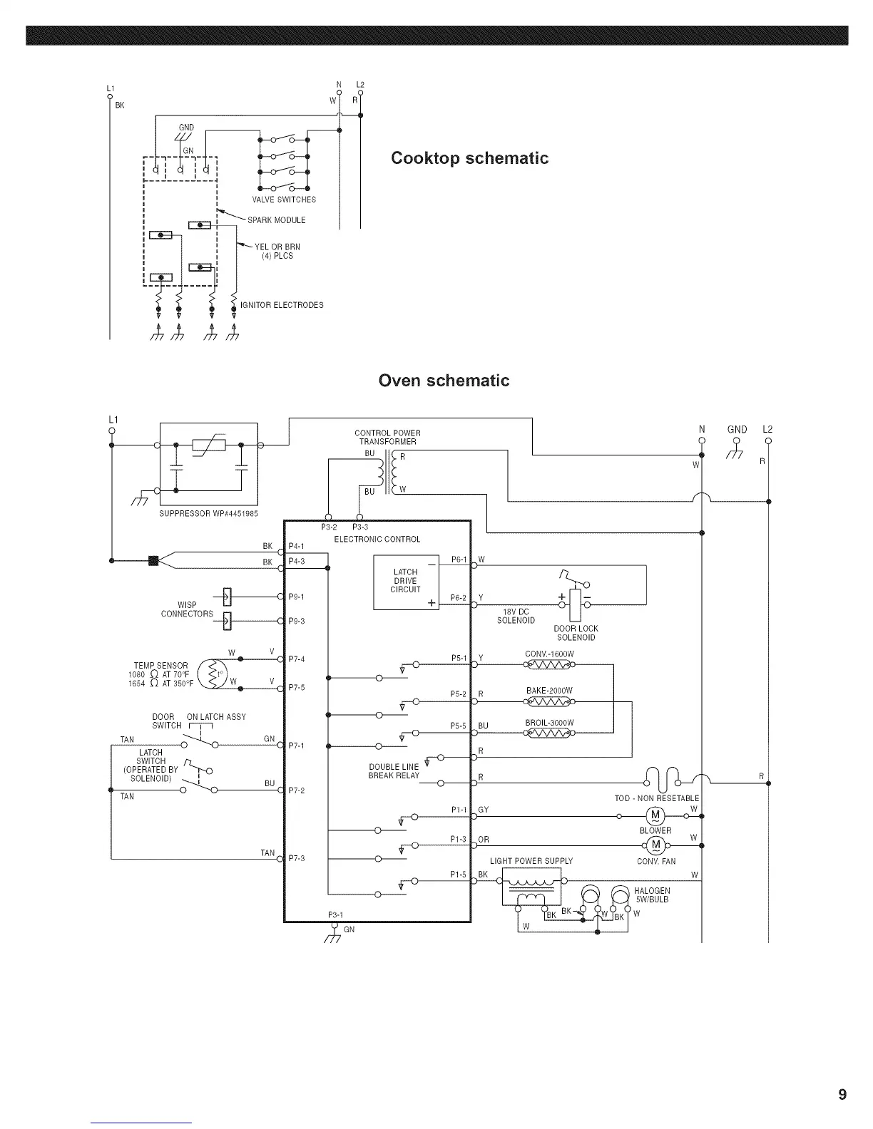
L1 N L2
) c
BK Wq R
i GND __
g _g
aa VALVE SWITCHES
I
iI_"_ SPARK MODULE
E_}_ _t..,,,_._ y EL OR BRN',
4, ,os
ITOR ELECTRODES
Cooktop schematic
Oven schematic
L1
SUPPRESSOR WP#4451985
BK
WISP
CONNECTORS_
W V
@
C
TEMP SENSOR /"_'_
1080 O_AT70°F { '_t _'}
1654 _'_ AT 350_'F __'_J' W V
= C
DOOR ON LATCH ASSY
SWITCH I_
TAN p"_¢. GN
C
LATCH
SWITCH(OPERATED BY
SOLENOID) _ BU
¢
TAN
TAN
4::
CONTROLPOWER
TRANSFORMER
BU I R
P3-2 P3-8
ELECTRONIC CONTROL
P4-1
LATCH --
DRIVE
CIRCUIT
P9-1
P9-3
P7-2
P7-3
P5-1
P5-2
P5-5
DOUBLE LINE
BREAK RELAY
P1-1
________________
_______________(___
P1-5
-(3
P3-1
3 w
3 18V DC
SOLENOID
DOOR LOCK
SOLENOID
y CONV.-16OOW
R
D
D R
GY
O
TOD - NON RESETABLE
BLOWER
D OR
LIGHT POWER SUPPLY CONV. FAN
_ HALOGEN W
5W/BULB
W
GND L2
/_ R_
W
#_
R

Related product manuals