EasyManua.ls Logo

KitchenAid KDRU707VSS01 - Page 25

KitchenAid KDRU707VSS01
56 pages
Print Icon
To Next Page IconTo Next Page
To Next Page IconTo Next Page
To Previous Page IconTo Previous Page
To Previous Page IconTo Previous Page
Loading...
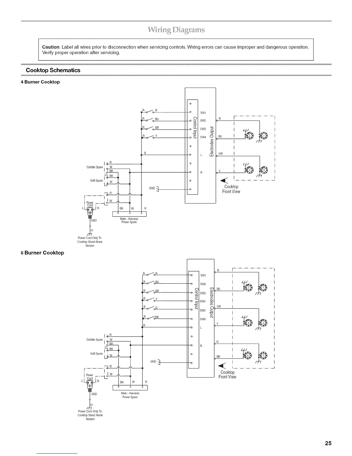
Caution: Label all wires prior to disconnection when servicing controls. Wiring errors can cause improper and dangerous operation.
Verify proper operation after servicing.
Cooktop Schematics
4 Burner Cooktop
6 Burner Cooktop
GriddleSparei : W
Grill Spare
Lw__,L__,
R
I....... !iw _.
Power _.-4 _ i
, Cord ,
L 1_,1_ IN ]BK IW R
I I " 1
Main-Harness
/j7 _ND PowerSpare
PowerCordOnlyTo
CooktopStand Alone
Version
_....Io_ R
R_o BU
R__o BR
GND
o
_:_ SW1
('3
o o SW2
o o SW3
H
o _ SW4
o -go
_ L i'71
o
_ N
o
.o
OR
i
4( I '-
Co0ktop
FrontView
[q R
GriddleSpare i _: W
Grill Spare Lw_ ,,-----
I:
N L-
Li C°rdi BK W
D Main- Harness
PowerSpare
PowerCordOnlyTo
C0okt0pStandAlone
Version
_o R
R_oBU
R_oBR
R_ov
R_oe
GND
R
q
o SW1
o SW2
(C
o o SW3
o
o _- SW4
-o _ SW5
SW6
o L
o
-o N
o
R _ ...................
OR
BK
Cooktop
FrontView
25

Related product manuals