EasyManua.ls Logo

KitchenAid KDRU707VSS01 - Page 28

KitchenAid KDRU707VSS01
56 pages
Print Icon
To Next Page IconTo Next Page
To Next Page IconTo Next Page
To Previous Page IconTo Previous Page
To Previous Page IconTo Previous Page
Loading...
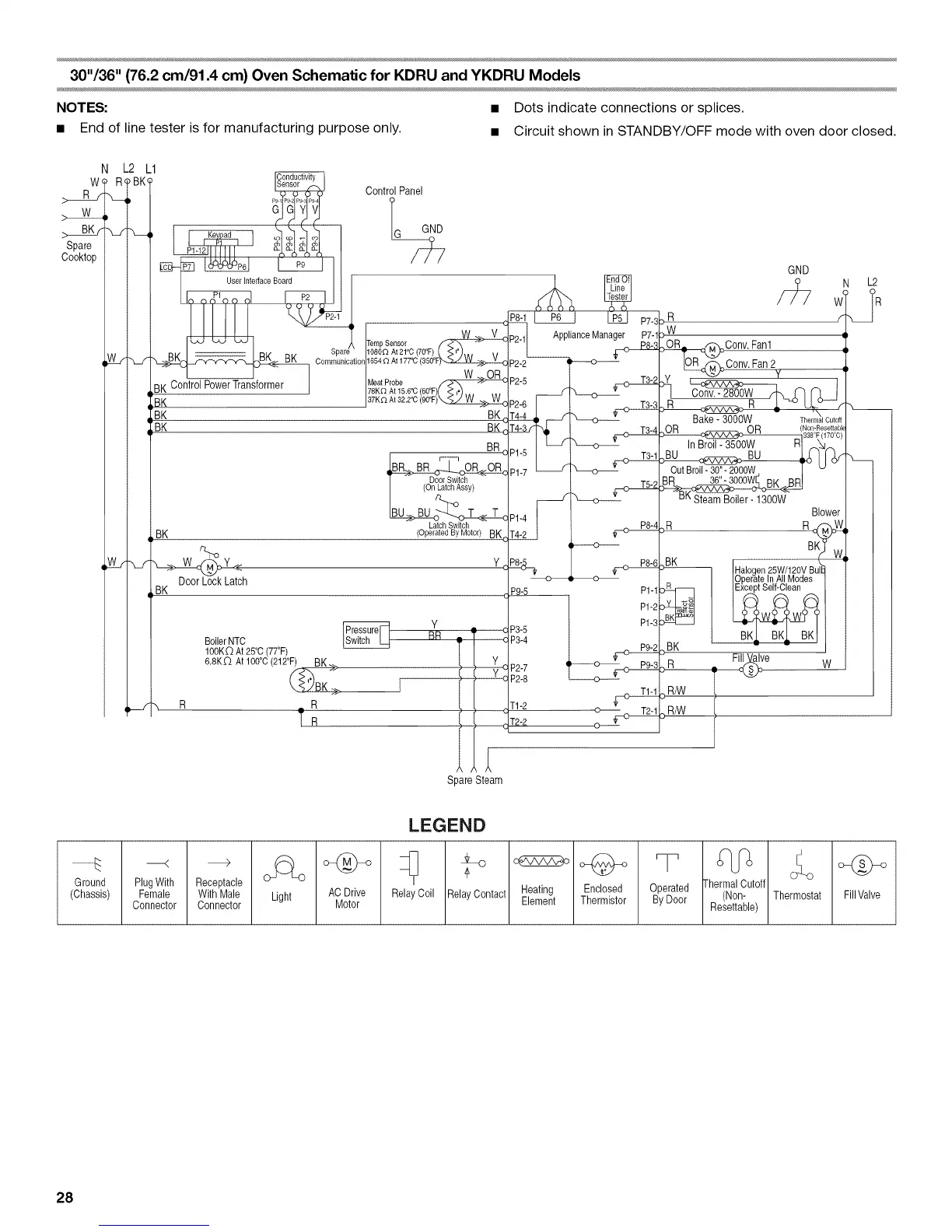
30"/36" (76.2 cm/91.4 cm) Oven Schematic for KDRU and YKDRU Models
NOTES: Dots indicate connections or splices.
End of line tester is for manufacturing purpose only. Circuit shown in STANDBY/OFF mode with oven door closed.
w
L2 L1
R" BK( IC_?v_ I
L _ Control Panel
:__w, G
Spare
_111111 %%%% I /-7-7
Cooktop E _ _ _ / / / GND
b,n_1o,_nl _ I I ] R
_ [_ LJ P2-1 (_ _P7-_
I [ S( " _)sn0PS_tS_;o70°Ff__,_>._V I' nceMan _Conv. Fanl ,
WI_J_'_ _<-_q Oomrbpari_ation11654_At177_(35_F_N_->>-_VP2.2 _ ,uH,4,--_Oonv. Fan2
L_____J I I w _O>_Riiii __ _ _ ¥
r,,., Control Power Transformer ] IMeat Pr°be _ 7 C_ ,.C_ I4 ,DR - I 78KQ At 15,6°C (60°F)( _ ,o}......
¢';, I
i BK 137Kr_At32.2°C(90°F)k_,_W>>_W
_R & _ U_"---r-__ __
Non-Resetiab]_
qBK BK _ OR R,338,F(1700C)
BR In Broil- 3500W | _
B_ BR>_ O.,_RRP15 _,__ BU _ U c_ X_
P1-7 _ Out Broil-30"- 2000W T
/ DoorSwitch
BR J
1.4 ,ow r
(opLr%hdS_t_h°t°r)BK _ _ R°_ ):_
I
w,_z--,z-
!
BK
Door Lock Latch
BK
y
BoerN,oB I1
100KC2At25°C(77°F)
6.8K_ At 100°C(212°F)
Spare Steam
i --o---
P9-5
33-5
P3-4
P2-7
P2-8
,'['1-2
T2-2
P1-1
P1-2
P1-3
o----- _ T2-1
3K
9
R i
R/W
BK
( W,
Halogen,25W/120,VBull
Operatem All Moues
IExceptSelf-Clean
Fi_ve W
R/W
PlugWith Receptacle
Female With Male
Connector Connector
LEGEND
hig_h t o_ melayCoil mel_ntact _ o_
AC Drive _ H Enclosed
Motor Thermistor
...... ,4 IThermal Cutoff
ByDoorl Re e t2;ie>
Thermostat
28

Related product manuals