EasyManua.ls Logo

KitchenAid KDRU707VSS01 - Page 29

KitchenAid KDRU707VSS01
56 pages
Print Icon
To Next Page IconTo Next Page
To Next Page IconTo Next Page
To Previous Page IconTo Previous Page
To Previous Page IconTo Previous Page
Loading...
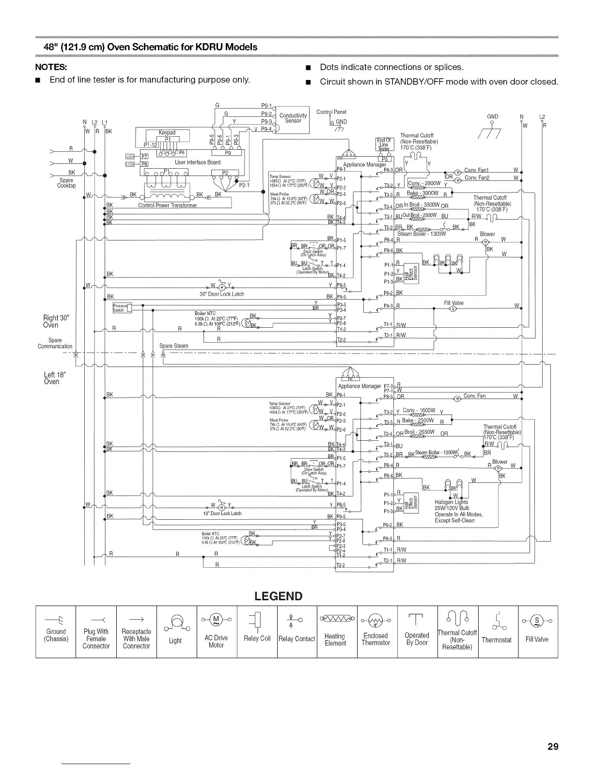
48" (121.9 cm) Oven Schematic for KDRU Models
NOTES: Dots indicate connections or splices.
End of line tester is for manufacturing purpose only. Circuit shown in STANDBY/OFF mode with oven door closed.
G P9-1
[ G _ r_,4,,_a,_., I Control Panel
R PL_RkZ_lIII If -_ I I / I,L!_,_.
W _ p5 LPAJ
, 0ser'terfaceBo- II I App,anceManager
8-1 P8-3
bpare I I I I I I [ T T ___F)( J_ "" ' _ I ' I
Oooktop I i
BK Control Power Transformer I [ 137k_At32.2.c(9°'F}''>dJot_<p2-6_ T3-4
BK _ BK T4-41 I I T3-1
RK / BR _-
r" %2_
"_J _ _ [ BR P1-5 I I P8-4
BU BUn'-P° T T P14 Pl 1
Ir - -
BK (OperatedByMotor)BgT4-2 I I P1-2
BK 30" Door Lock Latch BK Pg-_'_
Y _ P9-3
T BoilerNTC BB Y i_._ L_ _ _:_
Right30" tOOkr_At25°C 77°F)BK_ _ P2-7
6.8kC_At 10WC(212°F)__'_R_r i " P2-8 T1-1
Oven _ _j R R _ T1-2 _o_
Spare [ R T2-2
Communication Spare Steam
BK
BK rI_J
BK
R
Left 18"
Oven
GND
Thermal Cutoff
(NomBesettable)
170_C(338T)
,OR _ Conv. Fan1 W
[ _ ,L_@ Conv, Fan2 W
R Bake-3OOOW R _
" _ Thermal Cutoff
OR n B o - 3500W OR (NomResettable)
i 170_0 (338T)
_ooow BU
BR
Steam Boiler - 1300W Blower
_R R
R BK B
BK
R FillValve W
R/W q
BK_
Ternp Sensor
1060_2 At 21% /7O_F) (_l_) .....
1664_ At 177% (356°F}
Meat Probe
78kC_ At 156"C 6O_F)
37k O At 32.2%; 90OF}
18" Door Lock Latch
R
T.
B}'
BK
DoorSwitch
_a/Switch
(OperatedByMotor)BK
BK
Y
BR _-
C
Appliance Manager P7-3
P7-1
P8-1
PP-I
P2-2 I
P2-6 j
_'l_ I _T3-4
r4_-4 / i
4-3 --
P1-7 I I _:_
m-4 I t-°-_ps-_
r4-2 I I pt-t
P_ I P1-2
P1-3
P9-5
P3-4
_2-3
_2-4 T1-1
r2-2
R
W
OR
@Cony. Fan W
Conv.- 1600W y
Thermal Cutoff
oRBrOil'2650W OR (Non-Resettable)
.... ]170°C (338°F)
,BU __-
RIq P&'SteamSoiler-1300Wl BK IBR
_R R Blower W
S
Operate In All Modes,
BK Except Self-Clean
R/W
R/W
L2
---X --->
PlugWith Receptacle
Female With Male
Connector Connector
LEGEND
_ RelayCoil ael_ntact _ °_'_
AC Drive _ H Enclosed
Motor Thermistor
......,4 IThermal Cutoff
OIJu/cuuu I ..,
Door/Re2 e tn; e/
Thermostat
29

Related product manuals