EasyManua.ls Logo

KitchenAid KDRU707VSS01 - Page 51

KitchenAid KDRU707VSS01
56 pages
Print Icon
To Next Page IconTo Next Page
To Next Page IconTo Next Page
To Previous Page IconTo Previous Page
To Previous Page IconTo Previous Page
Loading...
C _ ,JL /_......... ,J _ Y_
_ '_,,_ _2 _t__ _:__:_
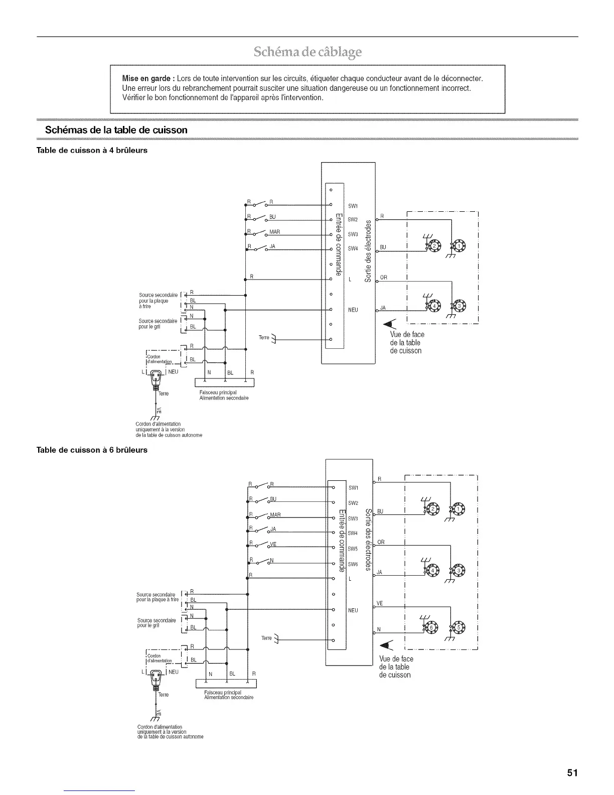
Mise en garde : Lors de toute intervention sur les circuits, etiqueter chaque conducteur avant de le d6connecter.
Une erreur Iors du rebranchement pourrait susciter une situation dangereuse ou un fonctionnement incorrect.
Verifier le bon fonctionnement de I'appareil apr_s I'intervention.
Sch6mas de la table de cuisson
Table de cuisson a 4 brOleurs
Soureesecondaire[_J R
pour laplaque
fdre
_r.....fo R
R_r....Jc. BU
R,_r....f o MAR
JR
o
m
(1).
o c__
o
o
o;
: BL
Source secondaire
pourlegr, LB+k.B&__,.N.___4
: R
[00%:.... I o
Id'alimentafion _ _,,,,,,---_
LI-_ INEU [--1IN ,[IBL
/_Tm<Terre Fa[sceau principal
Terre
o
o
m
SW1
SW2
SW3
2
SW4 _
NEU
Alimentationsecondaire
R
I
Cordond'alimentation
uniquement& la version
dela tablede cuissonautonome
Table de cuisson a 6 brOleurs
R r ..................
BU J
I
I
OR I
JA i
4(_ i....................
Vuedeface
de la table
de cuisson
Source secondaire I _1 R
pourlaplaqueafdre : : BL
Source secondaire _
pour le gdl L_B_j,,,,.,B.L_ _
Li_ N BL a
I NEU
f L<Ter Faisceau principal
re Alimenlahon secondaire
Cordon d'alirnenlation
uniquement a la version
de la table de euisson autonome
H o......../o R
R_:_,.....Jo BU
_o MAR
R_,......../e j A
R_-o/oVE
Lo/o"
Terre
m
o SWl
-o SW2
IT'
-o _ SW3
co,.
-o __ SW4
d)
o _ SW5
-o _ SW6
o L
o
-'o NEU
o
-o
VE
N
i
Vuedeface
de latable
de cuisson
51

Related product manuals