EasyManua.ls Logo

KitchenAid KDRU707VSS01 - Page 54

KitchenAid KDRU707VSS01
56 pages
Print Icon
To Next Page IconTo Next Page
To Next Page IconTo Next Page
To Previous Page IconTo Previous Page
To Previous Page IconTo Previous Page
Loading...
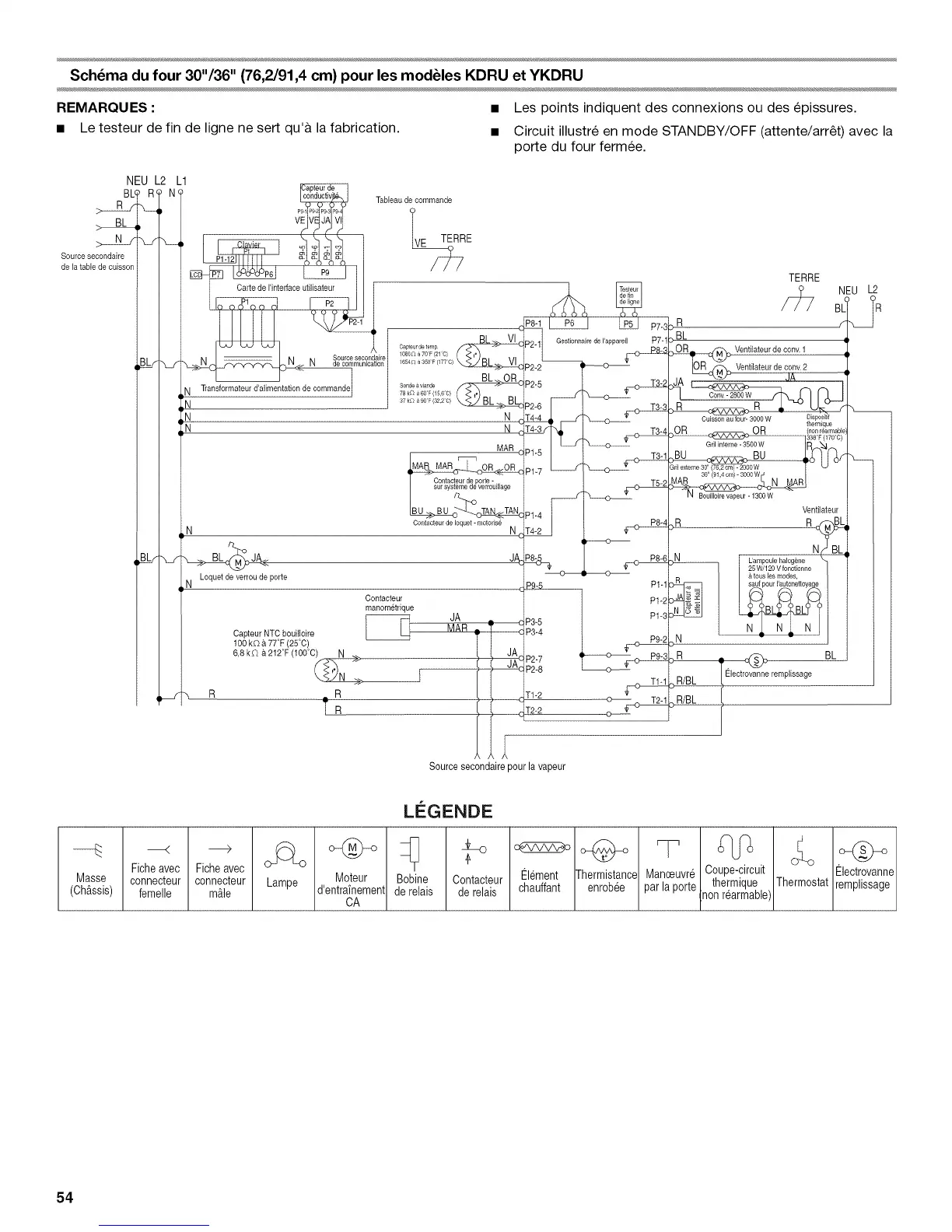
Schema du four 30"/36" (76,2/91,4 cm) pour les modules KDRU et YKDRU
REMARQUES : Les points indiquent des connexions ou des epissures.
Le testeur de fin de ligne ne sert qu'& la fabrication. Circuit illustre en mode STANDBY/OFF (attente/arr_t) avec la
porte du four fermee.
NEU L2 L1
BL) R N1
>__BL,
Source secondaire
de la table de cuisson
i
G
i
G
Tableaude commande
P9-1
_ _lll
L_ L_ _ P2-1 cP8q PL_J PL_ P7_3
Transformateurd'alimentation d....... deI _nkl i_;!2tl_ _C/ S-_'_ _ _2-5
N _2-6
N N
N N _F X_-7- T3-4
MAR --I _z'-_ _F_
P1-7 _
Contacteurdeporte-
sursystemedeverrouillage ,-----_ __
N ContacteurdeIoquet-motorise N c ]4"2
Loquetde verrou de porte
N c_-- Plq
Contacteur P1-2
manometrique
J_ ,,_ _4:P3-5 P1-3
Capteur NTC bouilloire _<: P3-4
100k_-)a 77T (25_0)
6,8 k__ a 212T (100_0) N ,> cP2-7 ___PA_
(_N _ __ [ 43P2-8
R R c T1-2
o---- T2-1
R <:T2-2 <>__
Source secondaire pour la vapeur
TERRE
DR
DB[
_ Ventilateurde conv.1
Ventilateur decony.2
JA
R & _ U_:."
Cuissonaufour-3000w Dispositil
therm_que
_OR ..... OR ..... _,,_b_
v v v 338T (170_C)
Grilinterne-3500W _ _
BU BU _.o_'_
_ow
36" (91,4 crn) - 3000 W
I_1 Bouilloil_vapeur- 1%0W
Ventilateur
N( BL_
L'ampoulehalog_ne
touslesmodes,
saufpourI'autonettoyae
,,: _ BL
Electrovanneremplissage
R
R/BL
R/BL
Fich_ec ---->
Ficheavec
Masse connecteur connecteur
Ch_tsss femelle m&le
LI_GENDE
/_ I Bobine Contacteur I
_"'_'_ d'entrafnement de relais de relais
CA
Element
chauffant
Thermistance Manceuvre Coupe-circuit _ ., Electrovanne
enrobee parlaporte the!m_que,, mermos_at remphssage
I ! poerearmaDie/i I I
54

Related product manuals