EasyManua.ls Logo

KitchenAid KDRU707VSS01 - Page 53

KitchenAid KDRU707VSS01
56 pages
Print Icon
To Next Page IconTo Next Page
To Next Page IconTo Next Page
To Previous Page IconTo Previous Page
To Previous Page IconTo Previous Page
Loading...
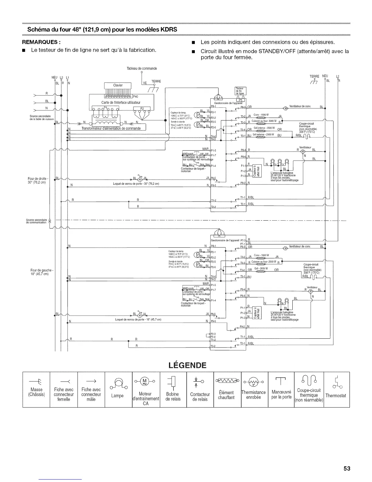
Schema du four 48" (121,9 cm) pour les modules KDRS
REMARQUES : Les points indiquent des connexions ou des epissures.
Le testeur de fin de ligne ne sert qu'& la fabrication. Circuit illustre en mode STANDBY/OFF (attente/arr_t) avec la
porte du four fermee.
Tableau de commande
NEU L2 L1 l
3L R 'N ..... IVE TERRE
/ Carte de I'interface utilisateur
,_,_ ,_ ___L
SeO_rofe_C_en%'.?on |U U L,U |
Trans orma eur da men a on de canlmande J
Four de droite - |
30" (76,2 ore) /
/
Source secondaire .",,
de communication L
N
j_ R
j R
Loquet de vetrou de porte- 30" (76,2 cm)
R
I R
1080£_a 70F (21_C)
-- 156_r4_e_&a351_d_ (177C/ B
78k£_&60F(15,60)
37k£)a 90F/32,2C/
J_ MAR
Contaeteur de Ioquet -
motodse
JA
N
t_ Testeu_
de fin
de li ne
Gestionnaire de I'appareil
°_-__
r4-4 !
.... l_ ___
_1-7 PS-_
,e [___,+Z_
_l-a , Pl-1
P1-2
Pt-3
o_._-' _
T1-2
T2-2
.............BLNV app
1654[_&350F (1770)
78k_)a 60F (15,6C/
37k_'_a90F (3a2c)
_t-5
Pl-1
Pl-2
P1-3
p_-5
Fourde gauche-
18" (45,7cm)
Loquet de venou de porte- 18" (45,7 cm)
N
N-
MAR
MA _ O OR
e porte -
Contacteur de Ioquet -
motodse
TERRE NEU
R
TR
OR
JA Cony- 1650W JA
Cuissonautour-3o00W t
Coupe-circuit
thermique
Gel _nterne-3550W non r_armable
OR I t38"F (170"C))
R R Ventilateur BL
L'am oule halog_ne
N_ I 25 _/_120 V foncti.....
& tous les modes
N sauf pour I'au one oyage
R/BL
R!BL
_L
.OR =(_ Ventilaleur de cony. BL
JA Cony- 150ow JA
Coupe-circuit
thermique
G[il -2650W
OR (non rearmable)
I 338_F(170_0)
_BU
F{ Ventilateu[
T
_ad pour I'autonSttoyage
P2-3
P2-4
T1-2
R/BL
R/BL
BL
m.
Masse
(Ch&ssis)
Ficheavec
conneoteur
femelle
LI GENDE
÷
Ficheavec
coenecteur
m&le
Lampe
Moteur
d'entrafnement
CA
Bobine
de relais
4'
Contacteur
de relais
c_Z22_o
Element
chauffant
Thermistance
enrob_e
r-Tq Co_uit
Manceuvre thermique
parla porte non rearmab
eL
Thermostat
53

Related product manuals