EasyManua.ls Logo

KitchenAid KODE500ESS - Page 47

KitchenAid KODE500ESS
52 pages
Print Icon
To Next Page IconTo Next Page
To Next Page IconTo Next Page
To Previous Page IconTo Previous Page
To Previous Page IconTo Previous Page
Loading...
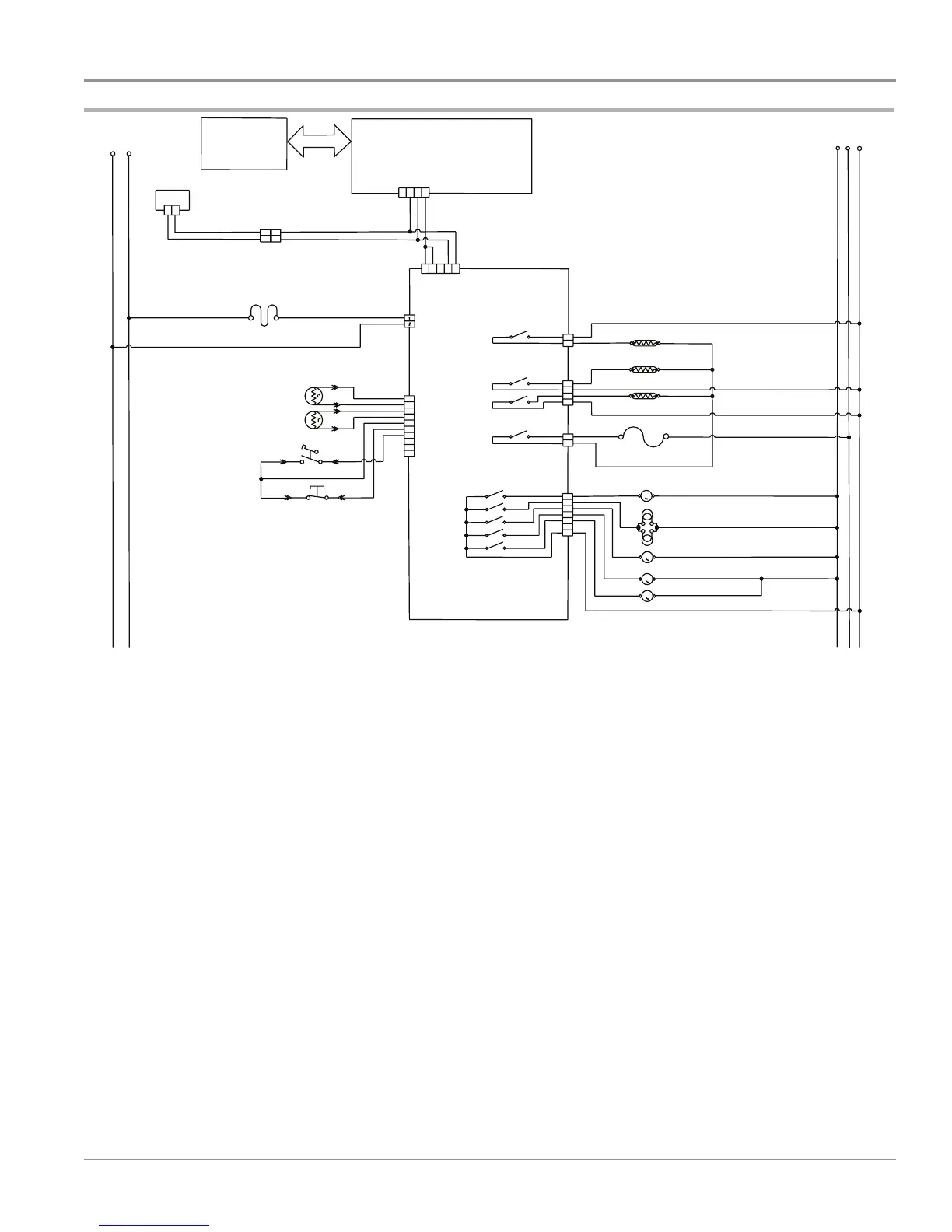
Wiring Diagrams
Built-In Single and Double Wall Oven
n
5-3
FOR SERVICE TECHNICIANS USE ONLY
13
Single Oven Models - Convect
Double Oven Models - Non-Convect
Keypad
User Interface
Copernicus
Appliance Manager
EOL
N L1
1 2
1 2
3 4
GN
RD/WH
GN
RD/WH
2
2
11
1
Thermal Fuse
170°F (77°C)
BK
BK
WH
Oven Temperature
Sensor
Meat Probe
Sensor
V
V
OR
GN
BU
TN
BR
Motor Latch Switch
Door Switch
OR/BK
P3
1
2
3
4
5
6
7
8
9
10
J4
J1
YL
OR
BR
BR
OR
YL
1
2
3 4
5
P1
J8
K11
K10
K2
K3
1
2
PX4
PX1
PX3
P5
1
2
3
4
1
2
K4
K5
K6
K7
K8
1
2
3
4
5
6
7
BK
WH
WH
HS Cooling Fan
M
GY/BK
GY
OR
BK
YL
M
M
M
WH
WH
LS Cooling Fan
Convect Fan
Oven Lights
Motor Door Latch
RD/WH
Temperature Limiter
Open Temo 338°F (170°C)
RD
YL
RD
BU
BU
Convect - 3200W
YL
Bake - 2800W
Broil - 4000W
RD
BU
RD
BK
BK
N L2 L1
Wide/Power
Keypad
User Interface
Upper Copernicus
Appliance Manager
Lower Copernicus
Appliance Manager
N
L1
EOL
1 2
GN
RD/WH
2
1
2
1
GN
RD/WH
Thermal Fuse
206°F (93°C)
BK
BK
WH
J1
J4
1 2 3
4
YL
OR
BR
BR
OR
YL
P1
1
2
3
4 5
J8
1
2
Oven Temperature
Sensor
V
V
BU
TN
Motor Latch Switch
BR
Door Switch
OR/BK
P3
1
2
3
4
5
6
7
8
9
10
K11
K10
K3
K4
K5
K7
K8
1
2
3
4
5
6
7
BK
WH
WH
WH
P5
GY/BK
GY
BK
YL
HS Cooling Fan
Motor Door Latch
Oven Ligths
LS Cooling Fan
1
2
3
4
1
2
PX3
RD/WH
Temperature Limiter
Open Temp 338°F (170°C)
RD
RD
BK
BU
BU
RD
Bake - 2800W
RD
BU
Broil - 4000W
1
2
PX1
PX4
Lower Oven
Temperature
Sensor
V
V
Lo Motor Latch Switch
Lower Door Switch
OR/BK
BU
TN
BR
1
2
3
4
5
6
7
8
9
10
P3
1
2
J8
1
2 3 4 5
P1
BR
OR
YL
K11
K10
K3
1
2
PX4
BU
BU
RD
Lower Broil - 4000W
BU
RD
Lower Bake - 2800W
BK
RD
1
2
3
4
PX1
RD
1
2
PX4
Lower Temperature Limiter
Open Temp 338°F (170°C)
RD/WH
K4
K5
K7
K8
1
2
3
4
5
6
7
P5
YL
BK
GY
GY/BK
WH
RD
BK
BK
LO HS Cooling Fan
WH
LO LS Cooling Fan
WH
WH
Lower Oven Lights
Lower Motor Door Latch
N
L2
L1
Wide/Power

Other manuals for KitchenAid KODE500ESS

Related product manuals