EasyManua.ls Logo

Knight 80 - Page 34

Knight 80
72 pages
Print Icon
To Next Page IconTo Next Page
To Next Page IconTo Next Page
To Previous Page IconTo Previous Page
To Previous Page IconTo Previous Page
Loading...
Installation & Operation Manual
34
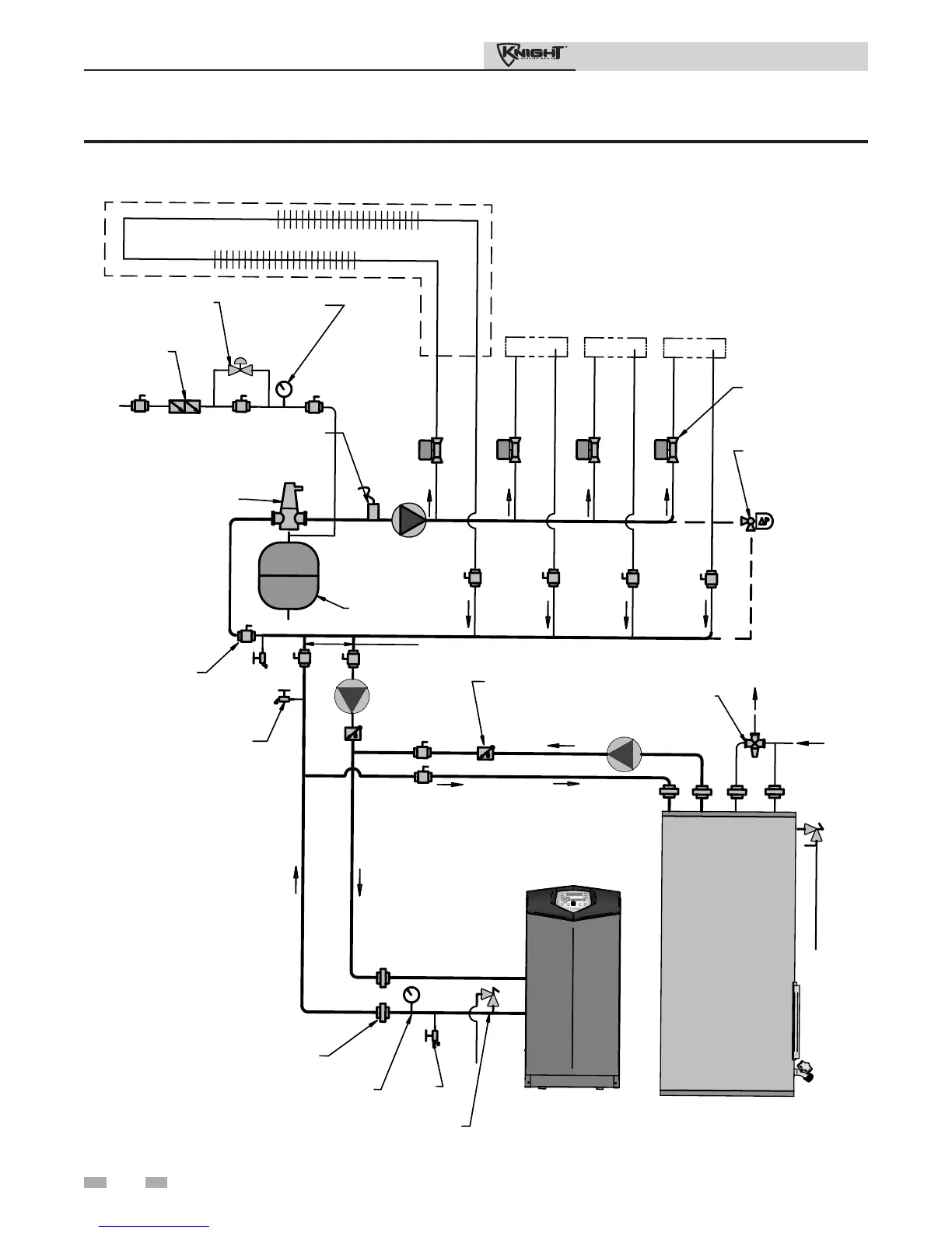
6 Hydronic piping
PRESSURE
REDUCING VALVE
BACKFLOW
PREVENTER
PRESSURE
GAUGE
SYSTEM SUPPLY
SENSOR
NOT TO EXCEED 4 PIPE DIA. OR A MAX. OF 12” APART
DRAIN POINT
(TYPICAL)
SYSTEM
CIRCULATOR
ANTI-SCALD
MIXING VALVE
DOMESTIC
HOT WATER
CIRCULATOR
PRESSURE
RELIEF VALVE
UNION
(TYPICAL)
TEMPERATURE /
PRESSURE
GAUGE
BOILER
CIRCULATOR
DRAIN
BOILER
INDIRECT
DHW TANK
BALL VALVE
(TYPICAL)
EXPANSION
TANK
HOT
WATER
OUT
ZONE #1
ZONE #2
ZONE #3 ZONE #4
AIR SEPARATOR
COLD
WATER
IN
FLOW CHECK
VALVE
ZONE VALVES
(TYPICAL)
DIFFERENTIAL
PRESSURE BYPASS
VALVE (IF USED)
MAKE UP WATER
Figure 6-6 Single Boiler Zoned with Valves

Table of Contents

Other manuals for Knight 80

Related product manuals