EasyManua.ls Logo

Knight 80 - Field Wiring; Line Voltage Connections

Knight 80
72 pages
Print Icon
To Next Page IconTo Next Page
To Next Page IconTo Next Page
To Previous Page IconTo Previous Page
To Previous Page IconTo Previous Page
Loading...
Installation & Operation Manual
42
8 Field wiring
ELECTRICAL SHOCK HAZARD – For
your safety, turn off electrical power
supply before making any electrical
connections to avoid possible electric
shock hazard. Failure to do so can cause
severe personal injury or death.
Wiring must be N.E.C. Class 1.
If original wiring as supplied with boiler
must be replaced, use only type 105°C
wire or equivalent.
Boiler must be electrically grounded as
required by National Electrical Code
ANSI/NFPA 70 – latest edition.
Installation must comply with:
1. National Electrical Code and any other national, state,
provincial, or local codes, or regulations.
2. In Canada, CSA C22.1 Canadian Electrical Code Part 1,
and any local codes.
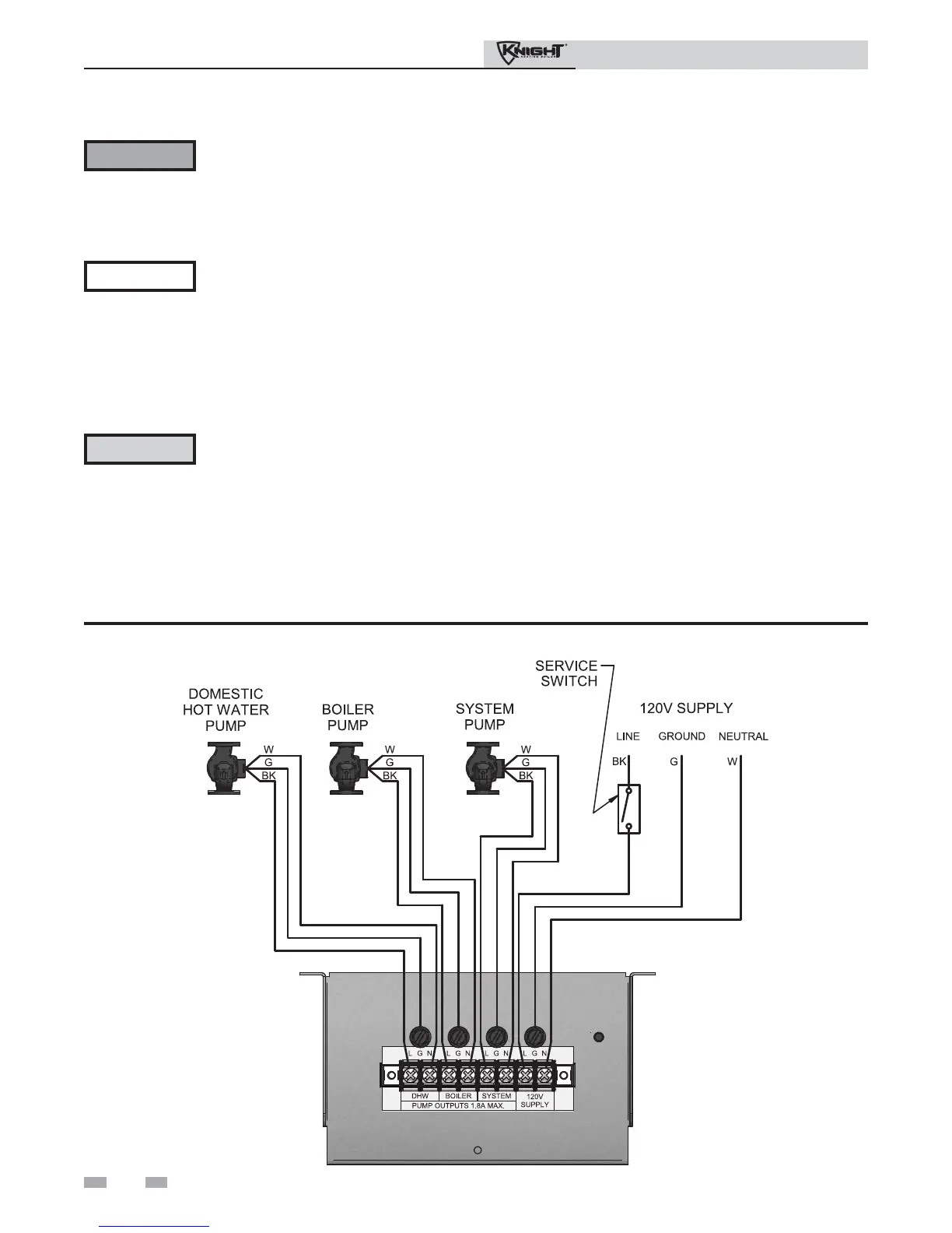
Line voltage connections
1. Connect 120 vac power wiring to the line voltage terminal
strip in the junction box, as shown in FIG. 8-1.
2. Provide and install a fused disconnect or service switch
(15 amp recommended) as required by the code (see
FIG. 8-1).
3. The boiler pump is shipped loose. Wire the boiler pump
as shown in FIG. 8-1.
4. When connecting a domestic hot water (DHW) pump,
connect the wiring to the line voltage terminal strip as
shown in FIG. 8-1.
5. To activate a system pump, wire as shown in FIG. 8-1. If
the motor is larger than 1/8 hp or 1.8 amps, you must
install a relay.
Figure 8-1 Line Voltage Field Wiring Connections
Label all wires prior to disconnection
when servicing controls. Wiring errors
can cause improper and dangerous
operation.
WARNING
NOTICE
CAUTION

Table of Contents

Other manuals for Knight 80

Related product manuals