EasyManua.ls Logo

Knight 80 - Page 37

Knight 80
72 pages
Print Icon
To Next Page IconTo Next Page
To Next Page IconTo Next Page
To Previous Page IconTo Previous Page
To Previous Page IconTo Previous Page
Loading...
Installation & Operation Manual
37
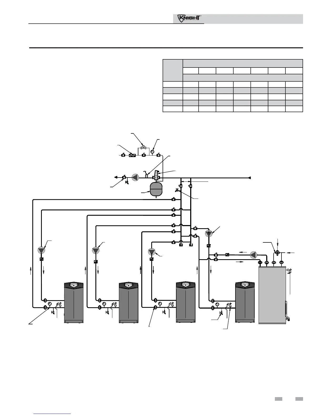
6 Hydronic piping (continued)
PRESSURE
REDUCING VALVE
BACKFLOW
PREVENTER
PRESSURE
GAUGE
SYSTEM SUPPLY
SENSOR
AIR
SEPARATOR
FROM
SYSTEM
NOT TO EXCEED 4 PIPE DIA. OR A MAX. OF 12” APART
DRAIN POINT
(TYPICAL)
BOILER
CIRCULATOR
ANTI-SCALD
MIXING VALVE
DOMESTIC
HOT WATER
CIRCULATOR
COLD WATER
IN
PRESSURE
RELIEF VALVE
UNION
(TYPICAL)
TEMPERATURE /
PRESSURE
GAUGE
BOILER
CIRCULATOR
BOILER
CIRCULATOR
BOILER
CIRCULATOR
DRAIN
BOILER 2
(MEMBER 1)
BOILER 1
(LEADER)
INDIRECT
DHW TANK
BOILER 3
(MEMBER 2)
BOILER 4
(MEMBER 3)
SYSTEM
CIRCULATOR
BALL VALVE
(TYPICAL)
EXPANSION
TANK
TO
SYSTEM
MAKE UP WATER
Figure 6-9 Multiple Boilers - Non-Zoned Primary/Secondary Piping
Model
Number of Units
2 3 4 5 6
7 8
Required Pipe Sizes
80 1-1/4" 1-1/2" 2" 2-1/2" 2-1/2" 2-1/2" 2-1/2"
105 1-1/2" 2" 2" 2-1/2" 2-1/2" 2-1/2" 3"
150 2" 2" 2-1/2" 2-1/2" 2-1/2" 3" 3-1/2"
210 2" 2-1/2" 3" 3" 3-1/2" 4" 4"
285 2-1/2" 2-1/2" 3" 3-1/2" 3-1/2" 4" 5"

Table of Contents

Other manuals for Knight 80

Related product manuals