EasyManua.ls Logo

Kohler 17.5CCFOZ - Page 76

Kohler 17.5CCFOZ
109 pages
Print Icon
To Next Page IconTo Next Page
To Next Page IconTo Next Page
To Previous Page IconTo Previous Page
To Previous Page IconTo Previous Page
Loading...
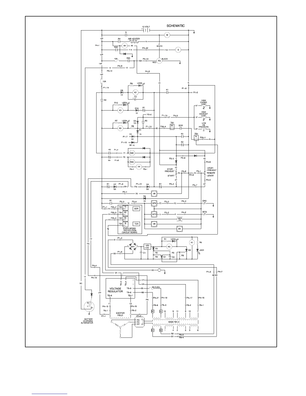
TP-5592 7/965-10 Wiring Diagrams
229938-
Figure 5-9. Schematic Wiring Diagram14/20/24CCOZ and 11.5/17.5/20CCFOZ
(3-Phase Models)

Table of Contents

Related product manuals